Страница 1 из 2 12 ПоследняяПоследняя
Показано с 1 по 10 из 20
  1. #1
    Пользователь
    Регистрация
    18.08.2008
    Сообщений
    32
    Вес репутации
    225

    По умолчанию Как подключить?

    Доброго времени суток, собираю карписи на базе Асуса 701. встал вопрос со звуком купил этот усилитель мастеркитовский, и не могу подключить.. Звук взял со штатных колонок ноута, т.е. отрезал динамик и сунул провода в усилок в IN 1, как показано в инструкции. красный в плюс, чёрный в минус. К выходам OUT 1-4 подключил колонки от машины по колонке на канал. Питание подал вроде правильно, при включении происходит характерный "ПУК" в колонках машины. Но звука от ноута нет.
    Вопрос: ЧЕГО ДЕЛАЮ НЕ ТАК?
    причём на примую (провода от колонок ноута в колонки авто) всё работает.
    И звук от ноута надо тока в IN 1 подключать или в 2-4 тоже?
    Хотя даж с OUT 1 не снимается звук.
    и у ноута две колонки, типа стерео я так понимаю. тоесть мне плюсы у отрезаных колонок надо скрутить в один? или вторую колонку подключить через IN 2?

    ПРОСЬБА!!! КО ВСЕМ КТО ПОДКЛЮЧАЛ ЭТОТ УСИЛОК ОООЧЕНЬ ПОДРОБНО ОПИСАТЬ ПРОЦЕСС подключения!!!!!!!! Я чайник. просто пару дней осталось до тех пор как кончится 2 недели с момента покупки данного усилка. и ещё подскажите как проверить его работоспособность в полевых условия. Сори за ошибки.
    Изображения Изображения  

  2. #2
    Продвинутый Аватар для Leha080
    Регистрация
    14.12.2008
    Возраст
    41
    Сообщений
    379
    Вес репутации
    365

    По умолчанию Re: Как подключить?

    Цитата Сообщение от Astra Посмотреть сообщение
    Доброго времени суток, собираю карписи на базе Асуса 701. встал вопрос со звуком купил этот усилитель мастеркитовский, и не могу подключить.. Звук взял со штатных колонок ноута, т.е. отрезал динамик и сунул провода в усилок в IN 1, как показано в инструкции. красный в плюс, чёрный в минус. К выходам OUT 1-4 подключил колонки от машины по колонке на канал. Питание подал вроде правильно, при включении происходит характерный "ПУК" в колонках машины. Но звука от ноута нет.
    Вопрос: ЧЕГО ДЕЛАЮ НЕ ТАК?
    причём на примую (провода от колонок ноута в колонки авто) всё работает.
    И звук от ноута надо тока в IN 1 подключать или в 2-4 тоже?
    Хотя даж с OUT 1 не снимается звук.
    и у ноута две колонки, типа стерео я так понимаю. тоесть мне плюсы у отрезаных колонок надо скрутить в один? или вторую колонку подключить через IN 2?

    ПРОСЬБА!!! КО ВСЕМ КТО ПОДКЛЮЧАЛ ЭТОТ УСИЛОК ОООЧЕНЬ ПОДРОБНО ОПИСАТЬ ПРОЦЕСС подключения!!!!!!!! Я чайник. просто пару дней осталось до тех пор как кончится 2 недели с момента покупки данного усилка. и ещё подскажите как проверить его работоспособность в полевых условия. Сори за ошибки.
    Несколько глупые вапросы например про стерео!
    к нему должна прилагатся схема!, или на сайте в форуме все есть!, а так надо подключить + и - и remote чтоб он включился!

  3. #3
    Пользователь
    Регистрация
    18.08.2008
    Сообщений
    32
    Вес репутации
    225

    По умолчанию Re: Как подключить?

    слыш умник, я наверно тут не раз всё читал и не просто так спрашиваю. Я по существу спрашиваю. С электроникой в ладах но с авто звуком впервые. И где именно у этого ремоут и как его подключать? Раз знаешь так и напиши ПОДРОБНО

  4. #4
    Продвинутый Аватар для Leha080
    Регистрация
    14.12.2008
    Возраст
    41
    Сообщений
    379
    Вес репутации
    365

    По умолчанию Re: Как подключить?

    А чем по твойму отличается автозвук от обычного?
    Везде принцип один и тотже тока в авто усях еще преобразователь стоит на питание!

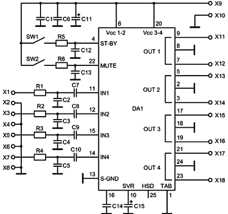
    Переключатели SW1 (ST-BY) и SW2 (MUTE) предназначены для управления режимами работы ИМС. Замыканием контактов в SW1 управляет режимом ST-BY (дежурный/рабочий), а SW2 режимом MUTE (пауза).
    Особое внимание следует обратить на подключение микросхемы к источнику питания:
    - ИМС чрезвычайно чувствительна к напряжению питания – максимум 18 В.
    - переполюсовка источника напряжения питания приводит к выходу ИМС из строя (Uобр = 6 В максимум).
    Напряжение питания подключается к контактам Х9 (+) и Х10 (-).
    Источники сигнала подключаются к Х1 (+), Х2 (-); Х3 (+), Х4 (-); Х5 (+), Х6 (-); Х7 (+), Х8 (-).
    Усиленный сигнал снимается с контактов Х11, Х12; Х13, Х14; Х15, Х16; Х17, Х18.

    че тут не понятного!!!!
    Миниатюры Миниатюры Нажмите на изображение для увеличения. 

Название:	nm2043.gif 
Просмотров:	730 
Размер:	12.9 Кб 
ID:	4581  
    Последний раз редактировалось Leha080; 07.06.2009 в 00:14.

  5. #5
    Пользователь
    Регистрация
    18.08.2008
    Сообщений
    32
    Вес репутации
    225

    По умолчанию Re: Как подключить?

    Ну я и подключил питание и источник звука к Х1 и Х2 и толку ноль.. С Муте не особо понял, оно всегда разомкнуто..

  6. #6
    Пользователь
    Регистрация
    18.08.2008
    Сообщений
    32
    Вес репутации
    225

    По умолчанию Re: Как подключить?

    или надо на муте тож подать сигнал? и чего за сигнал и откуда? ну напишите то нармально а не копируйте инструкцию написал же что чайник.

  7. #7
    Продвинутый Аватар для Leha080
    Регистрация
    14.12.2008
    Возраст
    41
    Сообщений
    379
    Вес репутации
    365

    По умолчанию Re: Как подключить?

    может все таки замкнуть sw2 на мут на форуме пишу что если на минус его кинуть то звук проподает! если учесть погрешность при проезводстве то может он постоянно в муте находится! или папробуй другие каналы!
    у тебя два разема с перемычками один замыкаеш он должен включится, а второй наверно мут!
    Последний раз редактировалось Leha080; 07.06.2009 в 00:35.

  8. #8
    Продвинутый Аватар для KonTur
    Регистрация
    12.02.2009
    Возраст
    61
    Сообщений
    326
    Вес репутации
    282

    По умолчанию Re: Как подключить?

    Тот мастеркитовский усилок, что купил я, не работал, пока я не поставил перемычку "ST BY". Только с этой перемычкой он при подаче питания играет музыку.

  9. #9
    Продвинутый Аватар для Leha080
    Регистрация
    14.12.2008
    Возраст
    41
    Сообщений
    379
    Вес репутации
    365

    По умолчанию Re: Как подключить?

    Цитата Сообщение от KonTur Посмотреть сообщение
    Тот мастеркитовский усилок, что купил я, не работал, пока я не поставил перемычку "ST BY". Только с этой перемычкой он при подаче питания играет музыку.
    Ну да это в первую очередь замкнуть надо!

  10. #10
    Пользователь
    Регистрация
    18.08.2008
    Сообщений
    32
    Вес репутации
    225

    По умолчанию Re: Как подключить?

    На стенд бай я канечно поставил перемычку.. муте ваще не трогал. питание подал в ин 1 подал звук, с оут 1 снимаю звук а его нет? чего не так? с Муте надо чего то делать или нет?

Страница 1 из 2 12 ПоследняяПоследняя

Информация о теме

Пользователи, просматривающие эту тему

Эту тему просматривают: 1 (пользователей: 0 , гостей: 1)

Ваши права

  • Вы не можете создавать новые темы
  • Вы не можете отвечать в темах
  • Вы не можете прикреплять вложения
  • Вы не можете редактировать свои сообщения
  •