Страница 7 из 13 ПерваяПервая 12345678910111213 ПоследняяПоследняя
Показано с 61 по 70 из 127
  1. #61
    Продвинутый
    Регистрация
    23.02.2009
    Сообщений
    352
    Вес репутации
    282

    По умолчанию Re: AVCLan-mini или подключение к штатной голове Toyota

    ak1976, у тебя там нет подвижек с обменом?

  2. #62
    Пользователь
    Регистрация
    28.12.2008
    Возраст
    49
    Сообщений
    79
    Вес репутации
    229

    По умолчанию Re: AVCLan-mini или подключение к штатной голове Toyota

    Собрал схемку, контролерка ожила (в терминале пишет AVClan при ресете) а вот обмена с машиной нет... Может CAN ресивер перегрел, нашел только в корпусе SO8, паять очень геморно... Какова роль светодиода? Мигает при обмене? Или загорается при активации ченжера+AZ-FM? У меня он вообще мертвый...

  3. #63
    Продвинутый
    Регистрация
    23.02.2009
    Сообщений
    352
    Вес репутации
    282

    По умолчанию Re: AVCLan-mini или подключение к штатной голове Toyota

    да, мигает при обмене. поначалу никак не мог понять, когда должен мигать, похоже, молчал

    обмен с машиной: мож ошибся с полярностью TX+/-

    ресивер там на компараторе собран
    Последний раз редактировалось uzzzer; 13.06.2009 в 22:14.

  4. #64
    Пользователь
    Регистрация
    28.12.2008
    Возраст
    49
    Сообщений
    79
    Вес репутации
    229

    По умолчанию Re: AVCLan-mini или подключение к штатной голове Toyota

    Пробовал по разному, и так и этак, если контакты соединить вместе, терминал пишет еще какой то код при старте, видимо то что посылает контролерка в шину... Тобишь по логике есть и прием и передача... Но в терминале тишина.... Как еще можно проверить работоспособность, кто что посоветует?

  5. #65
    Пользователь
    Регистрация
    28.12.2008
    Возраст
    49
    Сообщений
    79
    Вес репутации
    229

    По умолчанию Re: AVCLan-mini или подключение к штатной голове Toyota

    Все, заработало
    Есть правда одно но, башка у меня 110, в системе не регистрируется дополнительный CD-чейнджер, а у штатного крышу сносит... Чую адреса у доп и у штатного совпадают...
    И еще вопрос... У меня выплевываются данные вот такого вида:
    < d 1C6 110 0700E55FD8000080
    < b 178 FFF 095801DB000000000000

    Интересно что есть что?
    B или D - это что? Прием или передача?
    Вторые два как я понял адрес девайса, и четвертый это данные?
    Последний раз редактировалось LeonVS; 15.06.2009 в 00:46.

  6. #66
    Местный
    Регистрация
    04.06.2008
    Сообщений
    120
    Вес репутации
    415

    По умолчанию Re: AVCLan-mini или подключение к штатной голове Toyota

    Цитата Сообщение от uzzzer Посмотреть сообщение
    ak1976, у тебя там нет подвижек с обменом?
    Я тут отвлекся малость на другой проектик - arduino. Тут его тоже обсуждали. Заказал плату на freeduino.ru, а пока она едет собрал облегченную версию на основе metaboard, только печатку переделал, чтобы она была соместима с shield платами. Но это так лирическое отступление. Если чего получется хорошего на этой плате сделать - выложу и ее.

    Сегодня собрал компьютер наконец, поправил немного прошивку.
    Теперь в ней буфер на отправку в com-порт 350 байт, вместо 240 (больше просто не помещается, вот если бы контролер поменять на ATMega328, но ее пока в продаже тяжело найти) и сделал вывод при печати конфигурации количества потерянных байт, чтобы как-то судить насколько полный лог получился. В общем я готов к дальнейшим испытаниям. В среду сниму лог при работе чейнджера и своей головы, так же договорился с товарищем у которого Prius, снимим лог и с него, заодно посмотрим как ему RGB вход сделать.

    Цитата Сообщение от LeonVS Посмотреть сообщение
    Все, заработало
    Есть правда одно но, башка у меня 110, в системе не регистрируется дополнительный CD-чейнджер, а у штатного крышу сносит... Чую адреса у доп и у штатного совпадают...
    мои поздравления. Судя по всему уже 3 собранные платы.
    адрес головы и виртуального чейнджера можно поменять в терминале из этого поста, там же и последняя прошивка

    Цитата Сообщение от LeonVS Посмотреть сообщение
    И еще вопрос... У меня выплевываются данные вот такого вида:
    < d 1C6 110 0700E55FD8000080
    < b 178 FFF 095801DB000000000000

    Интересно что есть что?
    B или D - это что? Прием или передача?
    Вторые два как я понял адрес девайса, и четвертый это данные?
    Это все прием судя по знаку ""<"
    b - это broadcast т.е. широковещательное сообщение, об этом говорит и адрес FFF
    d - это direct т.е. адресное сообщение, в данном случаее какой-то шлюз шлет голове сообщение
    07 и 09 - это длина сообщения
    ну а дальше само сообщение.

    Можно встречный вопрос, а как огранизовано подключение компа к голове? откуда RGB вход? У меня у друга тоже prius, правда без навигации, вот думаем как к нему компьютер подключить.
    Последний раз редактировалось ak1976; 15.06.2009 в 19:18.

  7. #67
    Пользователь
    Регистрация
    28.12.2008
    Возраст
    49
    Сообщений
    79
    Вес репутации
    229

    По умолчанию Re: AVCLan-mini или подключение к штатной голове Toyota

    Можно встречный вопрос, а как огранизовано подключение компа к голове? откуда RGB вход? У меня у друга тоже prius, правда без навигации, вот думаем как к нему компьютер подключить.[/QUOTE]

    У меня стоит штатная навигация, поэтому тут все просто, от нее RGB отрезал, к компу прилепил, чутка подшаманил частоты в повер стрипе Удобно включается БК штатной кнопкой включения навигации

    У меня новая прошивка как то не понятно работает... При включении вместо AVClan пишет только AV, может так и задумано? На авто еще не проверял, только залил...
    К стати не разобрался в терминале с фильтрами... Как ему указать чтоб убирал допустим все сообщения начинающиеся с "< b 178"
    Пробовал это в фильтре с условием deny, вообще пусто... Видимо, не совсем разобрался в настройках... Как обозначить чтоб он дальнейшие символы не учитывал аля: "< b 178*" тобишь чтоб смотрел только на начало, а какой конец без разницы?
    Без фильтра что то понять шансов нет, все летит с такой скоростью что не чего не понять... если писать лог, то синхронизировать во времени нажатие клавиши и время лога тоже крайне геморойно...
    А можно новую прошивку с увеличенным буфером ?
    Последний раз редактировалось LeonVS; 15.06.2009 в 19:47.

  8. #68
    Местный
    Регистрация
    04.06.2008
    Сообщений
    120
    Вес репутации
    415

    По умолчанию Re: AVCLan-mini или подключение к штатной голове Toyota

    Цитата Сообщение от LeonVS Посмотреть сообщение
    У меня новая прошивка как то не понятно работает... При включении вместо AVClan пишет только AV, может так и задумано? На авто еще не проверял, только залил...
    Должна писать AVCLan

    Цитата Сообщение от LeonVS Посмотреть сообщение
    К стати не разобрался в терминале с фильтрами... Как ему указать чтоб убирал допустим все сообщения начинающиеся с "< b 178"
    Пробовал это в фильтре с условием deny, вообще пусто... Видимо, не совсем разобрался в настройках... Как обозначить чтоб он дальнейшие символы не учитывал аля: "< b 178*" тобишь чтоб смотрел только на начало, а какой конец без разницы?
    Без фильтра что то понять шансов нет, все летит с такой скоростью что не чего не понять... если писать лог, то синхронизировать во времени нажатие клавиши и время лога тоже крайне геморойно...
    нужно сделать
    default_policy = permit
    filter_000 = \<\sb\s178.*
    где
    \< - это я знак "<" экранировал, точно не помню, но он может спецсимволом быть в регулярных выражениях. Хуже не будет
    \s - пробел
    .* - любое количество любых символов
    еще можно использовать
    \w - любая буква или цифра
    \d - любая цифра
    \d* - 0 или больше цифр
    \d+ - 1 или больше цифр
    \d{2} - 2 цифры

    Цитата Сообщение от LeonVS Посмотреть сообщение
    А можно новую прошивку с увеличенным буфером ?
    вот она avclan-mini-hex-20090615.rar

  9. #69
    Пользователь
    Регистрация
    28.12.2008
    Возраст
    49
    Сообщений
    79
    Вес репутации
    229

    По умолчанию Re: AVCLan-mini или подключение к штатной голове Toyota

    Спасибо за инфу!!!
    С фильтрами разобрался
    А вот доп ченжер так и не прописывается... Пробовал менять адреса отправляя с терминала команды, но результата нет... Не понятно, меняются они или нет, как опросить какие адреса на данный момент в контролерке? Хотя бы понять, выполняются ли команды...

  10. #70
    Администратор Аватар для Chip
    Регистрация
    08.06.2007
    Возраст
    56
    Сообщений
    13,381
    Вес репутации
    10

    По умолчанию Re: AVCLan-mini или подключение к штатной голове Toyota

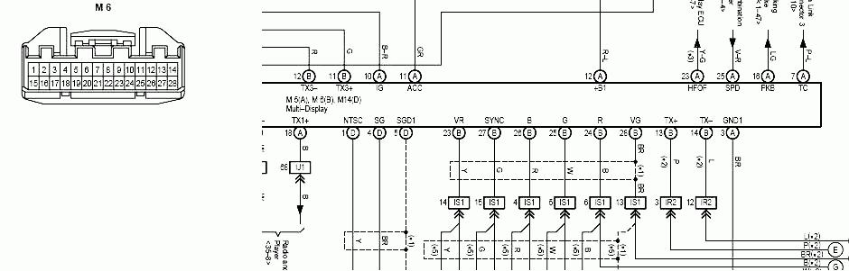
    Цитата Сообщение от LeonVS Посмотреть сообщение
    Можно встречный вопрос, а как огранизовано подключение компа к голове? откуда RGB вход? У меня у друга тоже prius, правда без навигации, вот думаем как к нему компьютер подключить.
    Подключается и работает без проблем, только адаптер должен выдавать в шину адрес нави.
    Миниатюры Миниатюры Нажмите на изображение для увеличения. 

Название:	Prius M6.jpg 
Просмотров:	546 
Размер:	40.9 Кб 
ID:	4714   Нажмите на изображение для увеличения. 

Название:	prs.jpg 
Просмотров:	719 
Размер:	42.1 Кб 
ID:	4715  
    Последний раз редактировалось Chip; 16.06.2009 в 01:45.

Страница 7 из 13 ПерваяПервая 12345678910111213 ПоследняяПоследняя

Информация о теме

Пользователи, просматривающие эту тему

Эту тему просматривают: 1 (пользователей: 0 , гостей: 1)

Ваши права

  • Вы не можете создавать новые темы
  • Вы не можете отвечать в темах
  • Вы не можете прикреплять вложения
  • Вы не можете редактировать свои сообщения
  •