Установил в машину ноутбук, постепенно буду описывать процесс, сложности, особенности.
Этап первый (выбор оборудования).
почитал форумы, посмотрел на железки, имеющиеся в продаже и пришел к выводу, что первоначально конфигурация будет следующей:
ноутбук MSI Wind U90 - 10500 руб (дополнительно куплен 1 Гиг ОЗУ - 500 руб)
тачскрин + матрица 7" - 5200 руб
SB Creative X-Fi Xtreme Audio Surround 5.1USB - 3600 руб
USB блютус модуль (куплен в Евросети) - 550 руб
USB радио Lart FM - 550 руб. (дополнительно в радиомагазине купил гнездо для автоантенны)
D-Link <DUB-H7> 7-port USB2.0 Hub - 780 руб.
GPS-навигатор GlobalSat BT-338 примерно 2-3 тыр. (мне его подарили на днюху пару лет назад)
два универсальных блока питания (один для USB хаба, второй для ноута) куплены в МЕТРО за общую сумму примерно в 1500 руб.
"двойник" для прикуривателя - 250 руб.
4-х канальный усилитель МаcтерКИТ BM2043 - примерно 900 руб
Линейный шумоподавитель Mystery MAD GL - 2 штуки по 350 руб
плюс мелочевка (реле, провода, кнопка)
Этап второй (выбор софта).
в качестве ОС изначально попробовал WinXP, которая была установлена на ноуте но не понравилась работа тачскрина, попробовал поставить Windows 7, тем более, что отзывы о ней неплохие. результат не разочаровал. все работает отлично. единственная проблема, с которой столкнулся - не захотел работать радиоприемник, но причину нашел, он по умолчанию отключен в устройствах. в Центрифуге запустил его через Радиатор.
в качестве оболочки Centrafuse 2.2
навигация - IGO 8 - сборка для CarPC 1.5 в связке с GPSGate (без нее регулярно терялся сигнал от GPS приемника)
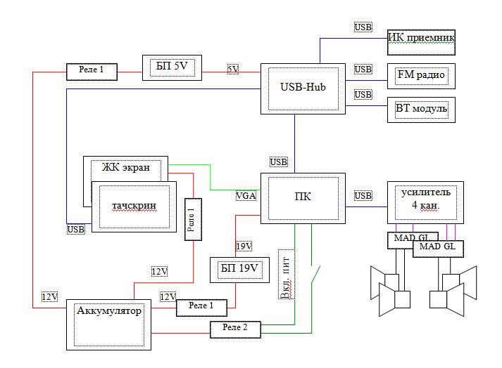
Этап третий (соединение компонентов)
схема соединения:
![]()





Ответить с цитированием