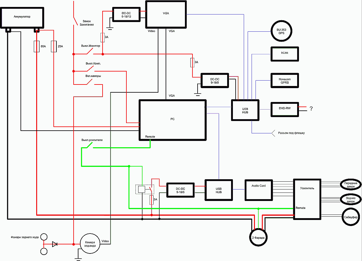
Пока закупаются комплектующие выкладываю на общий суд эл.схему.
За советы - заранее благодарен
Комп - TRACER V1500
Монитор - CTF 700H http://www.cartft.com/catalog/il/541
GPS - Global Sat BU-353
DC-DC 9-18/5 -
DC-DC 9-18/5 - СD-15A-12 (12v 1,25A)
IrLink- IrLinkПульт на руль Pioner CD-SR110
Аккустика в салон - Helix E136 http://www.audiomobile.ru/life/13688.html 2-а комплекта
В планах :
1.Усь Alpine MRV-F450 http://www.magnitola.ru/Alpine-MRV-F450-p-712.html
2Саб Alpine SWS 1242D http://www.magnitola.ru/Alpine-SWS-1242D-p-3026.html
3.Аудио карта - ХЗ
4.DWD-RW - ХЗ
Штатная магнитола, как я понял, линейного выхода не имеет - как вариант взять преобразователь с колоночных выходов в линейный и в LineIn компа...




Ответить с цитированием
