Страница 125 из 156 ПерваяПервая ... 2575115119120121122123124125126127128129130131135 ... ПоследняяПоследняя
Показано с 1,241 по 1,250 из 1556
  1. #1241
    Гуру Аватар для (vS)
    Регистрация
    18.06.2007
    Возраст
    48
    Сообщений
    1,981
    Вес репутации
    708

    По умолчанию Re: Инструкции, драйвера для подключения Штатного монитора в Toyota Lexus

    Цитата Сообщение от rem1969 Посмотреть сообщение
    Подскажите кто знает как исправить проблему, медленно изображение сьежает вверх мамам Zotac-630 авто MARKII 2001 110 кузов С настройками уже замучался , изображение отличное но кадры плавают. На другой маме работало все отлично, что делаю не так?
    смеситель сделайн на ЛП5
    автоMOBILEвый моDDEр
    мой карпутер второй очередной

  2. #1242
    Пользователь Аватар для rem1969
    Регистрация
    19.05.2008
    Возраст
    56
    Сообщений
    72
    Вес репутации
    234

    По умолчанию Re: Инструкции, драйвера для подключения Штатного монитора в Toyota Lexus

    Цитата Сообщение от Chip Посмотреть сообщение
    скриншот настроек нужно глянуть
    Сейчас не могу машина в гараже, может с синхрой что не так, я поставил сопр. по 100 на гигавской мама работало хорошо композита небыло. Да еще работает с разрешением только 600X480 причем видимость отличная только кадры очень медленно съезжают, при установки 800X648 слетает и поверстрипом не могу вытянуть.

  3. #1243
    Пользователь Аватар для rem1969
    Регистрация
    19.05.2008
    Возраст
    56
    Сообщений
    72
    Вес репутации
    234

    По умолчанию Re: Инструкции, драйвера для подключения Штатного монитора в Toyota Lexus

    Цитата Сообщение от (vS) Посмотреть сообщение
    смеситель сделайн на ЛП5
    ОК! Завтра пойду искать ЛП5. Спасибо.

  4. #1244
    Пользователь
    Регистрация
    13.06.2009
    Сообщений
    38
    Вес репутации
    214

    По умолчанию Re: Инструкции, драйвера для подключения Штатного монитора в Toyota Lexus

    а как узнать есть у меня в машине AVC разьем этот где данные?навигация стояла до меня говорят но незнаю какая!разьемы какие то есть но сейчас на место нави поставлен моник и комп работает хотел бы AVC-LAN подключить чтоб TripComp сделать!получится ли эта затея?какие данные можно оттуда вытянуть?машина тойота калдина 2002г 246 кузов
    Последний раз редактировалось ewgen1; 01.12.2009 в 23:23.

  5. #1245
    Гуру Аватар для (vS)
    Регистрация
    18.06.2007
    Возраст
    48
    Сообщений
    1,981
    Вес репутации
    708

    По умолчанию Re: Инструкции, драйвера для подключения Штатного монитора в Toyota Lexus

    в калдине нету трипа
    автоMOBILEвый моDDEр
    мой карпутер второй очередной

  6. #1246
    Пользователь
    Регистрация
    13.06.2009
    Сообщений
    38
    Вес репутации
    214

    По умолчанию Re: Инструкции, драйвера для подключения Штатного монитора в Toyota Lexus

    там стояла Система Multivision помоему вот эта http://www.caldina-club.com/viewtopic.php?f=19&t=3136 сейчас через ОБД в центрифуге показывает параметры но расход топлива нигде никак!у меня еще движка с непосредственным впрыском.в какой проге есть расход топлива для такого движка?
    Последний раз редактировалось ewgen1; 01.12.2009 в 23:45.

  7. #1247
    Гуру Аватар для (vS)
    Регистрация
    18.06.2007
    Возраст
    48
    Сообщений
    1,981
    Вес репутации
    708

    По умолчанию Re: Инструкции, драйвера для подключения Штатного монитора в Toyota Lexus

    этот мультивижн у меня под столом валяется, нету там трипа
    автоMOBILEвый моDDEр
    мой карпутер второй очередной

  8. #1248
    Пользователь Аватар для rem1969
    Регистрация
    19.05.2008
    Возраст
    56
    Сообщений
    72
    Вес репутации
    234

    По умолчанию Re: Инструкции, драйвера для подключения Штатного монитора в Toyota Lexus

    Подскажите пожалуйста чем, либо как можно заменить ЛП5, дело в том что в моем городе проблема купить ее, а ждать с Москвы долговато

  9. #1249
    Гуру Аватар для (vS)
    Регистрация
    18.06.2007
    Возраст
    48
    Сообщений
    1,981
    Вес репутации
    708

    По умолчанию Re: Инструкции, драйвера для подключения Штатного монитора в Toyota Lexus

    можно сделать из ЛА3, но вот как уже не помню...
    ЛА3 это 2И-НЕ, ЛП5 это исключающее ИЛИ.
    вроде надо из 2х элементов ЛА3 сделать инверторы, и их выходы подключить на вход третьего, входы первых будут входы, выход третьего выход...


  10. #1250
    Администратор Аватар для Chip
    Регистрация
    08.06.2007
    Возраст
    56
    Сообщений
    13,381
    Вес репутации
    10

    По умолчанию Re: Инструкции, драйвера для подключения Штатного монитора в Toyota Lexus

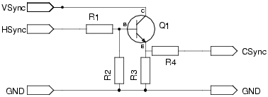
    А еще на транзисторе можно сделать и без питания
    Миниатюры Миниатюры Нажмите на изображение для увеличения. 

Название:	schematic.png 
Просмотров:	3610 
Размер:	5.4 Кб 
ID:	6759  

Страница 125 из 156 ПерваяПервая ... 2575115119120121122123124125126127128129130131135 ... ПоследняяПоследняя

Информация о теме

Пользователи, просматривающие эту тему

Эту тему просматривают: 13 (пользователей: 0 , гостей: 13)

Ваши права

  • Вы не можете создавать новые темы
  • Вы не можете отвечать в темах
  • Вы не можете прикреплять вложения
  • Вы не можете редактировать свои сообщения
  •