Страница 4 из 4 ПерваяПервая 1234
Показано с 31 по 38 из 38

Тема: десяточка

  1. #31
    Продвинутый Аватар для vovicus62
    Регистрация
    10.07.2009
    Возраст
    54
    Сообщений
    238
    Вес репутации
    255

    По умолчанию Re: десяточка

    Цитата Сообщение от KhaS Посмотреть сообщение
    вот только его кто-нибудь может неудачно ногами затоптать
    всё продумано до мулиметра!,незатопчут,я там пластину впердолю,и ковриком накрою
    Lilliput 629/619/Zotac 8300 mATX/AMD X2 250/Samsung 320G/M2-Itx/dvd sony AD 7593s/OBD-ORION/Tv-Fm-GPS PILOT

  2. #32
    Новичок
    Регистрация
    28.06.2010
    Возраст
    43
    Сообщений
    8
    Вес репутации
    197

    По умолчанию Re: десяточка

    Цитата Сообщение от vovicus62 Посмотреть сообщение
    пластину впердолю,и ковриком накрою
    ... и в машину пускать никого не буду
    я в свою очередь собираю комп в бардачке используя его непосредственно в качестве корпуса, минусов данного решения не усмотрел, а главный плюс в том что наконец то там порядочек будет

  3. #33
    Продвинутый Аватар для vovicus62
    Регистрация
    10.07.2009
    Возраст
    54
    Сообщений
    238
    Вес репутации
    255

    По умолчанию Re: десяточка

    всем привет! отремонтировал фотик по акции,поменяли матрицу ,потихоньку продолжаю!
    я тут нарыл вот такую камеру,висела на потолке в полусфере
    вот думаю кудабы её в машину приспособить!?
    камера Ч\Б
    1 вариант,на лобовое стекло,через тв тюнер,типа видеорегистрация
    2 вариант,на камеру заднего хода,но она изображение не переворачивает
    у неё 4 контактный штекер,+,-,видео,а вот для чего интересно четвертый ?
    Миниатюры Миниатюры Нажмите на изображение для увеличения. 

Название:	камера топ1.jpg 
Просмотров:	379 
Размер:	302.0 Кб 
ID:	9393   Нажмите на изображение для увеличения. 

Название:	камера bott.jpg 
Просмотров:	399 
Размер:	336.7 Кб 
ID:	9394  
    Последний раз редактировалось vovicus62; 04.08.2010 в 15:58.
    Lilliput 629/619/Zotac 8300 mATX/AMD X2 250/Samsung 320G/M2-Itx/dvd sony AD 7593s/OBD-ORION/Tv-Fm-GPS PILOT

  4. #34
    Продвинутый Аватар для vovicus62
    Регистрация
    10.07.2009
    Возраст
    54
    Сообщений
    238
    Вес репутации
    255

    По умолчанию Re: десяточка

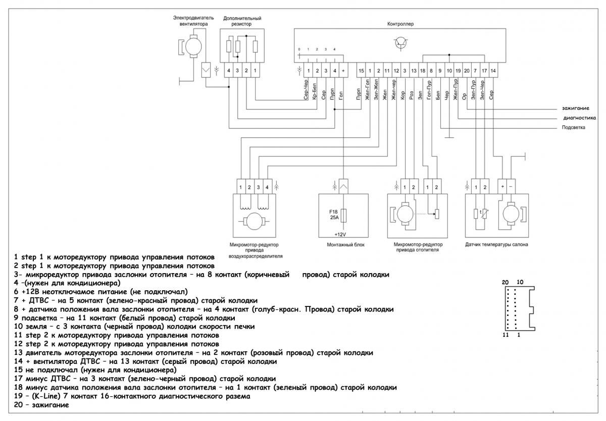
    решил проблемы с вентиляцией,отоплением,распределением потоков воздуха,путём интеграции блока САУО с тремя крутилками,и шагового двигателя от приоры

    кто будет повторять вот схемки,цоколёвки!
    Миниатюры Миниатюры Нажмите на изображение для увеличения. 

Название:	морда.jpg 
Просмотров:	600 
Размер:	74.8 Кб 
ID:	9399   Нажмите на изображение для увеличения. 

Название:	схема сауо приора.jpg 
Просмотров:	872 
Размер:	122.1 Кб 
ID:	9400  
    Последний раз редактировалось vovicus62; 05.08.2010 в 04:10.
    Lilliput 629/619/Zotac 8300 mATX/AMD X2 250/Samsung 320G/M2-Itx/dvd sony AD 7593s/OBD-ORION/Tv-Fm-GPS PILOT

  5. #35
    Продвинутый Аватар для vovicus62
    Регистрация
    10.07.2009
    Возраст
    54
    Сообщений
    238
    Вес репутации
    255

    По умолчанию Re: десяточка

    20ти контактный разъём САУО фиг где купиш,идёт в составе жгута к панели приоры.
    Подходит как родной от иммобилайзера
    Миниатюры Миниатюры Нажмите на изображение для увеличения. 

Название:	разъём иммо.jpg 
Просмотров:	1260 
Размер:	145.2 Кб 
ID:	9401  
    Lilliput 629/619/Zotac 8300 mATX/AMD X2 250/Samsung 320G/M2-Itx/dvd sony AD 7593s/OBD-ORION/Tv-Fm-GPS PILOT

  6. #36
    Пользователь Аватар для Athlon
    Регистрация
    18.05.2008
    Возраст
    39
    Сообщений
    51
    Вес репутации
    231

    По умолчанию Re: десяточка

    Цитата Сообщение от vovicus62 Посмотреть сообщение
    всем привет! отремонтировал фотик по акции,поменяли матрицу ,потихоньку продолжаю!
    я тут нарыл вот такую камеру,висела на потолке в полусфере
    вот думаю кудабы её в машину приспособить!?
    камера Ч\Б
    1 вариант,на лобовое стекло,через тв тюнер,типа видеорегистрация
    2 вариант,на камеру заднего хода,но она изображение не переворачивает
    у неё 4 контактный штекер,+,-,видео,а вот для чего интересно четвертый ?
    Четвёртый для звука, в ней ещё микрофон есть.
    Можно поискать даташит на микросхемы, у многих камер переворот изображения легко делается перемычкой в нужном месте

  7. #37
    Продвинутый Аватар для vovicus62
    Регистрация
    10.07.2009
    Возраст
    54
    Сообщений
    238
    Вес репутации
    255

    По умолчанию Re: десяточка

    Цитата Сообщение от Athlon Посмотреть сообщение
    Четвёртый для звука, в ней ещё микрофон есть.
    Можно поискать даташит на микросхемы, у многих камер переворот изображения легко делается перемычкой в нужном месте
    ух ты!,точно микрофон,никогда сам бы недодумался ,спасиб
    а проц там MN5233,даташит неполучилось откопать
    Lilliput 629/619/Zotac 8300 mATX/AMD X2 250/Samsung 320G/M2-Itx/dvd sony AD 7593s/OBD-ORION/Tv-Fm-GPS PILOT

  8. #38
    Пользователь Аватар для Athlon
    Регистрация
    18.05.2008
    Возраст
    39
    Сообщений
    51
    Вес репутации
    231

    По умолчанию Re: десяточка

    Цитата Сообщение от vovicus62 Посмотреть сообщение
    ух ты!,точно микрофон,никогда сам бы недодумался ,спасиб
    а проц там MN5233,даташит неполучилось откопать
    Посмотрел даташиты на другие модели в серии.
    Если я правильно понял, должна быть ещё микросхема на плате, посмотри внимательнее

Страница 4 из 4 ПерваяПервая 1234

Информация о теме

Пользователи, просматривающие эту тему

Эту тему просматривают: 1 (пользователей: 0 , гостей: 1)

Ваши права

  • Вы не можете создавать новые темы
  • Вы не можете отвечать в темах
  • Вы не можете прикреплять вложения
  • Вы не можете редактировать свои сообщения
  •