Страница 13 из 18 ПерваяПервая ... 3789101112131415161718 ПоследняяПоследняя
Показано с 121 по 130 из 174
  1. #121
    Администратор Аватар для Chip
    Регистрация
    08.06.2007
    Возраст
    56
    Сообщений
    13,381
    Вес репутации
    10

    По умолчанию Re: Монитор в Nissan Almera Tino

    А какой сигнал выходит с DVD ?

  2. #122
    Новичок Аватар для SERGEY FRG
    Регистрация
    12.06.2009
    Возраст
    53
    Сообщений
    13
    Вес репутации
    211

    По умолчанию Re: Монитор в Nissan Almera Tino

    Цитата Сообщение от Chip Посмотреть сообщение
    А какой сигнал выходит с DVD ?
    С ДВД выход. автоматически PAL- HTCN или как он японс.сигнал
    ДВД имеет 2 выхода тюльпана для задних мониторов
    Пробовал через К.З.Х строчка бежит в независимости от сигнала

    Нави не видел ещё долеко лезти к нему надо полсалона вынести он под водит. сидением
    Миниатюры Миниатюры Нажмите на изображение для увеличения. 

Название:	111 013.jpg 
Просмотров:	609 
Размер:	81.1 Кб 
ID:	9750   Нажмите на изображение для увеличения. 

Название:	111 014.jpg 
Просмотров:	471 
Размер:	61.7 Кб 
ID:	9751  
    Последний раз редактировалось SERGEY FRG; 16.09.2010 в 02:28.

  3. #123
    Новичок Аватар для SERGEY FRG
    Регистрация
    12.06.2009
    Возраст
    53
    Сообщений
    13
    Вес репутации
    211

    По умолчанию Re: Монитор в Nissan Almera Tino

    Ивиняюсь дал не правильные картинки
    Вот для моего случая ДвигательYD22DDT
    А те были для Премьеры 12
    Миниатюры Миниатюры Нажмите на изображение для увеличения. 

Название:	1.jpg 
Просмотров:	678 
Размер:	49.3 Кб 
ID:	9752   Нажмите на изображение для увеличения. 

Название:	2.jpg 
Просмотров:	583 
Размер:	57.6 Кб 
ID:	9753   Нажмите на изображение для увеличения. 

Название:	3.jpg 
Просмотров:	622 
Размер:	52.7 Кб 
ID:	9754   Нажмите на изображение для увеличения. 

Название:	512 001.JPG 
Просмотров:	396 
Размер:	136.3 Кб 
ID:	9757  

    Нажмите на изображение для увеличения. 

Название:	3390_PIC_0192_4.jpg 
Просмотров:	443 
Размер:	24.3 Кб 
ID:	9758  
    Последний раз редактировалось SERGEY FRG; 16.09.2010 в 02:35.

  4. #124
    Новичок
    Регистрация
    17.09.2010
    Сообщений
    1
    Вес репутации
    0

    По умолчанию Re: Монитор в Nissan Almera Tino

    Здраствуйте
    Вопрос не только к автору топика, но и ко всем кто владеет информацией о мониторах (CC5W-3002P) в Almera Tino или в P12 без Нави.
    Задача, которая уже много раз здесь обсуждалась, снять изображение со штатного монитора и выдать его на другой.
    Если я правильно понял, на фото (CN202) показан RGB-выход с которого можно снять картинку?
    Вопрос, присутствует ли информация на этом выходе постоянно или его нужно сначало активировать?
    Или я не прав и это вход на штатный монитор?
    Миниатюры Миниатюры Нажмите на изображение для увеличения. 

Название:	user121669_pic9689_1234474264.jpg 
Просмотров:	1246 
Размер:	95.3 Кб 
ID:	9780  
    Последний раз редактировалось wdsi; 18.09.2010 в 01:16.

  5. #125
    Администратор Аватар для Chip
    Регистрация
    08.06.2007
    Возраст
    56
    Сообщений
    13,381
    Вес репутации
    10

    По умолчанию Re: Монитор в Nissan Almera Tino

    Без схемы сложно сказать

  6. #126
    Новичок Аватар для SERGEY FRG
    Регистрация
    12.06.2009
    Возраст
    53
    Сообщений
    13
    Вес репутации
    211

    По умолчанию Re: Монитор в Nissan Almera Tino

    Цитата Сообщение от Chip Посмотреть сообщение
    Без схемы сложно сказать
    Какие именно схемы интересуют

  7. #127
    Администратор Аватар для Chip
    Регистрация
    08.06.2007
    Возраст
    56
    Сообщений
    13,381
    Вес репутации
    10

    По умолчанию Re: Монитор в Nissan Almera Tino

    Схема головы вашего авто

  8. #128
    Новичок Аватар для SERGEY FRG
    Регистрация
    12.06.2009
    Возраст
    53
    Сообщений
    13
    Вес репутации
    211

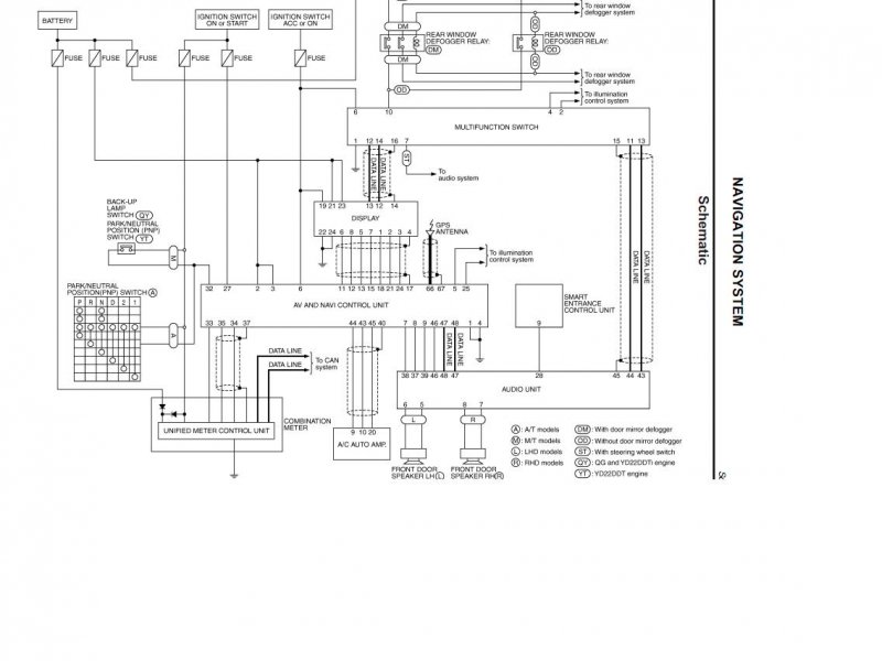
    По умолчанию Re: Монитор в Nissan Almera Tino

    именно фото микро схем или так

    Хотел ещё одну дать но не идёт
    попробую по другому
    Миниатюры Миниатюры Нажмите на изображение для увеличения. 

Название:	Схема чипа.jpg 
Просмотров:	1087 
Размер:	76.7 Кб 
ID:	10061  
    Последний раз редактировалось SERGEY FRG; 18.10.2010 в 01:19.

  9. #129
    Администратор Аватар для Chip
    Регистрация
    08.06.2007
    Возраст
    56
    Сообщений
    13,381
    Вес репутации
    10

    По умолчанию Re: Монитор в Nissan Almera Tino

    Именно эту схему и нужно , только покрупнее, а то не читаются некоторые надписи

  10. #130
    Новичок Аватар для SERGEY FRG
    Регистрация
    12.06.2009
    Возраст
    53
    Сообщений
    13
    Вес репутации
    211

    По умолчанию Re: Монитор в Nissan Almera Tino

    Цитата Сообщение от Chip Посмотреть сообщение
    Именно эту схему и нужно , только покрупнее, а то не читаются некоторые надписи

Страница 13 из 18 ПерваяПервая ... 3789101112131415161718 ПоследняяПоследняя

Информация о теме

Пользователи, просматривающие эту тему

Эту тему просматривают: 1 (пользователей: 0 , гостей: 1)

Метки этой темы

Ваши права

  • Вы не можете создавать новые темы
  • Вы не можете отвечать в темах
  • Вы не можете прикреплять вложения
  • Вы не можете редактировать свои сообщения
  •