
Сообщение от
Electron
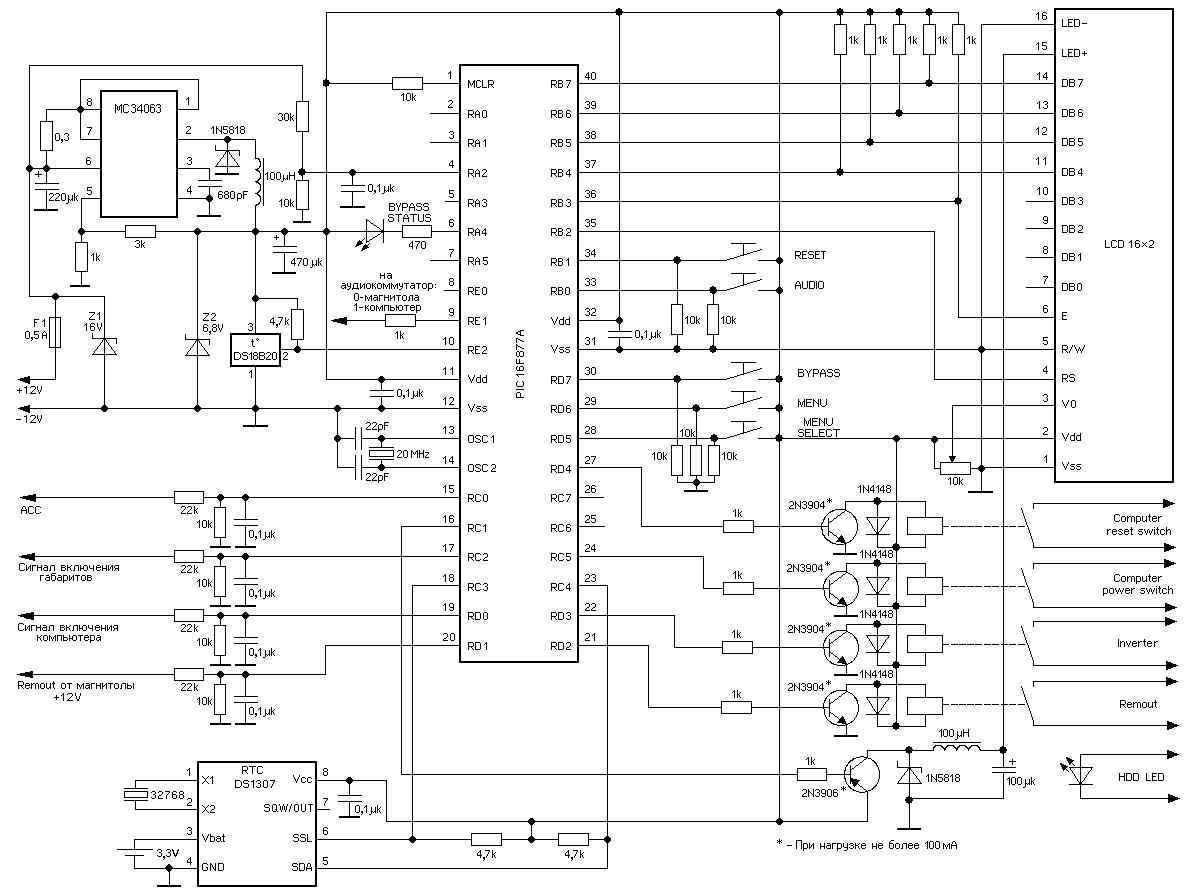
Микросхема часов очень чувствительна к наводкам, пока схема была на макетке, работала только при полном экранировании, иначе срывалась генерация. Согласно даташиту необходимо земляное кольцо вокруг дорожек к кварцу. Какое значение показывает термометр? Обновление его показаний происходит раз в минуту и привязано к первой секунде.