Страница 3 из 4 ПерваяПервая 1234 ПоследняяПоследняя
Показано с 21 по 30 из 31
  1. #21
    Продвинутый Аватар для didos
    Регистрация
    11.03.2008
    Возраст
    52
    Сообщений
    290
    Вес репутации
    308

    По умолчанию Re: Разьем питания для CarPC

    Временно в один из компов поставил разьем питания от ide жесткого диска, оказалось очень удобно, менять не стал, 4 контакта (земля, плюс, зажигание и сигнальный на включение питания хабов), то что доктор прописал

  2. #22
    Пользователь
    Регистрация
    12.02.2008
    Сообщений
    34
    Вес репутации
    230

    По умолчанию Re: Разьем питания для CarPC

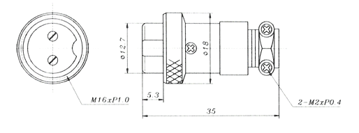
    Тоже в Митино, но на развале у частников подобрал чудо военпрома СССР разъем ШР на резьбе.
    Вот такой только с тремя контактами
    Название: Спецификация1.JPG
Просмотров: 6377

Размер: 8.9 Кб

    Это его хар-и
    Нажмите на изображение для увеличения. 

Название:	Спецификация.JPG 
Просмотров:	1545 
Размер:	17.8 Кб 
ID:	8928
    Моя стройка здесь http://forum.pccar.ru/showthread.php?t=3574

  3. #23
    Продвинутый Аватар для Z@GR
    Регистрация
    02.10.2008
    Сообщений
    325
    Вес репутации
    284

    По умолчанию Re: Разьем питания для CarPC

    Цитата Сообщение от Bonifacij Посмотреть сообщение
    Тоже в Митино, но на развале у частников подобрал чудо военпрома СССР разъем ШР на резьбе.
    Вот такой только с тремя контактами
    Название: Спецификация1.JPG
Просмотров: 6377

Размер: 8.9 Кб

    Это его хар-и
    Нажмите на изображение для увеличения. 

Название:	Спецификация.JPG 
Просмотров:	1545 
Размер:	17.8 Кб 
ID:	8928
    ага - я такой купил, но не стал ставить - уж больно он устрашающе выглядит
    а так конечно вариант хороший, железный и прочный

  4. #24
    Новичок
    Регистрация
    30.12.2009
    Возраст
    62
    Сообщений
    9
    Вес репутации
    203

    По умолчанию Re: Разьем питания для CarPC

    Поставил XLR-ы "на панель" 2 штуки, причем одну штуку - "папу" на плюс, другую - "маму" на минус (дабы не перепутать полюса). Каждый контакт разъема расчитан на 5 ампер, поэтому запараллелил в каждом разъеме пару контактов. третий контакт с "минусового" разъема идет на ACC, третий контакт "плюсового" - +12В на питание монитора через предохранитель 1А. Монитор в стендбае потребляет мизер, поэтому не парюсь, что подключен постоянно.
    ЗЫ. Да, система потребляет 5,5А в максимуме - ZOTAC GeForce 9300, Celeron E3200, 4Гб, HDD 120 2,5", slim DVD, M2-ITX
    Последний раз редактировалось Helix; 06.07.2010 в 16:39.

  5. #25
    Пользователь Аватар для Skanch
    Регистрация
    02.01.2010
    Возраст
    60
    Сообщений
    37
    Вес репутации
    208

    По умолчанию Re: Разьем питания для CarPC

    Согласен с Bonifacij. Надежней "советских" разъемов трудно что-то найти.XLR горят- менял уже два раза. Поставил 2РМ. Выглядят,конечно тяжеловато, зато ни тряска,ни перегревы,а тем более плохой контакт не страшны.
    Нажмите на изображение для увеличения. 

Название:	P10300431.jpg 
Просмотров:	1472 
Размер:	139.1 Кб 
ID:	10266

  6. #26
    Продвинутый Аватар для MiD_E34
    Регистрация
    11.01.2008
    Сообщений
    492
    Вес репутации
    325

    По умолчанию Re: Разьем питания для CarPC

    +1: особенно с золоченными контактами. В свое время нашел на свалке гору кабелей, посмотрел - а они все золоченые. Сдал потом 2 полиэтиленовых мешка на рынке.
    X-Trail,2010
    i5 Intel 3.5" board, DC-DC PS, 4G, W8.1x64, iCar, CityG.

  7. #27
    Пользователь Аватар для Skanch
    Регистрация
    02.01.2010
    Возраст
    60
    Сообщений
    37
    Вес репутации
    208

    По умолчанию Re: Разьем питания для CarPC

    Нажмите на изображение для увеличения. 

Название:	mic8040b.png 
Просмотров:	1440 
Размер:	19.1 Кб 
ID:	10709
    Нажмите на изображение для увеличения. 

Название:	miniXLR5.jpg 
Просмотров:	1399 
Размер:	23.7 Кб 
ID:	10710Попробовал такой Mini XLR -очень понравился. Использовал с тремя контактами, сечением примерно 4.0 квадрата. Фиксация получается жесткая и контакты не болтаются. По цене примерно 80 руб. комплект.

  8. #28
    Наисистемниший Аватар для Stasik
    Регистрация
    09.06.2008
    Возраст
    45
    Сообщений
    595
    Вес репутации
    434

    По умолчанию Re: Разьем питания для CarPC

    Цитата Сообщение от Skanch Посмотреть сообщение
    Нажмите на изображение для увеличения. 

Название:	mic8040b.png 
Просмотров:	1440 
Размер:	19.1 Кб 
ID:	10709
    Нажмите на изображение для увеличения. 

Название:	miniXLR5.jpg 
Просмотров:	1399 
Размер:	23.7 Кб 
ID:	10710Попробовал такой Mini XLR -очень понравился. Использовал с тремя контактами, сечением примерно 4.0 квадрата. Фиксация получается жесткая и контакты не болтаются. По цене примерно 80 руб. комплект.
    Где продается?

  9. #29
    Пользователь Аватар для Skanch
    Регистрация
    02.01.2010
    Возраст
    60
    Сообщений
    37
    Вес репутации
    208

    По умолчанию Re: Разьем питания для CarPC

    Покупал в "Микронике"http://www.micronika.ru/docs/contactors/xlr.shtml в Питере. В Москве-http://www.1-cable.ru/models/26015-0501.html "Первая кабельная компания".

  10. #30
    Пользователь
    Регистрация
    19.06.2009
    Возраст
    55
    Сообщений
    85
    Вес репутации
    225

    По умолчанию Re: Разьем питания для CarPC

    Вот еще в Блатане есть. Правда без фоток.
    Последний раз редактировалось Alex-L; 12.01.2011 в 00:55.

Страница 3 из 4 ПерваяПервая 1234 ПоследняяПоследняя

Информация о теме

Пользователи, просматривающие эту тему

Эту тему просматривают: 1 (пользователей: 0 , гостей: 1)

Ваши права

  • Вы не можете создавать новые темы
  • Вы не можете отвечать в темах
  • Вы не можете прикреплять вложения
  • Вы не можете редактировать свои сообщения
  •