Страница 21 из 70 ПерваяПервая ... 111516171819202122232425262731 ... ПоследняяПоследняя
Показано с 201 по 210 из 697
  1. #201
    Администратор Аватар для Chip
    Регистрация
    08.06.2007
    Возраст
    56
    Сообщений
    13,381
    Вес репутации
    10

    По умолчанию Re: Адаптер рулевых кнопок.

    А схема кнопок есть?

  2. #202
    Пользователь Аватар для subscriber
    Регистрация
    27.08.2008
    Возраст
    45
    Сообщений
    34
    Вес репутации
    219

    Радость Re: Адаптер рулевых кнопок.

    chip, есть пара вопросов по адаптеру.
    Покупал адаптер на carmonitor.ru
    1. Как будет работать адаптер в хабе D-link DUB-H7 ? В компе слишком мало USB , есть желание подключить к хабу . Хаб будет находится в торпеде с дополнительным питанием.
    2. Есть ли какие нибудь тонкости подключения согласно такой схемы



    3. Не могу понять как подключается кнопка голосового набора находящаяся на правом блоке кнопок (не понимаю где она на схеме)



    Спасибо

  3. #203
    Администратор Аватар для Chip
    Регистрация
    08.06.2007
    Возраст
    56
    Сообщений
    13,381
    Вес репутации
    10

    По умолчанию Re: Адаптер рулевых кнопок.

    1- должен работать, я не проверял
    2-нужно соединить SW1+SW2 между собой через резистор 200 ом

  4. #204
    Пользователь Аватар для subscriber
    Регистрация
    27.08.2008
    Возраст
    45
    Сообщений
    34
    Вес репутации
    219

    Радость Re: Адаптер рулевых кнопок.

    Подключил кнопки в машине, резистор поставил по вашей рекомендации 200ом

    1.У кнопок off hook и vol + получилось практически одинаковое сопротивление.
    542 и 545 (по показаниям hotkey.exe), показания плавают от 3-5 единиц, что можно сделать?

    2. Возможно ли как то в программе учитывать длительное и короткое нажатие рулевых кнопок ? хочется добавить на кнопки seek+ и seek- возможности перемотки трека при длинном нажатии.

    3. Адаптер конфликтуют с адаптером elm327 (ftdi), возможно ли исправить ситуацию по этой инструкции http://www.compcar.ru/forum/showpost...77&postcount=1

    4. В программе Hotkey.exe удалил все звуки из папки, а она все равно пищит при запуске . Как можно этот звук отключить ?
    Последний раз редактировалось subscriber; 08.08.2011 в 16:01.

  5. #205
    Администратор Аватар для Chip
    Регистрация
    08.06.2007
    Возраст
    56
    Сообщений
    13,381
    Вес репутации
    10

    По умолчанию Re: Адаптер рулевых кнопок.

    Может быть ты поставил не 200 ом?
    (Vol+)-1к и (Hook)-1к, в итоге должно получится 1,2к и 1к

  6. #206
    Пользователь Аватар для subscriber
    Регистрация
    27.08.2008
    Возраст
    45
    Сообщений
    34
    Вес репутации
    219

    По умолчанию Re: Адаптер рулевых кнопок.

    Chip, скорей всего перепутал так как была горсть этих резисторов, может не тот подключил. Сегодня придется разбирать и проверять .

    P.S: Chip , можешь ответить на остальные вопросы ?

  7. #207
    Администратор Аватар для Chip
    Регистрация
    08.06.2007
    Возраст
    56
    Сообщений
    13,381
    Вес репутации
    10

    По умолчанию Re: Адаптер рулевых кнопок.

    2-можно, для этого нужно залить другой скетч
    3-решаемо
    4-нужно не удалять а заменить на пустой wave с тем же именем

  8. #208
    Новичок
    Регистрация
    12.07.2011
    Возраст
    38
    Сообщений
    6
    Вес репутации
    179

    По умолчанию Re: Адаптер рулевых кнопок.

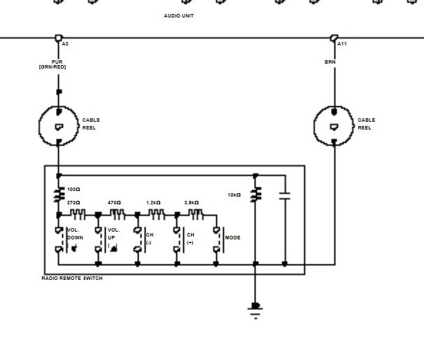
    Добрый день, тут уже задавались вопросы, но как можно подключить адаптер параллельно штатным кнопкам так, чтобы ничего не требовалось вручную переключать? Просто на магнитоле используется стандартное радио и сд, а carPC только в режиме aux.
    Спасибо

    PS: просто однозначного ответа не нашел, я так понимаю можно теоретически замерить выходное напряжение на магнитоле в моменты нажатия и бездействия кнопок и уже исходя из этого сделать соответствующую прошивку адаптера?

    Remote.jpg
    Последний раз редактировалось NickK; 06.09.2011 в 14:13.

  9. #209
    Администратор Аватар для Chip
    Регистрация
    08.06.2007
    Возраст
    56
    Сообщений
    13,381
    Вес репутации
    10

    По умолчанию Re: Адаптер рулевых кнопок.

    просто однозначного ответа не нашел, я так понимаю можно теоретически замерить выходное напряжение на магнитоле в моменты нажатия и бездействе исходя из этого сделать соответствующую прошивку адаптера?
    А если включена магнитола и компьютер?
    Как вариант , можно переключать с компьютере на магнитолу определенной комбинацией кнопок, но это только индивидуально под каждый автомобиль прошивку править , так как у всех разные сопротивления
    Последний раз редактировалось Chip; 06.09.2011 в 17:13.

  10. #210
    Новичок
    Регистрация
    12.07.2011
    Возраст
    38
    Сообщений
    6
    Вес репутации
    179

    По умолчанию Re: Адаптер рулевых кнопок.

    Цитата Сообщение от Chip Посмотреть сообщение
    А если включена магнитола и компьютер?
    Как вариант , можно переключать с компьютере на магнитолу определенной комбинацией кнопок, но это только индивидуально под каждый автомобиль прошивку править , так как у всех разные сопротивления
    Регулировка громкости должна оставаться на магнитоле. Вообще главное чтоб они работали параллельно: в режиме aux на магнитоле работают кнопки громкости и mode, кнопки CH+, CH- ничего не меняют, вот их и надо чтоб ловил компьютер. В случае же если aux отключен то мне абсолютно все равно что там кнопки отправляют в комп, он все равно не является источником вывода звука. А по поводу параллельного подключения проводов... не очень разбираюсь, но разве если убрать питание с адаптера и использовать его просто как вольтметр он не будет работать? Магнитола то постоянно выдает свои +12 ил что то там.

Страница 21 из 70 ПерваяПервая ... 111516171819202122232425262731 ... ПоследняяПоследняя

Информация о теме

Пользователи, просматривающие эту тему

Эту тему просматривают: 1 (пользователей: 0 , гостей: 1)

Ваши права

  • Вы не можете создавать новые темы
  • Вы не можете отвечать в темах
  • Вы не можете прикреплять вложения
  • Вы не можете редактировать свои сообщения
  •