Страница 2 из 3 ПерваяПервая 123 ПоследняяПоследняя
Показано с 11 по 20 из 23
  1. #11
    Новичок
    Регистрация
    13.08.2012
    Сообщений
    11
    Вес репутации
    172

    По умолчанию Re: Carduino Nano - stk500_getsync(): not in sync: resp=0x00

    Цитата Сообщение от Chip Посмотреть сообщение
    Программатор есть? Какой?
    Нет никакого, микроконтроллеры не программировал (не было необходимости), вот, хотел приобщиться, не получилось как-то сразу.

  2. #12
    Администратор Аватар для Chip
    Регистрация
    08.06.2007
    Возраст
    56
    Сообщений
    13,381
    Вес репутации
    10

    По умолчанию Re: Carduino Nano - stk500_getsync(): not in sync: resp=0x00

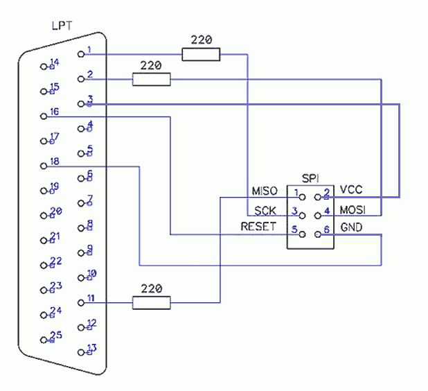
    Для прошивки бутлодера из под Arduino-IDE, придётся собрать простенький программатор. Длина проводов программатора не должна превышать 15см
    Нажмите на изображение для увеличения. 

Название:	stk.png 
Просмотров:	1291 
Размер:	8.4 Кб 
ID:	14650

    Подключаем шнурок к компьютеру, запускаем IDE выбираем тип контроллера
    Нажмите на изображение для увеличения. 

Название:	board.png 
Просмотров:	1290 
Размер:	11.3 Кб 
ID:	14651

    Выбираем команду прошить, LPT программатором
    Нажмите на изображение для увеличения. 

Название:	Буфер обмена02.png 
Просмотров:	1234 
Размер:	7.9 Кб 
ID:	14652

    Будьте осторожны и внимательны, иначе вы рискуете потерять LPT порт
    Последний раз редактировалось Chip; 13.08.2012 в 13:02.

  3. #13
    Новичок
    Регистрация
    13.08.2012
    Сообщений
    11
    Вес репутации
    172

    По умолчанию Re: Carduino Nano - stk500_getsync(): not in sync: resp=0x00

    SPI это, я понимаю, колодка на противоположной от USB стороне платы?

  4. #14
    Продвинутый
    Регистрация
    19.02.2010
    Возраст
    48
    Сообщений
    244
    Вес репутации
    248

    По умолчанию Re: Carduino Nano - stk500_getsync(): not in sync: resp=0x00

    Оно самое.

  5. #15
    Новичок
    Регистрация
    13.08.2012
    Сообщений
    11
    Вес репутации
    172

    По умолчанию Re: Carduino Nano - stk500_getsync(): not in sync: resp=0x00

    Ок, спасибо, попробую. Отпишусь.

  6. #16
    Новичок
    Регистрация
    13.08.2012
    Сообщений
    11
    Вес репутации
    172

    По умолчанию Re: Carduino Nano - stk500_getsync(): not in sync: resp=0x00

    Спаял шнурок, подключил, lpt порт исправен (принтер работал), сделал как написали, вот результат:

    avrdude: can't open device "giveio"

    avrdude: failed to open parallel port "lpt1"
    Понятно что не может открыть порт, может настройки какие следует применить?

  7. #17
    Продвинутый
    Регистрация
    19.02.2010
    Возраст
    48
    Сообщений
    244
    Вес репутации
    248

    По умолчанию Re: Carduino Nano - stk500_getsync(): not in sync: resp=0x00

    Нет драйвера giveio
    http://www.pcports.ru/articles/3.php

  8. #18
    Новичок
    Регистрация
    13.08.2012
    Сообщений
    11
    Вес репутации
    172

    По умолчанию Re: Carduino Nano - stk500_getsync(): not in sync: resp=0x00

    Уже понял, только что поставил. Теперь при прошивке моргает примерно с минуту синий светодиод, потом выдает такой результат:

    avrdude: verification error, first mismatch at byte 0x7d80
    0x50 != 0xff
    avrdude: verification error; content mismatch

  9. #19
    Новичок
    Регистрация
    13.08.2012
    Сообщений
    11
    Вес репутации
    172

    По умолчанию Re: Carduino Nano - stk500_getsync(): not in sync: resp=0x00

    Докладываю, все работает. Спасибо всем. Дело было в перемычке, ее надо было снять. После этого загрузка бута прошла на ура, созерцаю загруженный и рабочий скетч Blink.

  10. #20
    Продвинутый
    Регистрация
    19.02.2010
    Возраст
    48
    Сообщений
    244
    Вес репутации
    248

    По умолчанию Re: Carduino Nano - stk500_getsync(): not in sync: resp=0x00

    У меня тоже пару раз на разных нанах бут произвольно слетал. ХЗ, системы не уловил. Перепрошивка помогала всегда. Мертвых нан (пока) нет
    Для прошивки пользую не архаичный stk, а довольно шустрый USBASP
    Последний раз редактировалось BlkDem; 16.08.2012 в 00:09.

Страница 2 из 3 ПерваяПервая 123 ПоследняяПоследняя

Информация о теме

Пользователи, просматривающие эту тему

Эту тему просматривают: 2 (пользователей: 0 , гостей: 2)

Ваши права

  • Вы не можете создавать новые темы
  • Вы не можете отвечать в темах
  • Вы не можете прикреплять вложения
  • Вы не можете редактировать свои сообщения
  •