Показано с 1 по 8 из 8
  1. #1
    Администратор Аватар для Chip
    Регистрация
    08.06.2007
    Возраст
    56
    Сообщений
    13,381
    Вес репутации
    10

    По умолчанию Штатный усилитель Hover.

    Разобрался полностью со штатным усилителем.
    Он состоит из аудио процессора LP7313 отмеченым на фото фиолетовым цветом , из предварительного усилителя отмеченого зеленым овалом и
    из четырехканального усилителя мощьности собраного на TDA7381.
    LP7313 имеет три стерео входа, коммутация которых происходит командой по шине I2C , в данном процессоре находится и эквалайзер, управляется он так же по шине I2C. С выхода аудио процессора через разделительные конденсаторы (отмеченые красным цветом) сигнал поступает на вход усилителя мощьности (TDA7381).
    Синим цветом отмечены все три входа на аудио процессор.
    Вход свободный есть но использовать его без активации аудио процессора не удастся.
    Есть несколько вариантов подключения внешнего аудио сигнала:

    1-Поставить аналоговые ключи на вход идущий от радио или на вход предварительного усилителя и коммутировать сигналом с компа.

    2-Сделать эмулятор CD Canger

    3-Подключить контроллер к шине I2C.

    Если не получится активировать через MP3 то
    я пожалуй выберу 4 вариант , подключу аудио выход с компа через балансер на вход CD Changer и с выхода дебалансера в штатной схеме сделаю сумматор со выходом радио будет напримр работать радио и навигация , но если нужно заглушить радио то в схеме нашел ключь делающий это , остается только подать на этот ключь управляющий сигнал.

    Все эти изменения не касаются тех у кого есть внешний вход.
    Миниатюры Миниатюры Нажмите на изображение для увеличения. 

Название:	ampli.jpg 
Просмотров:	1914 
Размер:	164.5 Кб 
ID:	400   Нажмите на изображение для увеличения. 

Название:	lp7313.png 
Просмотров:	5942 
Размер:	3.0 Кб 
ID:	401   Нажмите на изображение для увеличения. 

Название:	TDA7381.png 
Просмотров:	3162 
Размер:	6.0 Кб 
ID:	402  

  2. #2
    Пользователь Аватар для shura-1977
    Регистрация
    22.02.2008
    Сообщений
    47
    Вес репутации
    230

    По умолчанию Re: Штатный усилитель Hover.

    А какое выходное напряжение у проца или какое входное у УМ?

  3. #3
    Администратор Аватар для Chip
    Регистрация
    08.06.2007
    Возраст
    56
    Сообщений
    13,381
    Вес репутации
    10

    По умолчанию Re: Штатный усилитель Hover.

    Судя по даташиту на микросхему 0,25в , тоесть стандартное.
    А что в реальности я не мерял.

  4. #4
    Администратор Аватар для Chip
    Регистрация
    08.06.2007
    Возраст
    56
    Сообщений
    13,381
    Вес репутации
    10

    По умолчанию Re: Штатный усилитель Hover.

    Вообщем подключил звук соорудив коммутатор на двух маленьких релюшкаш+ транзистор и переключаю его кнопкой "Band" , то есть вместо АМ диапазона.
    Сначала повесил внешнюю звуковую карту, звук был чистый без шумов и помех, но жаба задушила имея на борту семплинг 96 кГц я использую внешнюю с семплингом 48кГц , в итоге борьба с помехами и шумами прошла на +5 и я добился идеальных результатов используя штатную звуковую карту. Теперь использую интегрированый звук без шумов и помех с семплингом 96кГц. Правда на слух разницу в качестве не заметил, возможно потому что я еще не встречал МР3 с семплингом 96кГц
    Как я этого добился опишу как время будет.

  5. #5
    Модератор Аватар для XsanderS
    Регистрация
    05.05.2008
    Возраст
    43
    Сообщений
    829
    Вес репутации
    412

    По умолчанию Re: Штатный усилитель Hover.

    Цитата Сообщение от Chip
    Как я этого добился опишу как время будет.
    Ждемс...
    хороший модем должен качать пиво!
    Мой проект

  6. #6
    Новичок
    Регистрация
    22.07.2008
    Сообщений
    1
    Вес репутации
    0

    По умолчанию Re: Штатный усилитель Hover.

    Привет, подскажи пожалуйста поподробнее, как использовал вход для чейнджера? Что нужно купить, что сделать?

  7. #7
    Пользователь
    Регистрация
    28.12.2007
    Сообщений
    92
    Вес репутации
    241

    По умолчанию Re: Штатный усилитель Hover.

    to Chip
    Все эти изменения не касаются тех у кого есть внешний вход.

    А почему? Когда во внешний вход втыкаешь джек, система переходит в режим проигрывания со внешнего источника. Радио при этом уже не послушать.
    Чем дело закончилось?

  8. #8
    Администратор Аватар для Chip
    Регистрация
    08.06.2007
    Возраст
    56
    Сообщений
    13,381
    Вес репутации
    10

    По умолчанию Re: Штатный усилитель Hover.

    Цитата Сообщение от Сашок
    Привет, подскажи пожалуйста поподробнее, как использовал вход для чейнджера? Что нужно купить, что сделать?
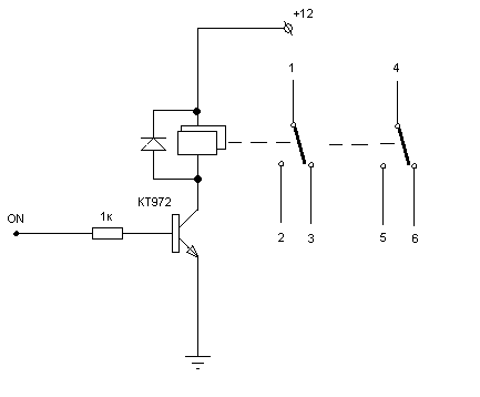
    Вообщем делаем коммутатор как на схеме. Релюшки брал в Митино миниатютные 12в название не помню, ток и напряжение контактов не важен.
    Режем на плате отмеченым красными крестиками дорожки и припаиваем к ним коммутатор. Желтым отмечен транзистор к колектору которого нужно подключить сигнал ON для управления коммутатором.
    Миниатюры Миниатюры Нажмите на изображение для увеличения. 

Название:	kommutator.PNG 
Просмотров:	998 
Размер:	850 байт 
ID:	1290   Нажмите на изображение для увеличения. 

Название:	ampli.jpg 
Просмотров:	1196 
Размер:	173.2 Кб 
ID:	1292  

Информация о теме

Пользователи, просматривающие эту тему

Эту тему просматривают: 1 (пользователей: 0 , гостей: 1)

Ваши права

  • Вы не можете создавать новые темы
  • Вы не можете отвечать в темах
  • Вы не можете прикреплять вложения
  • Вы не можете редактировать свои сообщения
  •