Страница 13 из 25 ПерваяПервая ... 37891011121314151617181923 ... ПоследняяПоследняя
Показано с 121 по 130 из 248
  1. #121
    Модератор Аватар для XsanderS
    Регистрация
    05.05.2008
    Возраст
    43
    Сообщений
    829
    Вес репутации
    415

    По умолчанию Re: Проэкт вживления компа в BMW Е46 по кличке "Борька"

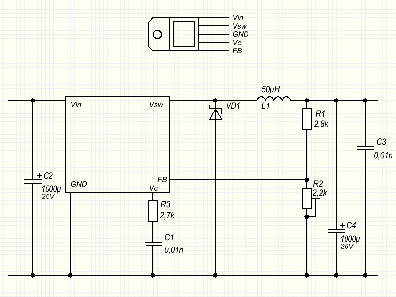
    В архиве схема и печатная плата. Схему открывать в splan печатку открывать с Sprint-Layout.
    Миниатюры Миниатюры Нажмите на изображение для увеличения. 

Название:	+5vShema.jpg 
Просмотров:	533 
Размер:	254.3 Кб 
ID:	2115   Нажмите на изображение для увеличения. 

Название:	+5vPlata.jpg 
Просмотров:	425 
Размер:	112.4 Кб 
ID:	2116  
    хороший модем должен качать пиво!
    Мой проект

  2. #122
    Модератор Аватар для XsanderS
    Регистрация
    05.05.2008
    Возраст
    43
    Сообщений
    829
    Вес репутации
    415

    По умолчанию Re: Проэкт вживления компа в BMW Е46 по кличке "Борька"

    Установка компа в машину! Выбрал местечко, под капотом есть герметичный отсек в котором установлен разем под диагностику, в нем и буду размещать. Так как там будет уж слишком тепло в корпусе два вентилятора на вдув (процессор и второй над чипсетом) стенки корпуса зделанны из металической сетки корпус полностью продуваеться. Подвел из под низа шлангом от пылисоса воздух через филтр (филтр изготовил из подручных подходящих деталей и в нутри какойто каменный филтр свинченный с какойто конструкции непонятного назначения) сверху корпуса будет присоединяться короб к нему подведеться шланг от фильтра, короб присоединяеться при помощи металических колец к кольцам на коробе будут привинченны магниты с разобранных не рабочих HDD. в результате имеем относительно герметичный отсек где стоит комп к крышке которого подведен отфилтрованный свежий воздух проходя через корпус нагретых (отработанный воздух) вытягиваеться установленным в стенке отсека вентилятором.
    Миниатюры Миниатюры Нажмите на изображение для увеличения. 

Название:	a57.JPG 
Просмотров:	464 
Размер:	116.9 Кб 
ID:	2198   Нажмите на изображение для увеличения. 

Название:	a58.JPG 
Просмотров:	424 
Размер:	110.2 Кб 
ID:	2199   Нажмите на изображение для увеличения. 

Название:	a59.JPG 
Просмотров:	549 
Размер:	86.3 Кб 
ID:	2200   Нажмите на изображение для увеличения. 

Название:	a60.JPG 
Просмотров:	555 
Размер:	88.4 Кб 
ID:	2201  

    Нажмите на изображение для увеличения. 

Название:	a61.JPG 
Просмотров:	1195 
Размер:	112.2 Кб 
ID:	2202  
    хороший модем должен качать пиво!
    Мой проект

  3. #123
    Гуру Аватар для ashu
    Регистрация
    29.01.2008
    Возраст
    53
    Сообщений
    1,161
    Вес репутации
    600

    По умолчанию Re: Проэкт вживления компа в BMW Е46 по кличке "Борька"

    Удачное место для компа ты нашёл!
    С уважением, Алексей
    Мой Prius NHW11

  4. #124
    Модератор Аватар для XsanderS
    Регистрация
    05.05.2008
    Возраст
    43
    Сообщений
    829
    Вес репутации
    415

    По умолчанию Re: Проэкт вживления компа в BMW Е46 по кличке "Борька"

    Цитата Сообщение от ashu
    Удачное место для компа ты нашёл!
    Радует что никаких проводов в салоне, только под обшивкой силовые кабеля питания с багажника под капот по правому борту и провода для усилителя и саба по левому (АКБ штатно установлен в багажнике)
    хороший модем должен качать пиво!
    Мой проект

  5. #125
    Модератор Аватар для XsanderS
    Регистрация
    05.05.2008
    Возраст
    43
    Сообщений
    829
    Вес репутации
    415

    По умолчанию Re: Проэкт вживления компа в BMW Е46 по кличке "Борька"

    Вот крышка короба который будет стоять сверху компа через который будет подведен воздух от фильтра. Немного покавырявшись с уже знакомым девайсом (гравюровщик или Дримэль как его там еще обзывают) получилась неплохая гравюровочка на крышке. Решил что подсветка и лишний гламур под капотом ненужны и оставил так как есть, только грунтанул и покрасил.

    ps: окончание проэкта намеченно на 30 ноября!
    Миниатюры Миниатюры Нажмите на изображение для увеличения. 

Название:	a62.JPG 
Просмотров:	1466 
Размер:	97.6 Кб 
ID:	2215  
    хороший модем должен качать пиво!
    Мой проект

  6. #126
    Гуру Аватар для ashu
    Регистрация
    29.01.2008
    Возраст
    53
    Сообщений
    1,161
    Вес репутации
    600

    По умолчанию Re: Проэкт вживления компа в BMW Е46 по кличке "Борька"

    Цитата Сообщение от XsanderS
    ps: окончание проэкта намеченно на 30 ноября!
    Давай-давай! Надо к 1 декабря обязательно успеть!
    С уважением, Алексей
    Мой Prius NHW11

  7. #127
    Модератор Аватар для XsanderS
    Регистрация
    05.05.2008
    Возраст
    43
    Сообщений
    829
    Вес репутации
    415

    По умолчанию Re: Проэкт вживления компа в BMW Е46 по кличке "Борька"

    Цитата Сообщение от ashu
    Давай-давай! Надо к 1 декабря обязательно успеть!
    Думаю успею. Мне осталось ЛПТ контроллер доделать и декор на монеторе, ну и установка ! Самое главное помехи в звуке и на монеторе убил
    хороший модем должен качать пиво!
    Мой проект

  8. #128
    Пользователь Аватар для fash
    Регистрация
    27.10.2008
    Возраст
    40
    Сообщений
    57
    Вес репутации
    227

    По умолчанию Re: Проэкт вживления компа в BMW Е46 по кличке "Борька"

    А Вот это ты зряяяяяяя ! Всю пыль и г**но соберешь ! не советую туда его пихать ! тоже думал Сань

  9. #129
    Модератор Аватар для XsanderS
    Регистрация
    05.05.2008
    Возраст
    43
    Сообщений
    829
    Вес репутации
    415

    По умолчанию Re: Проэкт вживления компа в BMW Е46 по кличке "Борька"

    Цитата Сообщение от fash
    А Вот это ты зряяяяяяя ! Всю пыль и г**но соберешь ! не советую туда его пихать ! тоже думал Сань
    Да ну брось все продуманно , туда пыль и грязь могут попасть только через шланг который будет идти к филтру а затем на вентиляторы! темболее то что этот отсек не смотря на время остаеться чистым свидетельствует о том что грязь туда не попадет. Весь отсек хорошо изалированн есть только два вентиляционных отверстия по 4 см. К одному будет подключен шланг на забор воздуха к вентиляторам компа а на втором отверстии вентилятор на выдув воздуха.

    щас некогда но когда закончу накидаю схему как это все обставленно тогда все будет понятно.
    хороший модем должен качать пиво!
    Мой проект

  10. #130
    Пользователь Аватар для Blow
    Регистрация
    27.11.2008
    Сообщений
    62
    Вес репутации
    227

    По умолчанию Re: Проэкт вживления компа в BMW Е46 по кличке "Борька"

    Дааа, сильно, оч понравилось, просмотрел все от начала до конца, даже забыл что мой рабочий день уже закончился. Жду продолжения...
    Последний раз редактировалось Blow; 27.11.2008 в 18:48.

Страница 13 из 25 ПерваяПервая ... 37891011121314151617181923 ... ПоследняяПоследняя

Информация о теме

Пользователи, просматривающие эту тему

Эту тему просматривают: 1 (пользователей: 0 , гостей: 1)

Ваши права

  • Вы не можете создавать новые темы
  • Вы не можете отвечать в темах
  • Вы не можете прикреплять вложения
  • Вы не можете редактировать свои сообщения
  •