Страница 13 из 37 ПерваяПервая ... 37891011121314151617181923 ... ПоследняяПоследняя
Показано с 121 по 130 из 371

Комбинированный просмотр

Предыдущее сообщение Предыдущее сообщение   Следующее сообщение Следующее сообщение
  1. #1
    Новичок
    Регистрация
    24.11.2008
    Возраст
    50
    Сообщений
    17
    Вес репутации
    216

    По умолчанию Re: Новый адаптер AVC-LAN

    Цитата Сообщение от Chip Посмотреть сообщение
    Кратковременно - сколько в секундах?
    Если выключил зажигание нужно около 3 сек подождать
    кратковременно это 5-20 минут и еще заметил что иногда отваливается просто тач... те все работает а тач нет (значек в трее красный)

  2. #2
    Администратор Аватар для Chip
    Регистрация
    08.06.2007
    Возраст
    56
    Сообщений
    13,381
    Вес репутации
    10

    По умолчанию Re: Новый адаптер AVC-LAN

    Какая версия прошивки и версия программы?

  3. #3
    Новичок
    Регистрация
    24.11.2008
    Возраст
    50
    Сообщений
    17
    Вес репутации
    216

    По умолчанию Re: Новый адаптер AVC-LAN

    прошивка последняя

    Цитата Сообщение от Chip Посмотреть сообщение
    Какая версия прошивки и версия программы?

  4. #4
    Администратор Аватар для Chip
    Регистрация
    08.06.2007
    Возраст
    56
    Сообщений
    13,381
    Вес репутации
    10

    По умолчанию Re: Новый адаптер AVC-LAN

    Версия прошивки какая? И версия программы какая ?

  5. #5
    Новичок
    Регистрация
    24.11.2008
    Возраст
    50
    Сообщений
    17
    Вес репутации
    216

    По умолчанию Re: Новый адаптер AVC-LAN

    Цитата Сообщение от Chip Посмотреть сообщение
    Версия прошивки какая? И версия программы какая ?
    версия прошивки 4.0
    версия программы 3.4

  6. #6
    Продвинутый Аватар для Homeword
    Регистрация
    15.06.2007
    Возраст
    57
    Сообщений
    295
    Вес репутации
    294

    По умолчанию Re: Новый адаптер AVC-LAN

    Цитата Сообщение от astrakhan Посмотреть сообщение
    версия прошивки 4.0
    версия программы 3.4
    последняя версия программы 4.03
    последняя версия прошивки 3.04
    Вложения Вложения
    Последний раз редактировалось Homeword; 24.08.2009 в 13:48.

  7. #7
    Администратор Аватар для Chip
    Регистрация
    08.06.2007
    Возраст
    56
    Сообщений
    13,381
    Вес репутации
    10

    По умолчанию Re: Новый адаптер AVC-LAN

    Выложил инсталятор V4.03 в шапку

  8. #8
    Новичок
    Регистрация
    08.07.2009
    Сообщений
    3
    Вес репутации
    0

    По умолчанию Re: Новый адаптер AVC-LAN

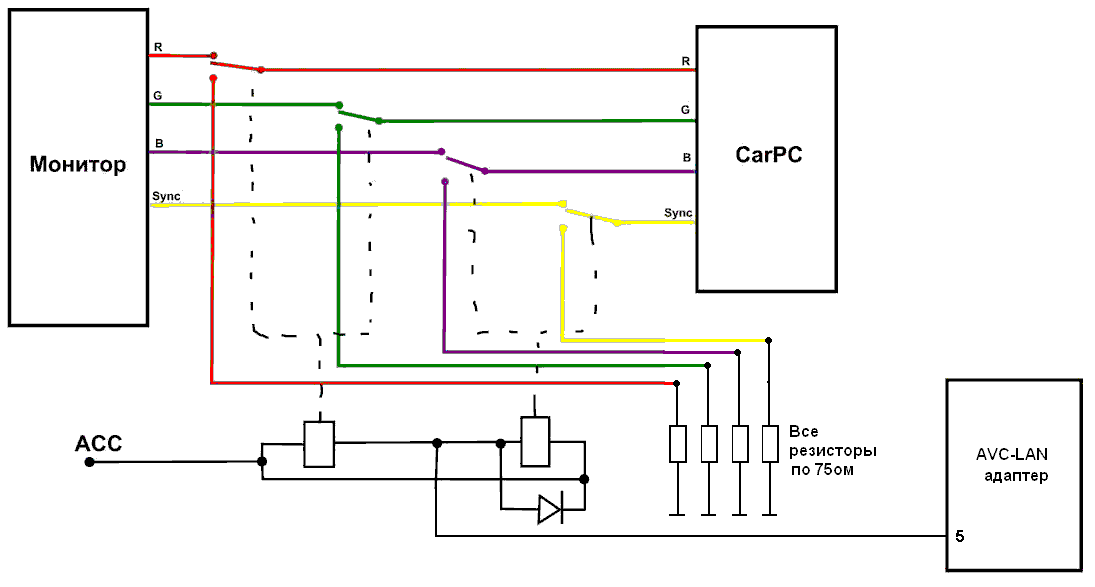
    В новой версии адаптера появился выход № 3 (блокиратор RGBs), насколько я понял для того, чтобы экран штатного монитора оставался черным во время процесса загрузки винды и включался только после загрузки программы AVC USB Interface. Объясните пожалуйста, как это реализуется, лучше конечно в виде наглядной схемы.

  9. #9
    Администратор Аватар для Chip
    Регистрация
    08.06.2007
    Возраст
    56
    Сообщений
    13,381
    Вес репутации
    10

    По умолчанию Re: Новый адаптер AVC-LAN

    Вот по этой схеме:
    Нажмите на изображение для увеличения. 

Название:	kom.PNG 
Просмотров:	9924 
Размер:	6.5 Кб 
ID:	5560
    Последний раз редактировалось Chip; 02.09.2009 в 02:30.

  10. #10
    Продвинутый
    Регистрация
    23.02.2009
    Сообщений
    352
    Вес репутации
    280

    По умолчанию Re: Новый адаптер AVC-LAN

    решил заняться машиной, доделать карпц -- у меня один из первыз AVC-NEW, ну и драйвера были установлены из той же оперы. выкачал последние BootV3.04.exe и SetupV4.03.exe, все поставил -- и ничего. точнее даже хуже стало -- при выборе разного рода ченжеров (cd ch, cd ch1, md ch) у головы (тойота 16061) вообще срывает крышу, жутко тормозит, изображении вообще не сразу вывелось, даже со штатной камеры ни изображение не выводилось, ни линии разметки. черный экран и никакой реакции на кнопки.
    потом поковырывшись, нашел, что при выборе CD или MD -- т.е. реально имеющихся в голове устройств -- все работает как и раньше: экран, тач, звук от карпц отсутствует, AM/FM работают, никаких задержек, также выводятся сообщения об отсутсвии дисков в CD/MD и ошибка TV -- он у меня снят. видимо, это связано с тем, что голова игнорирует попытки адатера встать на места этих устройств.

    при попытках использовать вышеупомянутые ченжеры все-таки бывает и изображение и переключение на штатное радио и даже ошибки CD/MD/TV. но все это работает с какими-то непонятными задержками, зависимость определить не смог, от 10 сек до минуты, бывало, что и ждать просто надоедало. тач в таких режимах не работает, в т.ч. и на долгих нажатиях (типа ждал, что может все таки сработает). значок интерфейса периодически помаргивает во время этих тормозов.

    в режиме MD CH один раз удалось переключиться на него, некоторое время голова на верху экрана показывала это сообщение, как и для других режимов.

    тем не менее в списке устройств никто из cd ch, cd ch1, md ch не появился. там у меня EMV, NAVI, CAMERA-C и TV (TV в состоянии NCON, с тех пор ка выдернул, аккумулятор не сбрасывал)
    голову и адаптер после новых установок перегружал выключением АСС на несколько секунд

    че делать????????????? че-та я уже хочу звук
    Последний раз редактировалось uzzzer; 06.09.2009 в 22:06.

Страница 13 из 37 ПерваяПервая ... 37891011121314151617181923 ... ПоследняяПоследняя

Информация о теме

Пользователи, просматривающие эту тему

Эту тему просматривают: 6 (пользователей: 0 , гостей: 6)

Ваши права

  • Вы не можете создавать новые темы
  • Вы не можете отвечать в темах
  • Вы не можете прикреплять вложения
  • Вы не можете редактировать свои сообщения
  •