Страница 2 из 15 ПерваяПервая 1234567812 ... ПоследняяПоследняя
Показано с 11 по 20 из 146
  1. #11
    Новичок
    Регистрация
    12.11.2009
    Возраст
    54
    Сообщений
    7
    Вес репутации
    265

    По умолчанию Re: Контроллер включения,выключения - автор xDriver

    что то не одна из прошивок не качается

  2. #12
    Новичок
    Регистрация
    06.11.2009
    Сообщений
    3
    Вес репутации
    0

    По умолчанию Re: Контроллер включения,выключения - автор xDriver

    Бери тут в одном флаконе

  3. #13
    Новичок
    Регистрация
    18.11.2009
    Сообщений
    4
    Вес репутации
    0

    По умолчанию Re: Контроллер включения,выключения - автор xDriver

    доброй ночи. собрал контроллер, проверил работоспособность компонентов, вставил чип и ничего не получил. сложный программатор было лень собирать поэтому используют вот такой ( во вложении (c) _http://www.miliamper.narod.ru/). программа Winpic 800 и IC-Prog пишут и читают чип корректно. на 1-й ноге чипа +5,на 8-й ноге земля, на 7-й ноге +3.13... на 4-ю ногу подаю +5, на 3,5,6 ногах тихо...выкинуть чип, купить новый??

    исправил печатку в архиве...
    Миниатюры Миниатюры Нажмите на изображение для увеличения. 

Название:	image065.jpg 
Просмотров:	843 
Размер:	19.6 Кб 
ID:	6527   Нажмите на изображение для увеличения. 

Название:	picdip.gif 
Просмотров:	675 
Размер:	8.1 Кб 
ID:	6532  
    Изображения Изображения  
    Вложения Вложения
    Последний раз редактировалось axis_v; 19.11.2009 в 23:33.

  4. #14
    Продвинутый Аватар для xDriver
    Регистрация
    26.03.2008
    Сообщений
    268
    Вес репутации
    319

    По умолчанию Re: Контроллер включения,выключения - автор xDriver

    Цитата Сообщение от axis_v Посмотреть сообщение
    выкинуть чип, купить новый??
    Выкинуть программатор и купить PICkit2
    на сайте trt.ru зарегистрируйтесь и получите его по 550р.

    где то на форуме уже проскальзывало - стерта калибровочная константа внутреннего генератора 12F675.
    восстановить поможет тот же PICkit2.
    если нужно только собрать контролер и дальше с пиками дела не иметь - прошить у того, у кого есть "нормальный" программатор.
    ECS H67H2-I Intel® Core™ i3-2130, RAM 4гб, SSD 160 гб, моник XD, БП M4-ATX, BU-353, Yota, SkyLink, WiFi и т.д.

  5. #15
    Новичок
    Регистрация
    06.11.2009
    Сообщений
    3
    Вес репутации
    0

    По умолчанию Re: Контроллер включения,выключения - автор xDriver

    Купил программатор EXTRAPIC на www.5v.ru и все прошил без проблем. Схема заработала сразу...

  6. #16
    Новичок
    Регистрация
    18.11.2009
    Сообщений
    4
    Вес репутации
    0

    По умолчанию Re: Контроллер включения,выключения - автор xDriver

    стал решать проблему, так как купить программатор за 550 рублей слишком просто

    итак...протестировав программатор по известной методике я полностью убежден что он рабоспособен. Следовательно, исключив ошибки кода, не хочет заводится сам пик....

    копая поиск:

    Цитата Сообщение от AndyPP Посмотреть сообщение
    Попробуй поставить 3440 (у меня это было на ПИКах среднее значение),но этот ПИК практически "убит")
    загрузив прошивку в IC-prog нашел последний адрес 3FFFh (снизу,справа). заменил значение 16383 (3FFF) на 3440. прошил пик и все завелось,релюшки теперь бодро перещелкиваются)))респект AndyPP,xDriver

    Выводы:

    1. свежекупленный пик перед прошивкой надо сначала считать и значение осциллятора записать на бумажке и затем внести это значение в прошивку вручную
    2. неверно утверждение что пик практически убит - платные проги автоматически считывают это значение и потом его же и прошивают вместе с прошивкой. конечно при этом плавает частота генератора,но в этом устройстве это не критично (~5-10%).
    3. программатор выкидывать глупо. деталей на 30 рублей, плату можно не делать, я сделал так как буду дальше изучать пики.
    Последний раз редактировалось axis_v; 19.11.2009 в 23:30.

  7. #17
    Продвинутый Аватар для xDriver
    Регистрация
    26.03.2008
    Сообщений
    268
    Вес репутации
    319

    По умолчанию Re: Контроллер включения,выключения - автор xDriver

    Молодец !
    Вот пример человека который копает и как следствие находит.

    Цитата Сообщение от axis_v Посмотреть сообщение
    3. программатор выкидывать глупо. деталей на 30 рублей, плату можно не делать, я сделал так как буду дальше изучать пики.
    Тут хочу разочаровать, дальше 16 пиков с таким программатором Вы не провинитесь (да и 16 не все будут шиться-читаться).
    Не наступайте на грабли, на которые сто раз перед Вами наступили.
    Удачи.
    ECS H67H2-I Intel® Core™ i3-2130, RAM 4гб, SSD 160 гб, моник XD, БП M4-ATX, BU-353, Yota, SkyLink, WiFi и т.д.

  8. #18
    Новичок
    Регистрация
    18.11.2009
    Сообщений
    4
    Вес репутации
    0

    По умолчанию Re: Контроллер включения,выключения - автор xDriver

    xDriver, ну когда же мы увидим твой новый контроллер?

  9. #19
    Продвинутый Аватар для xDriver
    Регистрация
    26.03.2008
    Сообщений
    268
    Вес репутации
    319

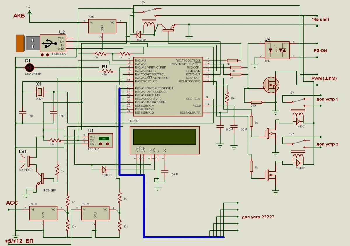
    По умолчанию Re: Контроллер включения,выключения - автор xDriver

    Ну смотрите, смотрите ...

    Я просто застопорился, не могу понять чем он будет лучше контролера с соседней ветки, да и работа напирает не по детски.
    если есть идеи, пожелания давайте ветку создадим
    сначала сформулируем там все, обсудим.
    сделать железяку и софт написать дело третье.
    то что Вы видите есть на макетной плате и работает
    отличие от пред. контролера это наличие USB и управление и контроль параметров по нему + наличие датчика t для винта и выходного каскада для его нагрева (куда можно повесить все что угодно пельтье,лампочку и т.д.) + 2 ремоут устройства + индикатор (хотя не знаю нафиг он нужен).

    короче вот так пока..
    Миниатюры Миниатюры Нажмите на изображение для увеличения. 

Название:	Схема протеус 18F2550.jpg 
Просмотров:	1934 
Размер:	120.9 Кб 
ID:	6550  
    Последний раз редактировалось xDriver; 20.11.2009 в 14:13.
    ECS H67H2-I Intel® Core™ i3-2130, RAM 4гб, SSD 160 гб, моник XD, БП M4-ATX, BU-353, Yota, SkyLink, WiFi и т.д.

  10. #20
    Пользователь
    Регистрация
    19.08.2009
    Сообщений
    58
    Вес репутации
    309

    По умолчанию Re: Контроллер включения,выключения - автор xDriver

    Proteus это хорошо!!!
    Может мне здесь кто ответит?
    Почему все ставят на определения наличия 12В сигнала стабилизатор LM7805, не проще (дешевле) резистор со стабилитроном на 4,7-5,1вольта?
    Или просто банальный резистивный делитель?

Страница 2 из 15 ПерваяПервая 1234567812 ... ПоследняяПоследняя

Информация о теме

Пользователи, просматривающие эту тему

Эту тему просматривают: 20 (пользователей: 0 , гостей: 20)

Ваши права

  • Вы не можете создавать новые темы
  • Вы не можете отвечать в темах
  • Вы не можете прикреплять вложения
  • Вы не можете редактировать свои сообщения
  •