Страница 2 из 3 ПерваяПервая 123 ПоследняяПоследняя
Показано с 11 по 20 из 22
  1. #11
    Администратор Аватар для Chip
    Регистрация
    08.06.2007
    Возраст
    56
    Сообщений
    13,381
    Вес репутации
    10

    По умолчанию Re: выходы усилителя, помоготе разобраться Тойота-Лексус

    На один подать САБ, на другой Центр?
    Где ловить выход сигнала для отправки на Ru+ и Ru- усилителя?
    Естественно на выходе(OUT +R,-R)

  2. #12
    Местный
    Регистрация
    20.10.2008
    Сообщений
    110
    Вес репутации
    238

    По умолчанию Re: выходы усилителя, помоготе разобраться Тойота-Лексус

    Цитата Сообщение от Chip Посмотреть сообщение
    Естественно на выходе(OUT +R,-R)
    1) Т.е. на правый вход подаем САБ и с правого выхода снимаем. А что лучше с центральным сделать?

    2) по подключению адаптера AZ-FM: на пин AUX - надо что-то подать для активации?
    Последний раз редактировалось shust; 26.09.2009 в 01:22.

  3. #13
    Администратор Аватар для Chip
    Регистрация
    08.06.2007
    Возраст
    56
    Сообщений
    13,381
    Вес репутации
    10

    По умолчанию Re: выходы усилителя, помоготе разобраться Тойота-Лексус

    1 - непонял что лучше? Подать на левый канал и снять с левого уже балансный
    2 - +12в
    Последний раз редактировалось Chip; 26.09.2009 в 12:14.

  4. #14
    Местный
    Регистрация
    20.10.2008
    Сообщений
    110
    Вес репутации
    238

    По умолчанию Re: выходы усилителя, помоготе разобраться Тойота-Лексус

    Цитата Сообщение от Chip Посмотреть сообщение
    1 - непонял что лушчше? Подать на левый канал и снять с левого уже балансный
    Это понял
    у меня на усилках нет центрального канала, т.е. центр можно или на САБ кинуть или еще что-то с ним сделать.
    Если кидать на САБ, то придется выходы L+out и R+out завести на Ru+, L-out и R-out завести на Ru-
    Последний раз редактировалось shust; 26.09.2009 в 11:38.

  5. #15
    Администратор Аватар для Chip
    Регистрация
    08.06.2007
    Возраст
    56
    Сообщений
    13,381
    Вес репутации
    10

    По умолчанию Re: выходы усилителя, помоготе разобраться Тойота-Лексус

    Если кидать на САБ, то придется выходы L+out и R+out завести на Ru+, L-out и R-out завести на Ru-
    Ты помоему полностью запутался , или я тебя не понимаю

  6. #16
    Местный
    Регистрация
    20.10.2008
    Сообщений
    110
    Вес репутации
    238

    По умолчанию Re: выходы усилителя, помоготе разобраться Тойота-Лексус

    Цитата Сообщение от Chip Посмотреть сообщение
    Ты помоему полностью запутался , или я тебя не понимаю
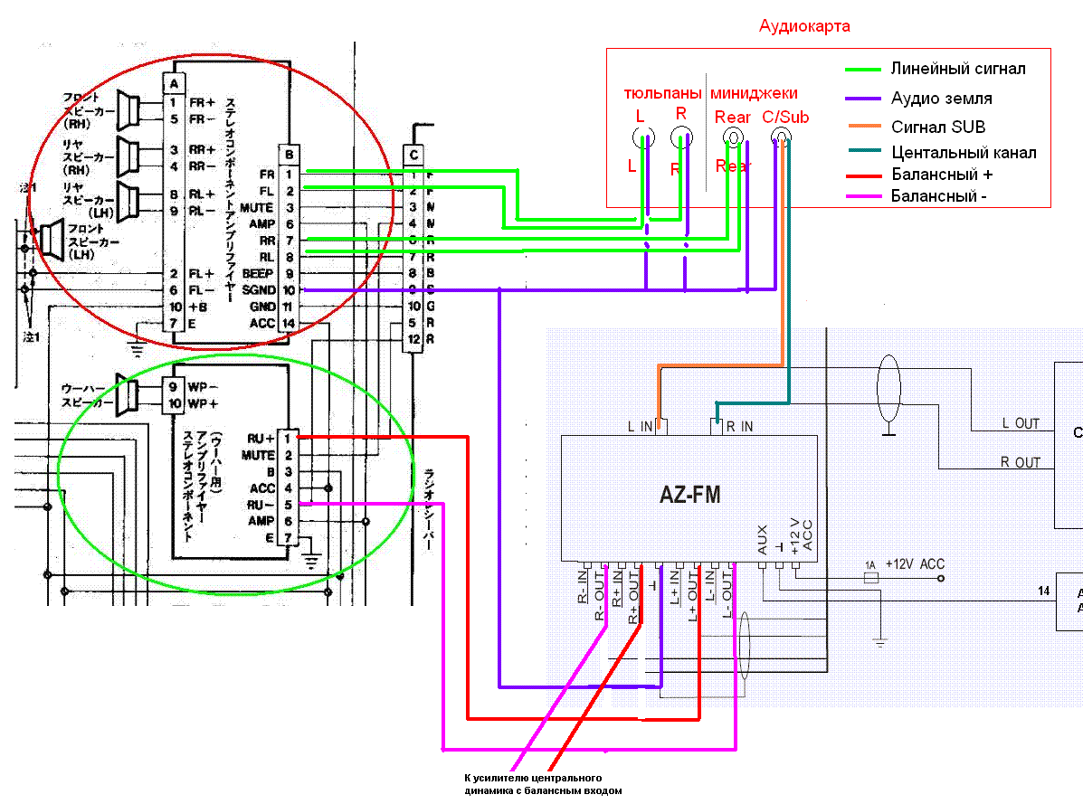
    На схемке нарисовал все:

    Последний раз редактировалось shust; 26.09.2009 в 15:50.

  7. #17
    Администратор Аватар для Chip
    Регистрация
    08.06.2007
    Возраст
    56
    Сообщений
    13,381
    Вес репутации
    10

    По умолчанию Re: выходы усилителя, помоготе разобраться Тойота-Лексус

    Поправил
    Миниатюры Миниатюры Нажмите на изображение для увеличения. 

Название:	86612384.gif 
Просмотров:	470 
Размер:	81.7 Кб 
ID:	5879  

  8. #18
    Местный
    Регистрация
    20.10.2008
    Сообщений
    110
    Вес репутации
    238

    По умолчанию Re: выходы усилителя, помоготе разобраться Тойота-Лексус

    Вот как раз усилителя центрального канала у меня и нету совсем
    Как в этом случае лучше поступить, просто никуда его не подключать, а САБ развести как на схеме, например по левому каналу?

  9. #19
    Администратор Аватар для Chip
    Регистрация
    08.06.2007
    Возраст
    56
    Сообщений
    13,381
    Вес репутации
    10

    По умолчанию Re: выходы усилителя, помоготе разобраться Тойота-Лексус

    Тогда нужен еще усилитель

  10. #20
    Местный
    Регистрация
    20.10.2008
    Сообщений
    110
    Вес репутации
    238

    По умолчанию Re: выходы усилителя, помоготе разобраться Тойота-Лексус

    Цитата Сообщение от Chip Посмотреть сообщение
    Тогда нужен еще усилитель
    И колонка

Страница 2 из 3 ПерваяПервая 123 ПоследняяПоследняя

Информация о теме

Пользователи, просматривающие эту тему

Эту тему просматривают: 1 (пользователей: 0 , гостей: 1)

Ваши права

  • Вы не можете создавать новые темы
  • Вы не можете отвечать в темах
  • Вы не можете прикреплять вложения
  • Вы не можете редактировать свои сообщения
  •