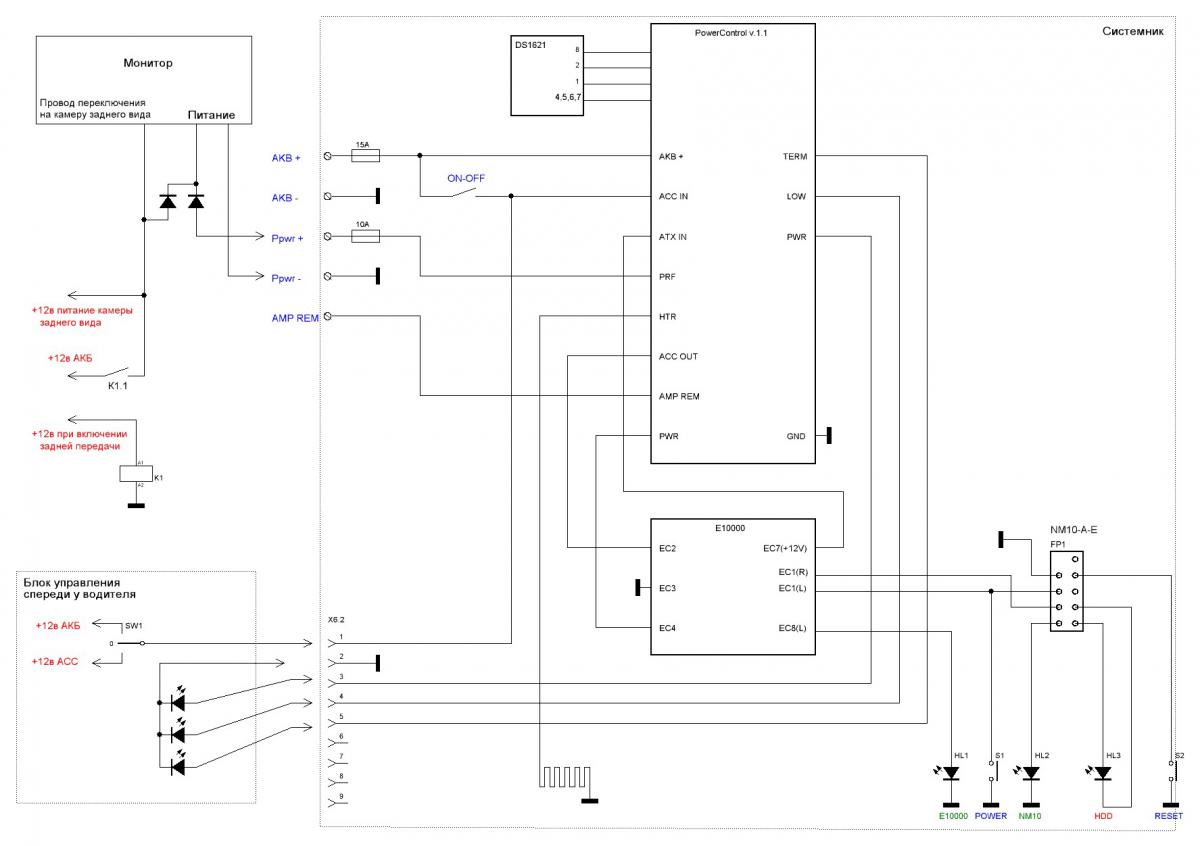
Если Вы обратили внимание - в плате для DS-ки нет отверстий под выводы микросхемы. Я использовал микросхему в корпусе DIP8, отгибал ножки на 90 градусов и припаивал её со стороны дорожек. Сама плата приклеивается к корпусу системника на двусторонний скотч ЗМ. Толщина (высота) этого бутерброда (скотч, плата, микросхема) получается около 7мм. В понедельник (раньше не получится т.к. все на работе) сделаю фотки этой конструкции.
На этих фото видно, что HDD закреплен на металлических уголках:
Получается что высота от плоскости корпуса системника до нижней плоскости HDD около 6мм.
Плата приклеивается так, чтобы при установке сверху HDD микросхема оказалась под металлической частью HDD где ось диска. Когда конструкция HDD притягивается болтами - скотч немного сжимается и получается что плоскость микросхемы плотно прижата к плоскости металлического корпуса харда.
Как-то вот так. Объяснил коряво - не знаю понятно или нет.
p.s. щас попробую нарисовать...
Контроллер программируется непосредственно на плате. Называется это внутрисхемное программирование. Для этого предусмотрены контактные площадки 1-5 рядом с контроллером. К ним припаиваются проводки от программатора.
ВНИМАНИЕ!
Перед программированием плата должна быть полностью отключена от всего. К ней не должно подходить ни одного провода. Ну разумеется кроме проводов от программатора.
Обе перемычки JP1 и JP2 должны быть сняты.
Номера контатных площадок соответствуют распиновке разъема программатора PicKit2.




Ответить с цитированием


