Страница 1 из 4 1234 ПоследняяПоследняя
Показано с 1 по 10 из 32
  1. #1
    Пользователь
    Регистрация
    19.06.2009
    Возраст
    54
    Сообщений
    85
    Вес репутации
    220

    По умолчанию Еще один контроллер управления БП и периферией

    или добавляем мозгов интеллектуальному блоку питания.
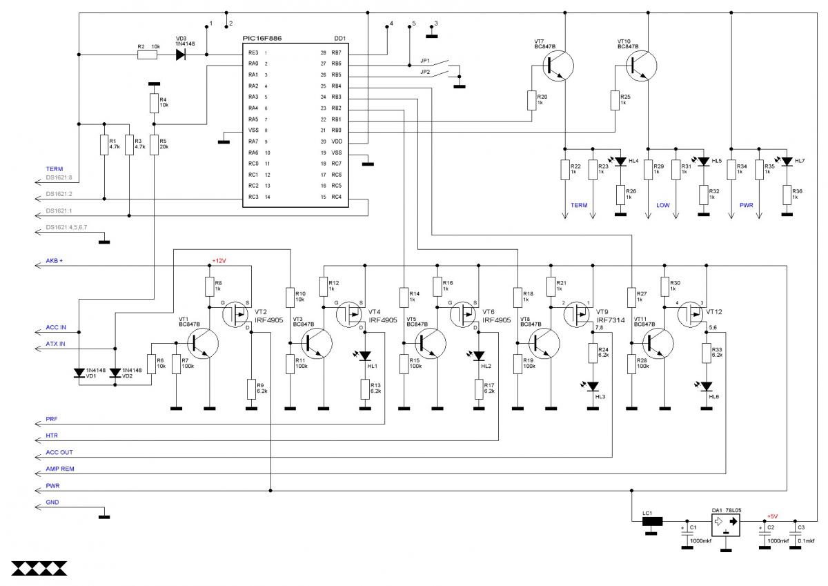
    Пару раз утром забывал компьютер включенным – вечером, после работы, скрёбся когтями по закрытому капоту перебирая в уме доступные варианты заводки авто с в хлам разряженным аккумулятором. Ну никак не хочет мой E10000 выключать компьютер при понижении напряжения. Не факт что и другие аналогичные БП сделают это вовремя. Кроме того, в результате глобального апгрейда, системник переехал в багажник - а там зимой холодно. Принимая во внимание эти факторы, было решено сделать умный контроллер, который управлял бы включением/выключением компьютера в зависимости от температуры окружающего воздуха и напряжения питания. Придумано – сделано. За прошивку говорим Спасибо Dadlick’у.
    В общих чертах - при пониженном напряжении питания компьютер не включится, а будучи включенным - выключится. Кратковременные просадки (например прокрутка стартера) учитываются. При попытке запуска при отрицательной температуре сначала включится нагреватель и только после прогрева до заданной температуры запустится компьютер. В моем случае датчик и нагреватель расположены на HDD.
    Первая версия получилась не очень удачной и сразу же потребовала дополнительного тюнинга в виде еще одной релюшки, управляемой ATX для включения питания периферийных устройств (монитора и т.п.)
    Следующая, рабочая версия в архиве:
    - подробное описание алгоритма работы
    - прошивка + исходники
    - модель для Proteus'а
    - схема
    - чертежи печатной платы
    Размеры и крепежные отверстия печатки совпадают с размерами M2-ITX для монтажа "бутербродом". Контроллер шире БП на 10мм - для удобства подключения проводов. На чертеже, на слое М1 красная линия - это граница БП.
    Контактные площадки 1-5 рядом с контроллером - для внутрисхемного программирования.
    Светодиодов индикации - много. Если хочется сэкономить - можно не ставить. Тогда: HL1,HL2,HL3,HL6 обязательно заменить перемычками; HL4,HL5,HL7 - просто не ставить.
    Ключи в каналах нагревателя, питания периферии и блока питания теоретически допускают ток 74А, но реальная нагрузка, учитывая дорожки платы и клеммы подключения может быть порядка 10-15А. В каналах ACC OUT и AMP REM - 5.3А, фактически 2-2.5А. Но это так для статистики - вообще эти цепи сигнальные.
    В моем случае (общее потребление системы max 3А) ничего не греется. Но в случае больших токов потребления - силовым ключам неплохо было бы прикрутить радиатор.
    Миниатюры Миниатюры Нажмите на изображение для увеличения. 

Название:	DSCN0437.jpg 
Просмотров:	453 
Размер:	55.0 Кб 
ID:	9895   Нажмите на изображение для увеличения. 

Название:	DSCN0440.jpg 
Просмотров:	555 
Размер:	135.9 Кб 
ID:	9896   Нажмите на изображение для увеличения. 

Название:	Схема.jpg 
Просмотров:	749 
Размер:	97.0 Кб 
ID:	9897  
    Вложения Вложения
    Последний раз редактировалось Alex-L; 26.09.2010 в 22:57.

  2. #2
    Наисистемниший Аватар для Stasik
    Регистрация
    09.06.2008
    Возраст
    45
    Сообщений
    595
    Вес репутации
    429

    По умолчанию Re: Еще один контроллер управления БП и периферией

    Надо чтобы девайс сам себя обесточивал, как быть с этим?

  3. #3
    Пользователь
    Регистрация
    19.06.2009
    Возраст
    54
    Сообщений
    85
    Вес репутации
    220

    По умолчанию Re: Еще один контроллер управления БП и периферией

    В выключенном состоянии ток потребления девайса 0А
    Я сам очень щепетильно отношусь к таким вещам - например оставить БП типа E10000 или M2-... подключенным к АКБ параноя не позволяет. Но здесь все ОК.
    Для тех, кто не верит - есть аналогичная схема с реле - в архиве.
    Этот вариант я не собирал.
    Вложения Вложения

  4. #4
    Новичок Аватар для Greywolf
    Регистрация
    17.03.2008
    Возраст
    40
    Сообщений
    19
    Вес репутации
    221

    По умолчанию Re: Еще один контроллер управления БП и периферией

    Спасибо, прям то что нужно было
    Ток как выяснилось нифига не могу найти необходимые комплектушки...
    PIC16F886 - Платан минимальный заказ 12 штук, Чип-Дип 27 штук...
    DS1621S - Платан 18 штук по 72,4р., Чип-Дип от 1, но цена 350 рублей...
    В Ха, вообще нифига нету
    Может у кого завалялись?)) О доставке и оплате договоримся
    Последний раз редактировалось Greywolf; 31.10.2010 в 10:49.

  5. #5
    Пользователь
    Регистрация
    19.06.2009
    Возраст
    54
    Сообщений
    85
    Вес репутации
    220

    По умолчанию Re: Еще один контроллер управления БП и периферией

    В Чипидип не ходи - цена в башка пападет! В Контест ходи, в Митракон ходи (тоже правда не сильно дешево)
    Последний раз редактировалось Alex-L; 31.10.2010 в 18:53.

  6. #6
    Новичок
    Регистрация
    21.10.2010
    Возраст
    51
    Сообщений
    15
    Вес репутации
    190

    По умолчанию Re: Еще один контроллер управления БП и периферией

    А платы для DS1621S на фото нет?И куда её нужно разместить?

  7. #7
    Пользователь
    Регистрация
    19.06.2009
    Возраст
    54
    Сообщений
    85
    Вес репутации
    220

    По умолчанию Re: Еще один контроллер управления БП и периферией

    На фото платы нет. Во вложении есть. Хотя плата там - одно название...
    Размещать там - где ты хочешь чтобы датчик измерял температуру. Если измеряешь температуру поверхности (хард, радиатор и т.п.) - тогда корпус DS-ки должен быть прижат к этой поверхности. Лучше с термопастой.

  8. #8
    Новичок
    Регистрация
    21.10.2010
    Возраст
    51
    Сообщений
    15
    Вес репутации
    190

    По умолчанию Re: Еще один контроллер управления БП и периферией

    А у Вас где этот датчик температуры закреплён?Мне нужно мерить температуру жёсткого диска,а при наличии нагревательного элемента (http://alex-l.users.photofile.ru/pho...436.jpg),места для датчика не остаётся,хоть плата и маленикая (но как ни крути 15мм шириной) где её можно закрепить?

  9. #9
    Новичок
    Регистрация
    21.10.2010
    Возраст
    51
    Сообщений
    15
    Вес репутации
    190

    По умолчанию Re: Еще один контроллер управления БП и периферией


  10. #10
    Новичок
    Регистрация
    21.10.2010
    Возраст
    51
    Сообщений
    15
    Вес репутации
    190

    По умолчанию Re: Еще один контроллер управления БП и периферией

    И ещё вопрос-контроллер PIC16F886 Вы программировали до установки на плату и чем?(извиняюсь за делитантский вопрос,я вэтом не очень разбираюсь)

Страница 1 из 4 1234 ПоследняяПоследняя

Информация о теме

Пользователи, просматривающие эту тему

Эту тему просматривают: 1 (пользователей: 0 , гостей: 1)

Ваши права

  • Вы не можете создавать новые темы
  • Вы не можете отвечать в темах
  • Вы не можете прикреплять вложения
  • Вы не можете редактировать свои сообщения
  •