Страница 21 из 25 ПерваяПервая ... 111516171819202122232425 ПоследняяПоследняя
Показано с 201 по 210 из 249

Тема: Т2000

  1. #201
    Местный Аватар для Krock
    Регистрация
    24.11.2008
    Возраст
    38
    Сообщений
    140
    Вес репутации
    248

    По умолчанию Re: Т2000

    Помогу чем смогу!

  2. #202
    Продвинутый Аватар для vovicus62
    Регистрация
    10.07.2009
    Возраст
    54
    Сообщений
    238
    Вес репутации
    252

    Радость Re: Т2000 начало

    итак ,начало положено!,специально для проекта т2000 был куплен лазер hp р1005,по пути в обойном магазине самоклейка 333,и после тестовой страницы напечатаны платы,в качестве потренироваться в ЛУТ,и надоже всё получилось изумительно с первого раза!
    окрылённый таким успехом,тут же затарился деталюшками,вот результат изысканий до обеда!
    Последний раз редактировалось vovicus62; 16.02.2010 в 06:58.

  3. #203
    Местный Аватар для Самоделкин
    Регистрация
    11.02.2008
    Возраст
    61
    Сообщений
    186
    Вес репутации
    284

    По умолчанию Re: Т2000

    конденсаторы на выходе преобразователей лучше ставить Low ESR
    Разработка устройств для CarPC

  4. #204
    Новичок
    Регистрация
    07.05.2009
    Возраст
    55
    Сообщений
    7
    Вес репутации
    207

    По умолчанию Re: Т2000

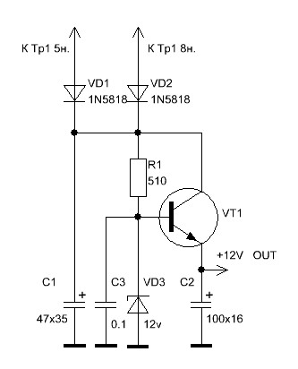
    Способ получить +12В при построении гальванически развязанной версии БП.
    Кстати добавлю - входные емкости тоже должны быть Low-ESR и макс темп. 105гр.С

    НО Поскольку контролер в исходной схеме непосредственно управляет вкл. каждой 3525 и при этом контролирует наличие выходных напряжений и их номинал, что требует гальванической связи контр и выходной части преобразователя, то надо править прошивку оставив MCU на "горячей" стороне и подавая ему инф лиш о наличии +5В +12 и +3,3В на "холодной" стороне. PG и PC_ON можно передать оптопарами на "холодную" сторону. Соответственно без автора БП затея с гальванической развязкой ГМ..... хотя контроллер тоже можно обмануть. Но я считаю необходимым услышать мнение автора БП ктр. мы тут собрались модифицировать и по прошивке и по модификациям
    Миниатюры Миниатюры Нажмите на изображение для увеличения. 

Название:	+12V.JPG 
Просмотров:	399 
Размер:	18.4 Кб 
ID:	5168  
    Последний раз редактировалось AlexNemo; 23.07.2009 в 23:58.

  5. #205
    Продвинутый Аватар для vovicus62
    Регистрация
    10.07.2009
    Возраст
    54
    Сообщений
    238
    Вес репутации
    252

    По умолчанию Re: Т2000

    спасибо за инфу по конденсаторам!

    вопрос к Самоделкину!
    существует ли коммерческая версия прошивки с usb ?,очень хотелось бы её заиметь ?
    Последний раз редактировалось vovicus62; 24.07.2009 в 00:56.

  6. #206
    Продвинутый Аватар для vovicus62
    Регистрация
    10.07.2009
    Возраст
    54
    Сообщений
    238
    Вес репутации
    252

    Плохо Re: Т2000

    чем чревато если непоставить Low-ESR ? а 105 написано везде(маде ин чейена)
    Последний раз редактировалось vovicus62; 24.07.2009 в 16:00.

  7. #207
    Местный Аватар для Krock
    Регистрация
    24.11.2008
    Возраст
    38
    Сообщений
    140
    Вес репутации
    248

    По умолчанию Re: Т2000

    пока не парься, собери, подкрути, проверь на работоспособность, а там можно будет и перекинуть....

  8. #208
    Продвинутый Аватар для vovicus62
    Регистрация
    10.07.2009
    Возраст
    54
    Сообщений
    238
    Вес репутации
    252

    По умолчанию Re: Т2000

    всем привет! добрался до радиаторов,просветите как обстоит дело с нагревом радиаторов !?,сильно ли греются?

  9. #209
    Местный Аватар для Krock
    Регистрация
    24.11.2008
    Возраст
    38
    Сообщений
    140
    Вес репутации
    248

    По умолчанию Re: Т2000

    нагрев присутствует полюбому, скажу так, нагревался до момента когда палец с трудом можно было удержать, дальше ставил кулер 6х6х1, т.к. контроллер управляет оборотами, его практически не слышно. Радиаторы 4х8 см с 4мя ребрами 1 см. фотика пока нет на месте заснять.

  10. #210
    Продвинутый Аватар для vovicus62
    Регистрация
    10.07.2009
    Возраст
    54
    Сообщений
    238
    Вес репутации
    252

    По умолчанию Re: Т2000

    Цитата Сообщение от Krock Посмотреть сообщение
    нагрев присутствует полюбому, скажу так, нагревался до момента когда палец с трудом можно было удержать, дальше ставил кулер 6х6х1, т.к. контроллер управляет оборотами, его практически не слышно. Радиаторы 4х8 см с 4мя ребрами 1 см. фотика пока нет на месте заснять.
    krock а какая у тебя конфигурация железа?,и ещё вопрос по прошивке!,есть ли версия с usb ?,автор грит уходит в коммерческую версию,а где её купить можно!?,или все шьют что на форуме лежит?
    пробовал с Самоделкиным связаться!,неполучается (.

Страница 21 из 25 ПерваяПервая ... 111516171819202122232425 ПоследняяПоследняя

Информация о теме

Пользователи, просматривающие эту тему

Эту тему просматривают: 1 (пользователей: 0 , гостей: 1)

Ваши права

  • Вы не можете создавать новые темы
  • Вы не можете отвечать в темах
  • Вы не можете прикреплять вложения
  • Вы не можете редактировать свои сообщения
  •