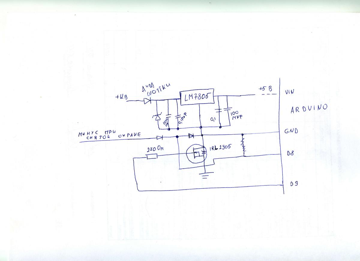
В сигнализация Aps тоже во всех что разбирал 7805 в таком же корпусе. 05 это напряжение. Ток у них 100ма, но без радиатора корпус много тепла не рассеет. В зависимости от корпуса, 50-70 мА это максимум. Раз ток 10-20мА, имхо, вполне можно применить. Я бы примерно так сделал: на входе пред, потом Шоттки, потом TVS на землю вольт 15-25, потом электролит около 1000мкФ с керамикой 0,1мкф, далее 7805 и на выходе 100-470мкФ с керамикой. На ногах питания МК тоже керамика.




Ответить с цитированием
