Страница 3 из 8 ПерваяПервая 12345678 ПоследняяПоследняя
Показано с 21 по 30 из 79
  1. #21
    Пользователь
    Регистрация
    02.04.2009
    Возраст
    40
    Сообщений
    76
    Вес репутации
    226

    По умолчанию Re: Новый DC преобрзователь для USB HUB и периферии

    А, кхм. Прошу у китайцев извинения. В описании в первом посте написано же:
    Для дистанционного включения/выключения преобразователей применяются сигналы уровней CMOS или TTL (открытый коллектор). Преобразователь включается при подаче на его вывод 4 напряжения не менее +5В или разрыве цепи управления и отключается при подаче напряжения менее +2,5 В или закорачивании этой цепи на землю.
    Ну, тогда можно даже и не резистором сажать, а тупо коротить на землю.

  2. #22
    Продвинутый Аватар для didos
    Регистрация
    11.03.2008
    Возраст
    52
    Сообщений
    290
    Вес репутации
    308

    По умолчанию Re: Новый DC преобрзователь для USB HUB и периферии

    Ну, тогда можно даже и не резистором сажать, а тупо коротить на землю.
    именно так и надо делать, но что спаять нужно, чтобы коротилось само, при пропадании 5V

  3. #23
    Администратор Аватар для Chip
    Регистрация
    08.06.2007
    Возраст
    56
    Сообщений
    13,381
    Вес репутации
    10

    По умолчанию Re: Новый DC преобрзователь для USB HUB и периферии

    Подобрать сопротивление резистора.
    Или не ставить вообще ни чего , оставить управляющий вывод открытым, подать на его вход питание +12в от АСС
    Последний раз редактировалось Chip; 09.07.2010 в 15:49.

  4. #24
    Продвинутый Аватар для didos
    Регистрация
    11.03.2008
    Возраст
    52
    Сообщений
    290
    Вес репутации
    308

    По умолчанию Re: Новый DC преобрзователь для USB HUB и периферии

    Подобрать сопротивление резистора
    пробовал, отваливается usb
    может можно как то с транзистором коротить управляющий контакт на землю?

  5. #25
    Новичок Аватар для Greywolf
    Регистрация
    17.03.2008
    Возраст
    41
    Сообщений
    19
    Вес репутации
    226

    По умолчанию Re: Новый DC преобрзователь для USB HUB и периферии

    У меня все отлично работает по такой схеме...
    от гальванической развязки и подключения к ACC отказался в пользу отсутствия лишних проводов и глюков из-за пропадения питания на хабе во время кручения стартера.
    Миниатюры Миниатюры Нажмите на изображение для увеличения. 

Название:	hub power.gif 
Просмотров:	1655 
Размер:	6.6 Кб 
ID:	9626  

  6. #26
    Новичок
    Регистрация
    20.04.2009
    Сообщений
    15
    Вес репутации
    212

    По умолчанию Re: Новый DC преобрзователь для USB HUB и периферии

    Добрый день!

    при первом включении сгорел, кажется, диод, который находится непосредственно около ножки CTRL. Пожалуйста, посмотрите маркировку, а то на моем уже ничего не видно!

    к CTRL у меня был подключен ACC. не знаете, почему он вдруг сгорел?

    Спасибо!

  7. #27
    Пользователь Аватар для Skanch
    Регистрация
    02.01.2010
    Возраст
    60
    Сообщений
    37
    Вес репутации
    208

    По умолчанию Re: Новый DC преобрзователь для USB HUB и периферии

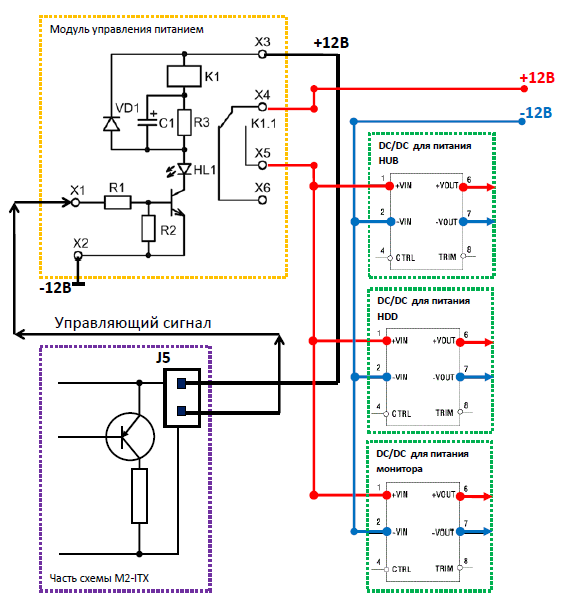
    Всем добрый день! Я подключил периферию по такой схеме.
    [IMG]file:///C:/Users/Alex/AppData/Local/Temp/moz-screenshot-1.png[/IMG]
    Миниатюры Миниатюры Нажмите на изображение для увеличения. 

Название:	Схема компановки питания переферии.png 
Просмотров:	5775 
Размер:	39.9 Кб 
ID:	10258  

  8. #28
    Пользователь
    Регистрация
    19.12.2009
    Возраст
    54
    Сообщений
    99
    Вес репутации
    220

    По умолчанию Re: Новый DC преобрзователь для USB HUB и периферии

    Вопрос для увеличения тока до 6А - можно ли параллельно подключить выхода DC преобразователей ?

  9. #29
    Администратор Аватар для Chip
    Регистрация
    08.06.2007
    Возраст
    56
    Сообщений
    13,381
    Вес репутации
    10

    По умолчанию Re: Новый DC преобрзователь для USB HUB и периферии

    Теоретически можно, а на практике нужно пробывать

  10. #30
    Новичок
    Регистрация
    05.11.2010
    Сообщений
    15
    Вес репутации
    194

    По умолчанию Re: Новый DC преобрзователь для USB HUB и периферии

    Помогите подключить данный блок.
    Когда выключаю зажигание, то напряжение падает с 14 до 11,4 (т.е. больше 2,5) срабатывает отключение питания этого преобразователя.
    Как это обойти?
    Мне надо чтобы хаб ещё оставался включённым 1 мин после выключения зажигания.

Страница 3 из 8 ПерваяПервая 12345678 ПоследняяПоследняя

Информация о теме

Пользователи, просматривающие эту тему

Эту тему просматривают: 11 (пользователей: 0 , гостей: 11)

Ваши права

  • Вы не можете создавать новые темы
  • Вы не можете отвечать в темах
  • Вы не можете прикреплять вложения
  • Вы не можете редактировать свои сообщения
  •