2 efimomax
А по какой схеме адаптер собирал?
 Re: BMW I-Bus K-Bus
 Re: BMW I-Bus K-Bus
				2 efimomax
А по какой схеме адаптер собирал?
 Re: BMW I-Bus K-Bus
 Re: BMW I-Bus K-Bus
				Будут вопросы, пишите...
 Re: BMW I-Bus K-Bus
 Re: BMW I-Bus K-Bus
				на транзисторах с отдельным питанием из PDF (тот что выше) + MAX 232 для выравнивания уровней до TTL (её сам по типовому включению из datasheet)
Последний раз редактировалось efimomax; 02.11.2009 в 02:01.
 Re: BMW I-Bus K-Bus
 Re: BMW I-Bus K-Bus
				хороший модем должен качать пиво!
Мой проект
 Re: BMW I-Bus K-Bus
 Re: BMW I-Bus K-Bus
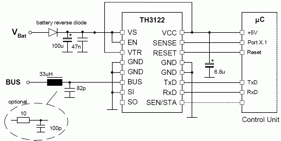
				Вот схема из Datashit
 Re: BMW I-Bus K-Bus
 Re: BMW I-Bus K-Bus
				Да нет никакой схемы, все как в дадашит
-> от R4 - 22 K схемы на транзисторах (то что помечена как TX) в ногу 14 (T1OUT) на MAX 232
соответственно 11 c MAX232 на arduino
-> от R3 (4.7 К на схеме RX и на DB 9 нога 2) на ногу 13 MAX232 (R1IN)
соответсвенно 12 c MAX 232 на arduino
Хотя если просто читать можно вообще оставить 1 транзистор и одну линию на MAX 232
Последний раз редактировалось efimomax; 02.11.2009 в 03:36.
 Re: BMW I-Bus K-Bus
 Re: BMW I-Bus K-Bus
				Вот надежная схема

Последний раз редактировалось Chip; 02.11.2009 в 03:35.
 Re: BMW I-Bus K-Bus
 Re: BMW I-Bus K-Bus
				Эта вообще гальванически развязана, ОЧЕНЬ хорошо.
Последний раз редактировалось efimomax; 02.11.2009 в 03:59.
 Re: BMW I-Bus K-Bus
 Re: BMW I-Bus K-Bus
				Корпус DIP 6 Datasheet
ps: какая версия Arduino у тебя? куда TX а куда RX в Arduino подключать? как я понял 7 и 8 Пины на 7 TX на 8 RX правильно?
хороший модем должен качать пиво!
Мой проект
Эту тему просматривают: 1 (пользователей: 0 , гостей: 1)