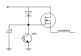
На резисторе 1к при напряжении 25в будет гасится около 0,6 ваттСообщение от telefonist
Почему он у тебя не греется?
Судя по DS для его открывания достаточно 20v 100nA
так что стоит увеличить резистор R5, дабы не греть в пустую атмосферу
__________________
Установка MySQL






Ответить с цитированием
