Страница 8 из 10 ПерваяПервая ... 2345678910 ПоследняяПоследняя
Показано с 71 по 80 из 97
  1. #71
    Продвинутый
    Регистрация
    03.06.2008
    Возраст
    50
    Сообщений
    320
    Вес репутации
    350

    По умолчанию Re: Управление нагрузкой с помощью Arduino

    Спасибо! То есть я правильно понял что надо смотреть вот это - Максимально допустимый ток к ( Iк макс,А) 0.1 ?

    Вот этого будет более чем достаточно http://www.chipdip.ru/product/2n4403-onsemi/

    Максимально допустимый ток к ( Iк макс.А) 0.6

    Я попытался почитать про это, но блин нигде простым человеческим языком не пишут, что такое "максимальный допустимый ток коллектора". Везде пишут чепуху с кучей формул и на три страницы.
    Последний раз редактировалось mebitek; 20.03.2013 в 21:15.

  2. #72
    Продвинутый
    Регистрация
    19.02.2010
    Возраст
    48
    Сообщений
    244
    Вес репутации
    247

    По умолчанию Re: Управление нагрузкой с помощью Arduino

    Использую 2n5551. Для практически любого реле достаточно.

  3. #73
    Продвинутый
    Регистрация
    03.06.2008
    Возраст
    50
    Сообщений
    320
    Вес репутации
    350

    По умолчанию Re: Управление нагрузкой с помощью Arduino

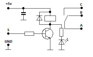
    А вот эта схема разве верна?

    Нажмите на изображение для увеличения. 

Название:	bp.gif 
Просмотров:	3115 
Размер:	2.4 Кб 
ID:	16106

    Получается что светодиод анодом подключён к земле.

    Может лучше вот такая схема?

    Нажмите на изображение для увеличения. 

Название:	diod.jpg 
Просмотров:	5649 
Размер:	11.5 Кб 
ID:	16107

  4. #74
    Администратор Аватар для Chip
    Регистрация
    08.06.2007
    Возраст
    56
    Сообщений
    13,381
    Вес репутации
    10

    По умолчанию Re: Управление нагрузкой с помощью Arduino

    Лучше вторая схема.

  5. #75
    Продвинутый
    Регистрация
    03.06.2008
    Возраст
    50
    Сообщений
    320
    Вес репутации
    350

    По умолчанию Re: Управление нагрузкой с помощью Arduino

    Спасибо!
    Первая схема у меня не работала, то есть не горел диод.

  6. #76
    Местный
    Регистрация
    10.11.2010
    Сообщений
    144
    Вес репутации
    219

    По умолчанию Re: Управление нагрузкой с помощью Arduino

    Цитата Сообщение от mebitek Посмотреть сообщение
    Спасибо!
    Первая схема у меня не работала, то есть не горел диод.
    Схемы совсем разные по назначению: на первой схеме (если диод перевернуть правильно) горит при отключенном реле, на второй - при включенном. Так что смотря что нужно, а не "какая лучше".

  7. #77
    Новичок
    Регистрация
    14.07.2013
    Сообщений
    2
    Вес репутации
    0

    По умолчанию Re: Управление нагрузкой с помощью Arduino

    Здравствуйте!
    Вопрос по этой схеме:
    Название: BP.GIF
Просмотров: 5512

Размер: 1.7 Кб

    Собрали на монтажной плате - не работает
    Источник питания у нас - БП на 12В. Релюшка тоже должна срабатывать от 12В.
    Вопрос вообще ламерский: "земля", которая здесь нарисована - туда надо кинуть минус и от ардуины, и от БП?
    Правильно ли мы поняли схему?


    Название: BP1.gif
Просмотров: 5183

Размер: 2.6 Кб

    На выходе ардуины относительно земли появляется +5В при оправке HIGH в пин, значит проблема в нашем понимании сборки схемы.

  8. #78
    Новичок
    Регистрация
    14.07.2013
    Сообщений
    2
    Вес репутации
    0

    По умолчанию Re: Управление нагрузкой с помощью Arduino

    Вопрос в предыдущем сообщении сами себе ответили - схему поняли правильно, но диод воткнули вверх ногами Переставили - всё получилось.

    Тогда следующий вопрос: а как в эту схему добавить трёхвольтовый светодиод, работающий при замкнутом реле, чтобы и он не сгорел, и ардуине было нетрудно его обеспечивать электричеством?

  9. #79
    Администратор Аватар для Chip
    Регистрация
    08.06.2007
    Возраст
    56
    Сообщений
    13,381
    Вес репутации
    10

    По умолчанию Re: Управление нагрузкой с помощью Arduino

    светодиод подключить параллельно диоду и через ограничивающей резистор 1к-2к

  10. #80
    Продвинутый
    Регистрация
    03.06.2008
    Возраст
    50
    Сообщений
    320
    Вес репутации
    350

    По умолчанию Re: Управление нагрузкой с помощью Arduino

    Не могу понять что происходит.
    У меня через реле, подключённое по этой схеме, включается розетка.

    Название: BP.GIF
Просмотров: 4475

Размер: 1,017 байт

    Так вот, если в розетку воткнута нагрузка, то всё работет, а если вынуть вилку и вставить обратно, то ардуина перезагружается (не всегда).
    Но ведь реле защёлкнуто и никакого отношения к ардуине не имеет, почему так может происходить?
    Последний раз редактировалось mebitek; 15.11.2013 в 07:02.

Страница 8 из 10 ПерваяПервая ... 2345678910 ПоследняяПоследняя

Информация о теме

Пользователи, просматривающие эту тему

Эту тему просматривают: 4 (пользователей: 0 , гостей: 4)

Ваши права

  • Вы не можете создавать новые темы
  • Вы не можете отвечать в темах
  • Вы не можете прикреплять вложения
  • Вы не можете редактировать свои сообщения
  •