Показано с 1 по 6 из 6
  1. #1
    Гуру
    Регистрация
    08.01.2008
    Сообщений
    703
    Вес репутации
    374

    По умолчанию Драйвер шагового двигателя

    Нашёл готовый девайс... делают в мск...ООО Фракал...
    OUT9-1.1 Активный модуль управления
    2 шаговыми/линейными двигателями
    (8 вых. +/-24В/1А, 4 вх.сух.конт.,PIC16F876,I2C)


    Ну и чего? Ни кто не живет около "Силиконовой долины"?

  2. #2
    Администратор Аватар для Chip
    Регистрация
    08.06.2007
    Возраст
    56
    Сообщений
    13,381
    Вес репутации
    10

    По умолчанию Re: Драйвер шагового двигателя

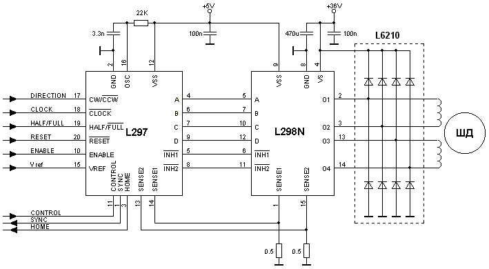
    Вот две схемки драйвера шагового двигателя
    Миниатюры Миниатюры Нажмите на изображение для увеличения. 

Название:	step.png 
Просмотров:	450 
Размер:	23.0 Кб 
ID:	2912   Нажмите на изображение для увеличения. 

Название:	l297-l298.gif 
Просмотров:	445 
Размер:	8.6 Кб 
ID:	2913  
    Последний раз редактировалось Chip; 26.01.2009 в 02:49.

  3. #3
    Гуру
    Регистрация
    08.01.2008
    Сообщений
    703
    Вес репутации
    374

    По умолчанию Re: Драйвер шагового двигателя

    Готовый девайс продаётся ....900р..В Зеленограде...Вот я и спрашивал, кто недалеко живёт.

  4. #4
    Гуру
    Регистрация
    08.01.2008
    Сообщений
    703
    Вес репутации
    374

    По умолчанию Re: Драйвер шагового двигателя

    Я ж говорю, готовый есть ....а желающих помочь-нет

  5. #5
    Администратор Аватар для Chip
    Регистрация
    08.06.2007
    Возраст
    56
    Сообщений
    13,381
    Вес репутации
    10

    По умолчанию Re: Драйвер шагового двигателя

    Зеленоград это самое сложное направление , можно в пробке 4 часа простоять от Химок до Зеленограда и обратно

  6. #6
    Гуру
    Регистрация
    08.01.2008
    Сообщений
    703
    Вес репутации
    374

    По умолчанию Re: Драйвер шагового двигателя

    Потому и спрашиваю, кто рядом живёт...

Информация о теме

Пользователи, просматривающие эту тему

Эту тему просматривают: 1 (пользователей: 0 , гостей: 1)

Ваши права

  • Вы не можете создавать новые темы
  • Вы не можете отвечать в темах
  • Вы не можете прикреплять вложения
  • Вы не можете редактировать свои сообщения
  •