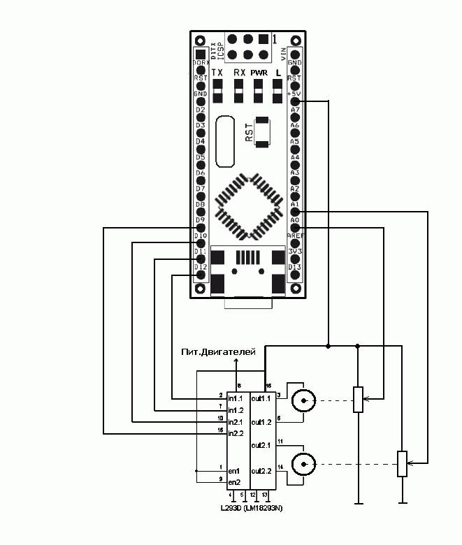
Приветствую всех! Хочу спросить у оптных людей, возможно ли подключение моторизированного монитра, через Carduino? Если возможно то как?? Тему подглядел здесь, http://www.compcar.ru/forum/showthread.php?t=5190. Интересует вариант с фиксацией в крайних положениях. Что имеется: 1. Шестеренчатый привод. 2. Электродвигатель (обычный не шаговый). 3. Слаботочные концевики (при крайних положениях происходит косание шестерней одного или другого).




Ответить с цитированием
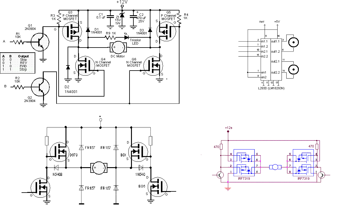
. я так понимаю с такими схемами концевики не нужны? Спасибо Вам большое Chip. Максимальный ток двигателя попробую уточнить завтра с утра.
