лучше с шагом 100 Ом
Вид для печати
лучше с шагом 100 Ом
Пока не купите что? Планшет или джойстик?
Планшет куплен. Пока не куплю это https://duino.ru/product_info.php/in...dul-HC-06.html
Вы это мне советуете для управления резистивными кнопками через блютуз :)
Змей ИМХО, вот так проще будет Remote steering wheel control
Можно получить дополнительные плюшки Виджет для Remote steering wheel control
Я так понимаю человек с xda использует ардуино + блютуз модуль который я купил. Чип (если я его правильно понял) предлагает использовать только блютуз модуль (причем что в ссылке Чипа что с xda блютуз один и тот же) В чем родствпростота я с этим не понял. С одной стороны есть софт написанный - это проще. Но с другой не понятно как скрестить ардуино и блютуз чтобы это все в системе определялось как hid устройство ввода. Потому что человек подключал мл усб.
Змей, что бы использовать только HC-05 нужна специальная прошивка для него, я такой ни где не видел. Сам делал так, только под ИК пульт, сложный вариант.
Для Remote steering wheel control не нужно спец прошивок для модуля HC-05, нужно только подключить ардуино по UART, например pro mini и установить софт на планшет.
Вложение 18416
Как обычно все понятно что ничего не понятно :) Видимо надо развивать мне мозги :) Если вас не затруднит. Объясните как для ландыша (скажу честно ардуино держу первый раз в жизни. Никогда не настраивал и не знаю даже самого элементарного. Но готов учиться и познавать. Склад ума технический кое что умею в электронике но немного в другой области)
Я кладу перед собой блютуз HC-05 - Если без ардуино то нужна спец прошивка которой вроде как нет но Чип говорит изучать шапку (я всю ее прочитал и честно прошивки не нашел) + не понятно через что его вообще прошивать. Лпт у меня уже давно нет ибо старо как мамонты.
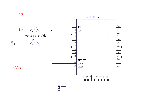
Вариант другой по предложенной вами схеме.
1)Купив ардуино про мини какая схема подключения получиться блютуз с ардуино и куда вешать кнопки?
2)если я вас правильно понял то подключив все это и подключив как в п1 я ставлю Remote steering wheel control на планшет и что дальше? Софт сам все определит? Как планшет увидит модуль блютуз? Кем блютуз прикиниться?
Простите за много вопросов. Это первый мой такой конструктор и пока не все понятно
Пы. Сы. Я правильно понимаю что использовав вашу схему управления кнопками я смогу получить еще и так называемое "двойное нажатие" когда разовое нажатие это одна комбинация клавиш а нажатие с удержанием другая?
Если вам не сложно помогите мне. Прочитал шапку. Мне подсказали что нужна прошивка для модуля блютуз чтобы планшет его увидел как hid клавиатуру. В шапке где взять прошивку и как прошить ответа не нашел. Если вы предложили такой вариант подключения значит он точно должен работать (в вашей репутации сомнений нет). Помогите разобраться как настроить. Хочу все знать и уметь :)