Страница 66 из 70 ПерваяПервая ... 16566061626364656667686970 ПоследняяПоследняя
Показано с 651 по 660 из 697
  1. #651
    Администратор Аватар для Chip
    Регистрация
    08.06.2007
    Возраст
    56
    Сообщений
    13,381
    Вес репутации
    10

    По умолчанию Re: Адаптер рулевых кнопок.

    лучше с шагом 100 Ом

  2. #652
    Пользователь
    Регистрация
    04.02.2008
    Возраст
    44
    Сообщений
    45
    Вес репутации
    232

    По умолчанию Re: Адаптер рулевых кнопок.

    Цитата Сообщение от Chip Посмотреть сообщение
    лучше с шагом 100 Ом
    А по остальным вопросам

  3. #653
    Администратор Аватар для Chip
    Регистрация
    08.06.2007
    Возраст
    56
    Сообщений
    13,381
    Вес репутации
    10

    По умолчанию Re: Адаптер рулевых кнопок.

    Пока не купите что? Планшет или джойстик?

  4. #654
    Пользователь
    Регистрация
    04.02.2008
    Возраст
    44
    Сообщений
    45
    Вес репутации
    232

    По умолчанию Re: Адаптер рулевых кнопок.

    Цитата Сообщение от Chip Посмотреть сообщение
    Пока не купите что? Планшет или джойстик?
    Планшет куплен. Пока не куплю это https://duino.ru/product_info.php/in...dul-HC-06.html

    Вы это мне советуете для управления резистивными кнопками через блютуз
    Последний раз редактировалось Chip; 18.03.2017 в 00:52.

  5. #655
    Пользователь
    Регистрация
    04.02.2008
    Возраст
    44
    Сообщений
    45
    Вес репутации
    232

    По умолчанию Re: Адаптер рулевых кнопок.

    Цитата Сообщение от Chip Посмотреть сообщение
    Пока не купите что? Планшет или джойстик?
    Купил я блютуз модуль. Теперь его надо прошивать? Открыл шапку по вашему совету. Все посты перечитал и так и не понял как этот модуль настраивать дальше хелп одним словом

  6. #656
    Пользователь Аватар для lti1
    Регистрация
    15.10.2010
    Возраст
    50
    Сообщений
    78
    Вес репутации
    205

    По умолчанию Re: Адаптер рулевых кнопок.

    Змей ИМХО, вот так проще будет Remote steering wheel control
    Можно получить дополнительные плюшки Виджет для Remote steering wheel control

  7. #657
    Пользователь
    Регистрация
    04.02.2008
    Возраст
    44
    Сообщений
    45
    Вес репутации
    232

    По умолчанию Re: Адаптер рулевых кнопок.

    Цитата Сообщение от lti1 Посмотреть сообщение
    Змей ИМХО, вот так проще будет Remote steering wheel control
    Можно получить дополнительные плюшки Виджет для Remote steering wheel control
    Я так понимаю человек с xda использует ардуино + блютуз модуль который я купил. Чип (если я его правильно понял) предлагает использовать только блютуз модуль (причем что в ссылке Чипа что с xda блютуз один и тот же) В чем родствпростота я с этим не понял. С одной стороны есть софт написанный - это проще. Но с другой не понятно как скрестить ардуино и блютуз чтобы это все в системе определялось как hid устройство ввода. Потому что человек подключал мл усб.

  8. #658
    Пользователь Аватар для lti1
    Регистрация
    15.10.2010
    Возраст
    50
    Сообщений
    78
    Вес репутации
    205

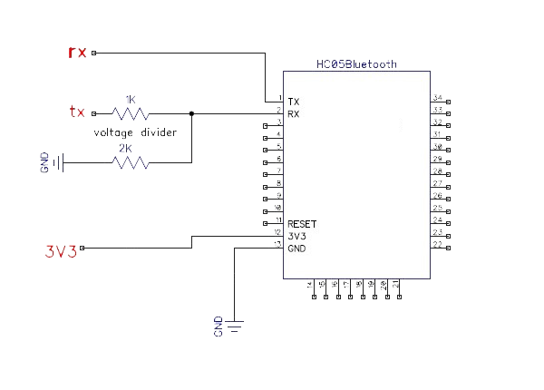
    По умолчанию Re: Адаптер рулевых кнопок.

    Змей, что бы использовать только HC-05 нужна специальная прошивка для него, я такой ни где не видел. Сам делал так, только под ИК пульт, сложный вариант.
    Для Remote steering wheel control не нужно спец прошивок для модуля HC-05, нужно только подключить ардуино по UART, например pro mini и установить софт на планшет.
    attachment.php?attachmentid=32457&d=1377380852.png
    Последний раз редактировалось Chip; 18.03.2017 в 00:54.

  9. #659
    Пользователь
    Регистрация
    04.02.2008
    Возраст
    44
    Сообщений
    45
    Вес репутации
    232

    По умолчанию Re: Адаптер рулевых кнопок.

    Цитата Сообщение от lti1 Посмотреть сообщение
    Змей, что бы использовать только HC-05 нужна специальная прошивка для него, я такой ни где не видел. Сам делал так, только под ИК пульт, сложный вариант.
    Для Remote steering wheel control не нужно спец прошивок для модуля HC-05, нужно только подключить ардуино по UART, например pro mini и установить софт на планшет.
    attachment.php?attachmentid=32457&d=1377380852.png
    Как обычно все понятно что ничего не понятно Видимо надо развивать мне мозги Если вас не затруднит. Объясните как для ландыша (скажу честно ардуино держу первый раз в жизни. Никогда не настраивал и не знаю даже самого элементарного. Но готов учиться и познавать. Склад ума технический кое что умею в электронике но немного в другой области)
    Я кладу перед собой блютуз HC-05 - Если без ардуино то нужна спец прошивка которой вроде как нет но Чип говорит изучать шапку (я всю ее прочитал и честно прошивки не нашел) + не понятно через что его вообще прошивать. Лпт у меня уже давно нет ибо старо как мамонты.
    Вариант другой по предложенной вами схеме.
    1)Купив ардуино про мини какая схема подключения получиться блютуз с ардуино и куда вешать кнопки?
    2)если я вас правильно понял то подключив все это и подключив как в п1 я ставлю Remote steering wheel control на планшет и что дальше? Софт сам все определит? Как планшет увидит модуль блютуз? Кем блютуз прикиниться?

    Простите за много вопросов. Это первый мой такой конструктор и пока не все понятно

    Пы. Сы. Я правильно понимаю что использовав вашу схему управления кнопками я смогу получить еще и так называемое "двойное нажатие" когда разовое нажатие это одна комбинация клавиш а нажатие с удержанием другая?
    Последний раз редактировалось Chip; 18.03.2017 в 00:55.

  10. #660
    Пользователь
    Регистрация
    04.02.2008
    Возраст
    44
    Сообщений
    45
    Вес репутации
    232

    По умолчанию Re: Адаптер рулевых кнопок.

    Цитата Сообщение от Chip Посмотреть сообщение
    2 Chip
    Если вам не сложно помогите мне. Прочитал шапку. Мне подсказали что нужна прошивка для модуля блютуз чтобы планшет его увидел как hid клавиатуру. В шапке где взять прошивку и как прошить ответа не нашел. Если вы предложили такой вариант подключения значит он точно должен работать (в вашей репутации сомнений нет). Помогите разобраться как настроить. Хочу все знать и уметь
    Последний раз редактировалось Змей; 31.01.2015 в 17:54.

Страница 66 из 70 ПерваяПервая ... 16566061626364656667686970 ПоследняяПоследняя

Информация о теме

Пользователи, просматривающие эту тему

Эту тему просматривают: 2 (пользователей: 0 , гостей: 2)

Ваши права

  • Вы не можете создавать новые темы
  • Вы не можете отвечать в темах
  • Вы не можете прикреплять вложения
  • Вы не можете редактировать свои сообщения
  •