Re: Управление нагрузкой с помощью Arduino
Спасибо! То есть я правильно понял что надо смотреть вот это - Максимально допустимый ток к ( Iк макс,А) 0.1 ?
Вот этого будет более чем достаточно http://www.chipdip.ru/product/2n4403-onsemi/
Максимально допустимый ток к ( Iк макс.А) 0.6
Я попытался почитать про это, но блин нигде простым человеческим языком не пишут, что такое "максимальный допустимый ток коллектора". Везде пишут чепуху с кучей формул и на три страницы.
Re: Управление нагрузкой с помощью Arduino
Использую 2n5551. Для практически любого реле достаточно.
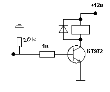
Вложений: 2
Re: Управление нагрузкой с помощью Arduino
А вот эта схема разве верна?
Вложение 16106
Получается что светодиод анодом подключён к земле.
Может лучше вот такая схема?
Вложение 16107
Re: Управление нагрузкой с помощью Arduino
Re: Управление нагрузкой с помощью Arduino
Спасибо!
Первая схема у меня не работала, то есть не горел диод.
Re: Управление нагрузкой с помощью Arduino
Цитата:
Сообщение от
mebitek
Спасибо!
Первая схема у меня не работала, то есть не горел диод.
Схемы совсем разные по назначению: на первой схеме (если диод перевернуть правильно) горит при отключенном реле, на второй - при включенном. Так что смотря что нужно, а не "какая лучше".
Вложений: 2
Re: Управление нагрузкой с помощью Arduino
Здравствуйте!
Вопрос по этой схеме:
Вложение 16403
Собрали на монтажной плате - не работает:(
Источник питания у нас - БП на 12В. Релюшка тоже должна срабатывать от 12В.
Вопрос вообще ламерский: "земля", которая здесь нарисована - туда надо кинуть минус и от ардуины, и от БП?
Правильно ли мы поняли схему?
Вложение 16404
На выходе ардуины относительно земли появляется +5В при оправке HIGH в пин, значит проблема в нашем понимании сборки схемы.
Re: Управление нагрузкой с помощью Arduino
Вопрос в предыдущем сообщении сами себе ответили - схему поняли правильно, но диод воткнули вверх ногами:) Переставили - всё получилось.
Тогда следующий вопрос: а как в эту схему добавить трёхвольтовый светодиод, работающий при замкнутом реле, чтобы и он не сгорел, и ардуине было нетрудно его обеспечивать электричеством?
Re: Управление нагрузкой с помощью Arduino
светодиод подключить параллельно диоду и через ограничивающей резистор 1к-2к
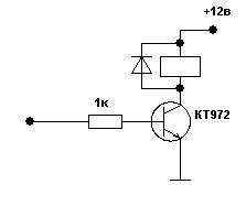
Вложений: 1
Re: Управление нагрузкой с помощью Arduino
Не могу понять что происходит.
У меня через реле, подключённое по этой схеме, включается розетка.
Вложение 16861
Так вот, если в розетку воткнута нагрузка, то всё работет, а если вынуть вилку и вставить обратно, то ардуина перезагружается (не всегда).
Но ведь реле защёлкнуто и никакого отношения к ардуине не имеет, почему так может происходить?