Сбацал переходничок с ноутовских карточек на PCI-E1, может кто захочет повторить.
Печатная плата разрабатывалась в Sprint-Layout_5, двухсторонняя, 60 х 50мм
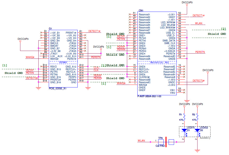
За основу взята схема MP2W адаптера, поскольку у моей карточки нет USB на борту, и ставить я его буду в авто, схема освобождена от активных элементов, до уровня тупого переходника.


Ответить с цитированием
, как забирать будеш !?
