Нужно установить carpc в альтезу на штатный монитор. Комплектующие для компьютера в процессе подбора.
В альтеззе установлены штатные: монитор 7'' без тачскрина, блок навигации, тв тюнер, головное устройство. После замены ГУ дисплей перестал работать, т.к. все устройства общаются друг с другом по шине AVC-LAN. Данная проблема была решена.
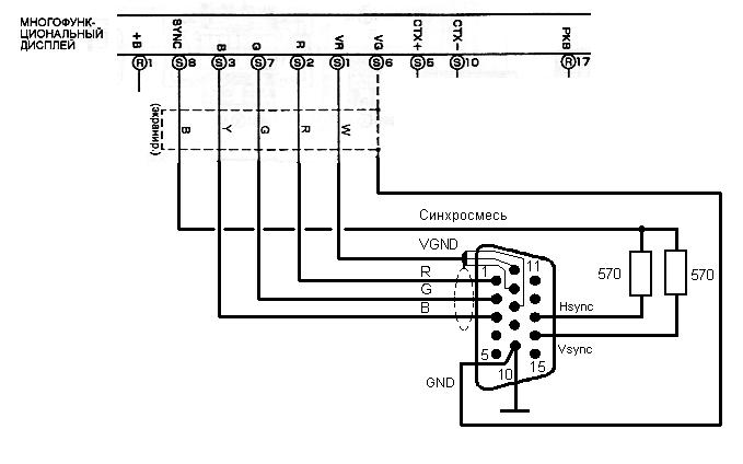
Подключил кабель для монитора согласо вложенной схеме.
Чтобы проверить, подключил ноутбук с установленным PowerStrip к кабелю. В итоге, настройки на штатном мониторе не меняются, в PS кнопка "Дополнительные параметры" не активна и кроме бегающих косых линий ничего не происходит.
Правильная ли схема использована и правильно ли соединение?
Или VGND и GND нужно поменять местами?
Как можно подключить штатный монитор альтезы к ноутбуку? Или видекарта ноутбука (Intel 82852/82855) не имеет нужных режимов?
Планировал купить Intel D945GCLF2 для основы CarPC, но может она не совсем удачная для штатного монитора?


Ответить с цитированием
