Страница 9 из 10 ПерваяПервая ... 345678910 ПоследняяПоследняя
Показано с 81 по 90 из 97
  1. #81
    Пользователь
    Регистрация
    17.12.2009
    Возраст
    48
    Сообщений
    34
    Вес репутации
    208

    По умолчанию Re: Управление нагрузкой с помощью Arduino

    Искрение на контактах реле, а они в свою очередь дают наводки на МК. По моим наблюдением AVR куда более склонен к перезагрузам, чем PIC при тех же самых условиях. Это подтверждают и многие другие. По этому нужно правильно разводить плату и питание МК или отвязать коммутацию нагрузки(реле) через оптрон.

  2. #82
    Продвинутый
    Регистрация
    03.06.2008
    Возраст
    50
    Сообщений
    320
    Вес репутации
    350

    По умолчанию Re: Управление нагрузкой с помощью Arduino

    Спасибо.

  3. #83
    Продвинутый
    Регистрация
    03.06.2008
    Возраст
    50
    Сообщений
    320
    Вес репутации
    350

    По умолчанию Re: Управление нагрузкой с помощью Arduino

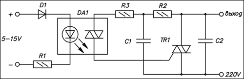
    Скажите пожалуйста, можно ли с помощью вот этого:



    включать вот такой пускатель?



    http://kontaktor32.ru/kme1810

    И зачем нужен конденсатор С1 и резистор R3 ?
    Просто на других схемах этого нет.

    Нажмите на изображение для увеличения. 

Название:	flasher1.png 
Просмотров:	3384 
Размер:	10.5 Кб 
ID:	16866

  4. #84
    Продвинутый
    Регистрация
    03.06.2008
    Возраст
    50
    Сообщений
    320
    Вес репутации
    350

    По умолчанию Re: Управление нагрузкой с помощью Arduino

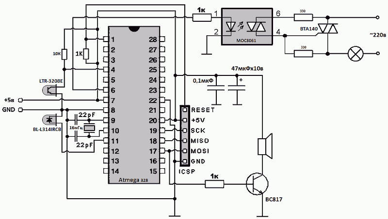
    МастерКит предлогает вот такую схему:

    Нажмите на изображение для увеличения. 

Название:	мастеркит.gif 
Просмотров:	2542 
Размер:	7.7 Кб 
ID:	16867

  5. #85
    Новичок
    Регистрация
    09.03.2013
    Сообщений
    17
    Вес репутации
    165

    По умолчанию Re: Управление нагрузкой с помощью Arduino

    Подниму тему. :-)

    Вместо IRLR2905 "попались в руки" IRLR3636. Смущает большая входная емкость для подключения к ардуинке.
    Нужен ли ему "напарник" типа 2N7002, в т.ч. чтобы успевал полностью открыться ?
    Планируется применение как для "только вкл./выкл. нагрузку", так и в схеме с ШИМ (с частотой не более килогерца).

  6. #86
    Администратор Аватар для Chip
    Регистрация
    08.06.2007
    Возраст
    56
    Сообщений
    13,381
    Вес репутации
    10

    По умолчанию Re: Управление нагрузкой с помощью Arduino

    Если только вкл/выкл то можно использовать
    Если использовать ШИМ то потребуется раскачка

  7. #87
    Новичок
    Регистрация
    09.03.2013
    Сообщений
    17
    Вес репутации
    165

    По умолчанию Re: Управление нагрузкой с помощью Arduino

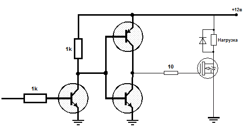
    А, к примеру, для использования IRLR3636 в схеме амбилайта (http://compcar.ru/forum/showthread.php?t=5869) вместо IRLR2905 такого драйвера хватит:
    Нажмите на изображение для увеличения. 

Название:	mosfet_driver.png 
Просмотров:	3168 
Размер:	9.0 Кб 
ID:	17564
    ?
    Или лучше драйвер позаимствовать из http://compcar.ru/forum/showthread.php?t=10266 ?

  8. #88
    Администратор Аватар для Chip
    Регистрация
    08.06.2007
    Возраст
    56
    Сообщений
    13,381
    Вес репутации
    10

    По умолчанию Re: Управление нагрузкой с помощью Arduino

    Должно хватить

  9. #89
    Новичок
    Регистрация
    09.03.2013
    Сообщений
    17
    Вес репутации
    165

    По умолчанию Re: Управление нагрузкой с помощью Arduino

    Спасибо!
    :-)

  10. #90
    Пользователь
    Регистрация
    29.03.2010
    Возраст
    44
    Сообщений
    63
    Вес репутации
    210

    По умолчанию Re: Управление нагрузкой с помощью Arduino

    Подскажите, если я хочу с помощью Ардуино управлять двухкиловатным обогревателем, то мне какой модуль для управления нагрузкой купить? И главное, как подключить?

Страница 9 из 10 ПерваяПервая ... 345678910 ПоследняяПоследняя

Информация о теме

Пользователи, просматривающие эту тему

Эту тему просматривают: 4 (пользователей: 0 , гостей: 4)

Ваши права

  • Вы не можете создавать новые темы
  • Вы не можете отвечать в темах
  • Вы не можете прикреплять вложения
  • Вы не можете редактировать свои сообщения
  •