Страница 11 из 16 ПерваяПервая ... 5678910111213141516 ПоследняяПоследняя
Показано с 101 по 110 из 152
  1. #101
    Местный Аватар для Murkur
    Регистрация
    31.01.2012
    Возраст
    46
    Сообщений
    157
    Вес репутации
    247

    По умолчанию Re: Кнопка Старт/Стоп на МК Arduino

    Цитата Сообщение от Niferman Посмотреть сообщение
    Подскажите такой блок реле подойдет? Вопрос по амперам. на нем макс. 10А
    Маловато будет.
    MSI E350IA-E45, AMD Zacate E-350, RAM - 4 Gb, HDD - 120 Gb, M2-ITX, GPS - RoyalTek RGM-3600, 8" TFT, Win 7

  2. #102
    Пользователь
    Регистрация
    25.01.2009
    Сообщений
    54
    Вес репутации
    221

    По умолчанию Re: Кнопка Старт/Стоп на МК Arduino

    Конечно нет. Эти реле на 10 китайских ампер, а настоящих они от силы пару выдержат. Все зависит от машины, но ставить реле меньше 30 настоящих ампер не стоит. И это должны быть качественные релюшки. Если ваши цепям такого тока достаточно то можно использовать автомобильные реле, обычные 20/30а или усиленные 40а.
    Вообще реле в таких цепях сейчас уже не используют, для этого есть силовые полевые транзисторы. Но судя по вашему вопросу лезть с такими познаниями в настолько ответственную систему вам явно не стоит - в лучшем случае машину сожжете, в худшем и вами сгорите.

  3. #103
    Пользователь
    Регистрация
    17.12.2009
    Возраст
    48
    Сообщений
    34
    Вес репутации
    206

    По умолчанию Re: Кнопка Старт/Стоп на МК Arduino

    Реальных 6А на резистивную нагрузку и 3А емкостная/индуктивная.

  4. #104
    Администратор Аватар для Chip
    Регистрация
    08.06.2007
    Возраст
    56
    Сообщений
    13,381
    Вес репутации
    10

    По умолчанию Re: Кнопка Старт/Стоп на МК Arduino

    Лучше использовать автомобильное реле

  5. #105
    Пользователь
    Регистрация
    08.12.2014
    Сообщений
    72
    Вес репутации
    193

    По умолчанию Re: Кнопка Старт/Стоп на МК Arduino

    Yray
    Но судя по вашему вопросу лезть с такими познаниями в настолько ответственную систему вам явно не стоит
    Может конечно в вашем авто провод от замка идет напрямую на стартер, но у меня этот провод является управляющим для реле стартера, где уже действительно токи нормальные текут. А в проводе на замке зажигания (управляющем) при проверке макс. выдавало меньше 5А при работающем стартере.
    Последний раз редактировалось Niferman; 19.10.2015 в 18:58.

  6. #106
    Пользователь
    Регистрация
    25.01.2009
    Сообщений
    54
    Вес репутации
    221

    По умолчанию Re: Кнопка Старт/Стоп на МК Arduino

    Если бы на стартер моей машины шло напрямую с замка то там было бы 850 ампер - я замков зажигания на такой ток не видел. Но речь была совершенно не о стартере - кроме него в замке зажигания есть линия аксессуаров (ACC) - у меня на ней ток в районе 15-20а, линия зажигания двигателя (IGN1) на ней 10-20а и линия зажигания всего остального оборудования (IGN2) на которой ток может переваливать за 40а. Так что линия стартера с его, честно говоря совершенно все равно какой нагрузкой, поскольку она настолько кратковременная что любое адекватное реле с этим справится - так вот на этом фоне линия стартера это такая мелочь о которой и говорить то не стоило - есть куда более важные цепи, функционал которых должен быть максимально надежно обеспечен, с такими системами и такими токами не шутят и раз вы этого не понимаете не лезьте туда - целее будете.

  7. #107
    Новичок
    Регистрация
    11.01.2016
    Возраст
    53
    Сообщений
    2
    Вес репутации
    0

    По умолчанию Re: Кнопка Старт/Стоп на МК Arduino

    Помогите, пожалуйста, прочитал тему мне нужна такая кнопка вот посмотрите я нарисовал печатку на ардуино впервые что либо собираю так что со скетчем у меня беда помогите написать скетчНажмите на изображение для увеличения. 

Название:	Безымянный.jpg 
Просмотров:	2296 
Размер:	151.6 Кб 
ID:	18789

  8. #108
    Пользователь
    Регистрация
    25.01.2009
    Сообщений
    54
    Вес репутации
    221

    По умолчанию Re: Кнопка Старт/Стоп на МК Arduino

    Во первых защитные диоды на релюшки, спалишь ведь все. Вместо транзисторов и резисторов да и диодов логичнее поставить одну uln2003
    с неёже взять управление бипером и индикацию режимов работы - 7 каналов для этого отлично подходят.
    Опторазвязка это конечно хорошо, но по моему в данном случае это перебор.
    Есть у меня кнопка, но не доделанная, как сделаю выложу.

  9. #109
    Новичок
    Регистрация
    11.01.2016
    Возраст
    53
    Сообщений
    2
    Вес репутации
    0

    По умолчанию Re: Кнопка Старт/Стоп на МК Arduino

    Цитата Сообщение от YraY Посмотреть сообщение
    Во первых защитные диоды на релюшки, спалишь ведь все. Вместо транзисторов и резисторов да и диодов логичнее поставить одну uln2003
    с неёже взять управление бипером и индикацию режимов работы - 7 каналов для этого отлично подходят.
    Опторазвязка это конечно хорошо, но по моему в данном случае это перебор.
    Есть у меня кнопка, но не доделанная, как сделаю выложу.
    спасибо буду ждать

  10. #110
    Пользователь
    Регистрация
    25.01.2009
    Сообщений
    54
    Вес репутации
    221

    По умолчанию Re: Кнопка Старт/Стоп на МК Arduino

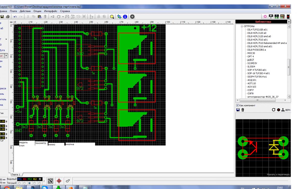
    Вот моя версия кнопки:
    Пробовал несколько готовых вариантов китайских кнопок,низшей и средней ценовой категории 30-80$ и вариант корейский, ценой более 200$, позиционируемый как безключевой кит для популярных корейских машин. Основная проблема китайских кнопок это то что они не знают о том что двигатель завелся и/или уже работает, это примитивные таймеры, которые просто переключают режимы. Ими можно пользоваться, но очень не притязательным пользователям и без сигналок с автозапуском, потому что автозапуск это просто беда для них, обязательно нужна защита стартера, а в случае машины с МКПП и необходимости "программной нейтрали", китайские кнопки вообще несовместимы с автозапуском, потому как глушение машины не возможно без нажатия на тормоз а он в свою очередь сбрасывает "программную нейтраль" . Отдельная тема китайских кнопок это иллюминация, которую они создают: как правило синий, яркий, мигающий, раздражающий свет который при установки кнопки в поле зрения водителя просто выедает мозг. Китайские кнопки попадались как на реле так и на линейках параллельно соединенных полевиков в качестве силовых коммутаций. Полевики это круто, но они же совсем китайские, из-за этого с ними было две проблемы - во первых наблюдалась какая-то утечка в силовых ключах, которая приводила к быстрому разряду аккумулятора, где-то в течении недели на не эксплуатируемой машине, во вторых заявленный ток они не держали, у моей машины конструкция такова что через первое и второе зажигание может проходить ток превышающий 40а на каждую линию, в общем полевики перегревались и вырубались. Кнопки на релюшках, в том числе и корейская, вели себя значительно лучше и в этом плане не доставляли проблем. Еще одна особенность всех кнопок, причем даже штатных на некоторых авто что мне доводилось пробовать - это одновременное включение всего и запуск двигателя без паузы после включения зажигания, зачем включать аксессуары, обе линии зажигания и стартер одновременно мне лично не понятно. Также как и отсутствие паузы после включения зажигания на запуск насоса, инициализацию эбу и датчиков - я считаю так нельзя. В кнопах предусмотрена пауза для дизелей, китайские просто делали задержку 10-30 секунд, а корейская имела вход от лампочки накала свечей. Но это все не подходит к бензиновым движкам.
    Все это я расписал не просто так, а что бы обрисовать круг важных функций на которые производители кнопок попросту забили, и соответственно никто кроме нас нам не поможет. Надо делать самим, а учитывая текущем курс доллара покупка такого девайса с кучей недостатков за 200+ долларов кажется вообще не серьезной.
    И так что должна делать кнопка на мой взгляд:
    1: Ничего не потреблять в выключенном состоянии и не давать никаких утечек, в общем только силовые реле.
    2: Быть совместима с автозапуском, определять что двигатель завелся или уже работает, а также глушиться без тормоза для сохранения "программной нейтрали"
    3: Грамотно производить запуск и распределять энергию при запуске, зимой это очень важно.
    4: Не раздражать водителя иллюминацией.
    5: Предупреждать водителя о том что АКПП не в паркинге. Это тоже важно, когда штатный замок зажигания заменяется кнопкой как правило перестает работать и оповещение или механическая блокировка ключа в отсутствии паркинга, и это очень плохо.
    О чем забыл или не подумал - добавьте или поправьте.
    Про иммобилайзер и его обходчик не говорю - у каждого он свой и свой подход к его реализации.
    Вот моя схема универсального контроллера, он сделан чтобы заменить внутренности китайской кнопки, силовая часть осталась родной, а управляющая целиком заменена самодельной.
    Нажмите на изображение для увеличения. 

Название:	knopka2.jpg 
Просмотров:	2858 
Размер:	171.8 Кб 
ID:	18802
    Схема контроллера в DipTrace, силовую часть дорисуете сами и сделаете плату как вам нужно, моя вам не подойдет:
    knopka.rar
    Скетч для Arduino:
    Button.rar

Страница 11 из 16 ПерваяПервая ... 5678910111213141516 ПоследняяПоследняя

Информация о теме

Пользователи, просматривающие эту тему

Эту тему просматривают: 10 (пользователей: 0 , гостей: 10)

Ваши права

  • Вы не можете создавать новые темы
  • Вы не можете отвечать в темах
  • Вы не можете прикреплять вложения
  • Вы не можете редактировать свои сообщения
  •