Страница 6 из 7 ПерваяПервая 1234567 ПоследняяПоследняя
Показано с 51 по 60 из 64
  1. #51
    Пользователь Аватар для murano
    Регистрация
    18.01.2008
    Сообщений
    92
    Вес репутации
    242

    По умолчанию Re: OBD-II диагностика на Carduino (Arduino)

    У меня тоже пишет 9141, а на самом деле 14230. А у него два типа инициализации. Поэтому и спрашивал. Раз взялся за такую работу, значит знаешь программный протокол. Попробуй в терминале командами через ELM чтобы точно выяснить.

  2. #52
    Новичок
    Регистрация
    26.02.2011
    Сообщений
    8
    Вес репутации
    187

    По умолчанию Re: OBD-II диагностика на Carduino (Arduino)

    Хм, интересное предположение. Спасибо, проверю.

    Цитата Сообщение от murano Посмотреть сообщение
    У меня тоже пишет 9141, а на самом деле 14230.
    А какая программа пишет? Чем проверяешь всмысле

  3. #53
    Пользователь Аватар для murano
    Регистрация
    18.01.2008
    Сообщений
    92
    Вес репутации
    242

    По умолчанию Re: OBD-II диагностика на Carduino (Arduino)

    Цитата Сообщение от Dmitri Посмотреть сообщение
    Чем проверяешь в смысле
    ScanMaster и Torque

  4. #54
    Новичок
    Регистрация
    26.02.2011
    Сообщений
    8
    Вес репутации
    187

    По умолчанию Re: OBD-II диагностика на Carduino (Arduino)

    Посмотрел сейчас - кроме ISO 9141 никакой протокол не может быть, т.к. все остальные протоколы были изобретены позже, чем мой авто (Mazda Familia 1998)
    ISO 9141: Road vehicles — Diagnostic systems. International Organization for Standardization, 1989.
    ISO 11898: Road vehicles — Controller area network (CAN). International Organization for Standardization, 2003.
    ISO 14230: Road vehicles — Diagnostic systems — Keyword Protocol 2000, International Organization for Standardization, 1999.
    ISO 15031: Communication between vehicle and external equipment for emissions-related diagnostics, International Organization for Standardization, 2010.
    ISO 15765: Road vehicles — Diagnostics on Controller Area Networks (CAN). International Organization for Standardization, 2004.

  5. #55
    Пользователь Аватар для murano
    Регистрация
    18.01.2008
    Сообщений
    92
    Вес репутации
    242

    По умолчанию Re: OBD-II диагностика на Carduino (Arduino)

    Ну тогда смотри реализацию аппаратно-программной инициализации:
    1. К-линия двунаправленная и передает данные в обе стороны, L-линия однонаправленная и используется только при установлении соединения между ЭБУ и сканером, затем линия L переходит в состояние логической единицы.
    2. При установлении соединения с ЭБУ, сканер посылает одновременно по К- и L-линиям специальный 8-битный код со скоростью 5 бит в секунду. Если код верный, ЭБУ посылает сканеру 8-битный код с информацией о скорости последующего соединения. Скорость обмена устанавливается ЭБУ, а не сканером. Затем ЭБУ посылает еще два кодовых слова с информацией о последующем соединении и конфигурации К- и L-линий. Сканер возвращает инверсии этих кодов в ЭБУ.
    Для себя реализовывал только 14230 (fast init).

  6. #56
    Новичок
    Регистрация
    28.04.2014
    Сообщений
    1
    Вес репутации
    0

    По умолчанию Re: OBD-II диагностика на Carduino (Arduino)

    Добрый день.
    это наверное самая близкая тема. Как можно получить значение скорости из K-L- линии. силами ардуины уно, без использования диагностического софта, компьютера и т.д.
    заранее благодарю.

  7. #57
    Пользователь Аватар для murano
    Регистрация
    18.01.2008
    Сообщений
    92
    Вес репутации
    242

    По умолчанию Re: OBD-II диагностика на Carduino (Arduino)

    Цитата Сообщение от wOOlf Посмотреть сообщение
    Добрый день.
    Как можно получить значение скорости из K-L- линии.
    Связь инициирует приемник (диагностический прибор, ардуино и т.д.). Он и должен устанавливать скорость соединения , на которой работает обмен с ECU. По иному, как мне видится, к этому блоку не доберешься.

  8. #58
    Новичок
    Регистрация
    25.01.2016
    Возраст
    42
    Сообщений
    1
    Вес репутации
    0

    По умолчанию Re: OBD-II диагностика на Carduino (Arduino)

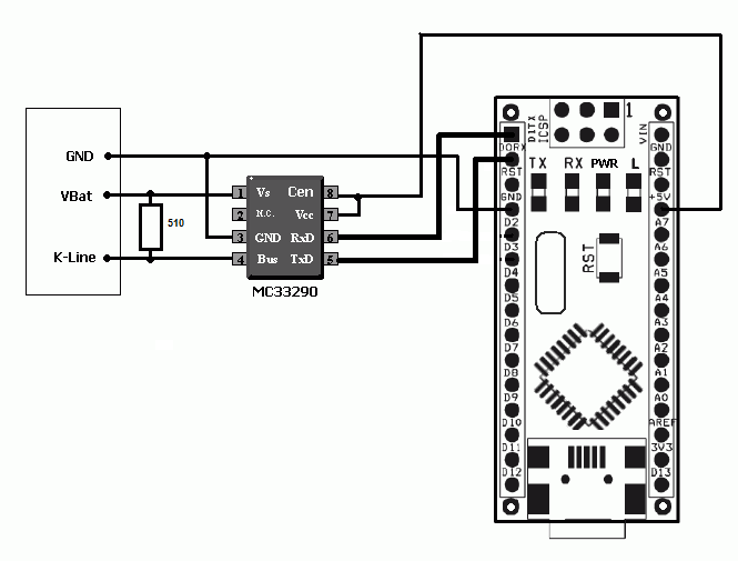
    Добрый день! Новичок в Arduino, но очень хочется собрать БК в свой авто. Нашел в интернете проект http://grauonline.de/wordpress/?p=74 собрал, пробовал на MC33290 связи нет (. Возник вопрос правильно ли я подключаю TX и RX. По схеме приведенной ниже MC33290 подключается на Rx и Tх Arduino, а по скетчу я понял что надо подключать на D2 и D3 ... Подскажите как все таки правильней? Может есть какой скетч для проверки есть ли какая то попытка связи?
    Нажмите на изображение для увеличения. 

Название:	CARDUINO_OBD_II.png 
Просмотров:	7533 
Размер:	37.0 Кб 
ID:	18808
    PHP код:
    /*
    Arduino Nano OBD reader (OBD protocol KW1281,  Audi A4 B5 etc.)

    wiring:
    D2 --- OBD level shifter input (RX) (e.g. LM339)
    D3 --- OBD level shifter output (TX) (e.g. LM339)
    A5 --- Arduino 20x4 LCD display SCL
    A4 --- Arduino 20x4 LCD display SDA

    NOTE: For the level shifting, I used a 'AutoDia K409 Profi USB adapter', disassembled it,
          and connected the Arduino to the level shifter chip (LM339) - the original FTDI chip TX line
          was removed (so it does not influence the communication)                                                                                              
    */

    #include <Wire.h>
    #include "LiquidCrystal_I2C.h"
    #include "NewSoftwareSerial.h"

    #define pinKLineRX 2
    #define pinKLineTX 3
    #define pinLED 13
    #define pinBuzzer 9
    #define pinButton 10


    // https://www.blafusel.de/obd/obd2_kw1281.html

    #define ADR_Engine 0x01
    #define ADR_Gears  0x02
    #define ADR_ABS_Brakes 0x03
    #define ADR_Airbag 0x15
    #define ADR_Dashboard 0x17
    #define ADR_Immobilizer 0x25
    #define ADR_Central_locking 0x35

    //#define DEBUG 1

    LiquidCrystal_I2C lcd(0x3F,20,4);  // set the LCD address to 0x20 for a 16 chars and 2 line display
    NewSoftwareSerial obd(pinKLineRXpinKLineTXfalse); // RX, TX, inverse logic

    uint8_t currAddr 0;
    uint8_t blockCounter 0;
    uint8_t errorTimeout 0;
    uint8_t errorData 0;
    bool connected false;
    int sensorCounter 0;
    int pageUpdateCounter 0;
    int alarmCounter 0;

    uint8_t currPage 1;


    int8_t coolantTemp 0;
    int8_t oilTemp 0;
    int8_t intakeAirTemp 0;
    int8_t oilPressure 0;
    float engineLoad 0;
    int   engineSpeed 0;
    float throttleValve 0;
    float supplyVoltage 0;
    uint8_t vehicleSpeed 0;
    uint8_t fuelConsumption 0;
    uint8_t fuelLevel 0;
    unsigned long odometer 0;


    String floatToString(float v){
      
    String res
      
    char buf[16];      
      
    dtostrf(v,42buf); 
      
    res=String(buf);
      return 
    res;
    }

    void disconnect(){
      
    connected false;
      
    currAddr 0;
    }

    void lcdPrint(int xint yString sint width 0){
      
    lcd.setCursor(x,y);
      while (
    s.length() < width+= " ";
      
    lcd.print(s);
    }

    void obdWrite(uint8_t data){
    #ifdef DEBUG
      
    Serial.print("uC:");
      
    Serial.println(dataHEX);
    #endif
      //*********************  ADDED 5ms delay ****************************************************************
      
    delay(5);
      
    obd.write(data);
    }

    uint8_t obdRead(){
      
    unsigned long timeout millis() + 1000;  
      while (!
    obd.available()){
        if (
    millis() >= timeout) {
          
    Serial.println(F("ERROR: obdRead timeout"));
          
    disconnect();      
          
    errorTimeout++;
          return 
    0;
        }
      }
      
    uint8_t data obd.read();
    #ifdef DEBUG  
      
    Serial.print("ECU:");
      
    Serial.println(dataHEX);
    #endif  
      
    return data;
    }

    // 5Bd, 7O1
    void send5baud(uint8_t data){
      
    // // 1 start bit, 7 data bits, 1 parity, 1 stop bit
      #define bitcount 10
      
    byte bits[bitcount];
      
    byte even=1;
      
    byte bit;
      for (
    int i=0bitcounti++){
        
    bit=0;
        if (
    == 0)  bit 0;
          else if (
    == 8bit even// computes parity bit
          
    else if (== 9bit 1;
          else {
            
    bit = (byte) ((data & (<< (i-1))) != 0);
            
    even even bit;
          }
        
    Serial.print(F("bit"));      
        
    Serial.print(i);          
        
    Serial.print(F("="));              
        
    Serial.print(bit);
        if (
    == 0Serial.print(F(" startbit"));
          else if (
    == 8Serial.print(F(" parity"));    
          else if (
    == 9Serial.print(F(" stopbit"));              
        
    Serial.println();      
        
    bits[i]=bit;
      }
      
    // now send bit stream    
      
    for (int i=0bitcount+1i++){
        if (
    != 0){
          
    // wait 200 ms (=5 baud), adjusted by latency correction
          
    delay(200);
          if (
    == bitcount) break;
        }
        if (
    bits[i] == 1){ 
          
    // high
          
    digitalWrite(pinKLineTXHIGH);
        } else {
          
    // low
          
    digitalWrite(pinKLineTXLOW);
        }
      }
      
    obd.flush();
    }


    bool KWP5BaudInit(uint8_t addr){
      
    Serial.println(F("---KWP 5 baud init"));
      
    //delay(3000);
      
    send5baud(addr);
      return 
    true;
    }


    bool KWPSendBlock(char *sint size){
      
    Serial.print(F("---KWPSend sz="));
      
    Serial.print(size);
      
    Serial.print(F(" blockCounter="));
      
    Serial.println(blockCounter);    
      
    // show data
      
    Serial.print(F("OUT:"));
      for (
    int i=0sizei++){    
        
    uint8_t data s[i];
        
    Serial.print(dataHEX);
        
    Serial.print(" ");    
      }  
      
    Serial.println();
      for (
    int i=0sizei++){
        
    uint8_t data s[i];    
        
    obdWrite(data);
        
    /*uint8_t echo = obdRead();  
        if (data != echo){
          Serial.println(F("ERROR: invalid echo"));
          disconnect();
          errorData++;
          return false;
        }*/
        
    if (size-1){
          
    uint8_t complement obdRead();        
          if (
    complement != (data 0xFF)){
            
    Serial.println(F("ERROR: invalid complement"));
            
    disconnect();
            
    errorData++;
            return 
    false;
          }
        }
      }
      
    blockCounter++;
      return 
    true;
    }

    // count: if zero given, first received byte contains block length
    // 4800, 9600 oder 10400 Baud, 8N1
    bool KWPReceiveBlock(char s[], int maxsizeint &size){  
      
    bool ackeachbyte false;
      
    uint8_t data 0;
      
    int recvcount 0;
      if (
    size == 0ackeachbyte true;
      
    Serial.print(F("---KWPReceive sz="));
      
    Serial.print(size);
      
    Serial.print(F(" blockCounter="));
      
    Serial.println(blockCounter);
      if (
    size maxsize) {
        
    Serial.println("ERROR: invalid maxsize");
        return 
    false;
      }  
      
    unsigned long timeout millis() + 1000;  
      while ((
    recvcount == 0) || (recvcount != size)) {
        while (
    obd.available()){      
          
    data obdRead();
          
    s[recvcount] = data;    
          
    recvcount++;      
          if ((
    size == 0) && (recvcount == 1)) {
            
    size data 1;
            if (
    size maxsize) {
              
    Serial.println("ERROR: invalid maxsize");
              return 
    false;
            }  
          }
          if ((
    ackeachbyte) && (recvcount == 2)) {
            if (
    data != blockCounter){
              
    Serial.println(F("ERROR: invalid blockCounter"));
              
    disconnect();
              
    errorData++;
              return 
    false;
            }
          }
          if ( ((!
    ackeachbyte) && (recvcount == size)) ||  ((ackeachbyte) && (recvcount size)) ){
            
    obdWrite(data 0xFF);  // send complement ack        
            /*uint8_t echo = obdRead();        
            if (echo != (data ^ 0xFF)){
              Serial.print(F("ERROR: invalid echo "));
              Serial.println(echo, HEX);
              disconnect();
              errorData++;
              return false;
            }*/
          
    }
          
    timeout millis() + 1000;        
        } 
        if (
    millis() >= timeout){
          
    Serial.println(F("ERROR: timeout"));
          
    disconnect();
          
    errorTimeout++;
          return 
    false;
        }
      }
      
    // show data
      
    Serial.print(F("IN: sz="));  
      
    Serial.print(size);  
      
    Serial.print(F(" data="));  
      for (
    int i=0sizei++){
        
    uint8_t data s[i];
        
    Serial.print(dataHEX);
        
    Serial.print(F(" "));    
      }  
      
    Serial.println();
      
    blockCounter++;
      return 
    true;
    }

    bool KWPSendAckBlock(){
      
    Serial.print(F("---KWPSendAckBlock blockCounter="));
      
    Serial.println(blockCounter);  
      
    char buf[32];  
      
    sprintf(buf"\x03%c\x09\x03"blockCounter);  
      return (
    KWPSendBlock(buf4));
    }

    bool connect(uint8_t addrint baudrate){  
      
    Serial.print(F("------connect addr="));
      
    Serial.print(addr);
      
    Serial.print(F(" baud="));  
      
    Serial.println(baudrate);  
      
    tone(pinBuzzer1200);    
      
    delay(100);
      
    noTone(pinBuzzer);            
      
    //lcd.clear();
      
    lcdPrint(0,0F("KW1281 wakeup"), 20);
      
    lcdPrint(0,1""20);
      
    lcdPrint(0,2""20);  
      
    blockCounter 0;  
      
    currAddr 0;
      
    obd.begin(baudrate);       
      
    KWP5BaudInit(addr);
      
    // answer: 0x55, 0x01, 0x8A          
      
    char s[3];
      
    lcdPrint(0,0F("KW1281 recv"), 20);
      
    int size 3;
      if (!
    KWPReceiveBlock(s3size)) return false;
      if (    (((
    uint8_t)s[0]) != 0x55
         ||   (((
    uint8_t)s[1]) != 0x01
         ||   (((
    uint8_t)s[2]) != 0x8A)   ){
        
    Serial.println(F("ERROR: invalid magic"));
        
    disconnect();
        
    errorData++;
        return 
    false;
      }
      
    currAddr addr;
      
    connected true;  
      if (!
    readConnectBlocks()) return false;
      return 
    true;
    }
      
    bool readConnectBlocks(){  
      
    // read connect blocks
      
    Serial.println(F("------readconnectblocks"));
      
    lcdPrint(0,0F("KW1281 label"), 20);
      
    String info;  
      while (
    true){
        
    int size 0;
        
    char s[64];
        if (!(
    KWPReceiveBlock(s64size))) return false;
        if (
    size == 0) return false;
        if (
    s[2] == '\x09') break; 
        if (
    s[2] != '\xF6') {
          
    Serial.println(F("ERROR: unexpected answer"));
          
    disconnect();
          
    errorData++;
          return 
    false;
        }
        
    String text String(s);
        
    info += text.substring(3size-2);
        if (!
    KWPSendAckBlock()) return false;
      }
      
    Serial.print("label=");
      
    Serial.println(info);
      
    //lcd.setCursor(0, 1);
      //lcd.print(info);      
      
    return true;
    }

    bool readSensors(int group){
      
    Serial.print(F("------readSensors "));
      
    Serial.println(group);
      
    lcdPrint(0,0F("KW1281 sensor"), 20);  
      
    char s[64];
      
    sprintf(s"\x04%c\x29%c\x03"blockCountergroup);
      if (!
    KWPSendBlock(s5)) return false;
      
    int size 0;
      
    KWPReceiveBlock(s64size);
      if (
    s[2] != '\xe7') {
        
    Serial.println(F("ERROR: invalid answer"));
        
    disconnect();
        
    errorData++;
        return 
    false;
      }
      
    int count = (size-4) / 3;
      
    Serial.print(F("count="));
      
    Serial.println(count);
      for (
    int idx=0idx countidx++){
        
    byte k=s[idx*3];
        
    byte a=s[idx*3+1];
        
    byte b=s[idx*3+2];
        
    String n;
        
    float v 0;
        
    Serial.print(F("type="));
        
    Serial.print(k);
        
    Serial.print(F("  a="));
        
    Serial.print(a);
        
    Serial.print(F("  b="));
        
    Serial.print(b);
        
    Serial.print(F("  text="));
        
    String t "";
        
    String units "";
        
    char buf[32];    
        switch (
    k){
          case 
    1:  v=0.2*a*b;             units=F("rpm"); break;
          case 
    2:  v=a*0.002*b;           units=F("%%"); break;
          case 
    3:  v=0.002*a*b;           units=F("Deg"); break;
          case 
    4:  v=abs(b-127)*0.01*a;   units=F("ATDC"); break;
          case 
    5:  v=a*(b-100)*0.1;       units=F("°C");break;
          case 
    6:  v=0.001*a*b;           units=F("V");break;
          case 
    7:  v=0.01*a*b;            units=F("km/h");break;
          case 
    8:  v=0.1*a*b;             units=F(" ");break;
          case 
    9:  v=(b-127)*0.02*a;      units=F("Deg");break;
          case 
    10: if (== 0t=F("COLD"); else t=F("WARM");break;
          case 
    11v=0.0001*a*(b-128)+1;  units F(" ");break;
          case 
    12v=0.001*a*b;           units =F("Ohm");break;
          case 
    13v=(b-127)*0.001*a;     units =F("mm");break;
          case 
    14v=0.005*a*b;           units=F("bar");break;
          case 
    15v=0.01*a*b;            units=F("ms");break;
          case 
    18v=0.04*a*b;            units=F("mbar");break;
          case 
    19v=a*b*0.01;            units=F("l");break;
          case 
    20v=a*(b-128)/128;       units=F("%%");break;
          case 
    21v=0.001*a*b;           units=F("V");break;
          case 
    22v=0.001*a*b;           units=F("ms");break;
          case 
    23v=b/256*a;             units=F("%%");break;
          case 
    24v=0.001*a*b;           units=F("A");break;
          case 
    25v=(b*1.421)+(a/182);   units=F("g/s");break;
          case 
    26v=float(b-a);          units=F("C");break;
          case 
    27v=abs(b-128)*0.01*a;   units=F("°");break;
          case 
    28v=float(b-a);          units=F(" ");break;
          case 
    30v=b/12*a;              units=F("Deg k/w");break;
          case 
    31v=b/2560*a;            units=F("°C");break;
          case 
    33v=100*b/a;             units=F("%%");break;
          case 
    34v=(b-128)*0.01*a;      units=F("kW");break;
          case 
    35v=0.01*a*b;            units=F("l/h");break;
          case 
    36v=((unsigned long)a)*2560+((unsigned long)b)*10;  units=F("km");break;
          case 
    37v=b; break; // oil pressure ?!
          // ADP: FIXME!
          /*case 37: switch(b){
                 case 0: sprintf(buf, F("ADP OK (%d,%d)"), a,b); t=String(buf); break;
                 case 1: sprintf(buf, F("ADP RUN (%d,%d)"), a,b); t=String(buf); break;
                 case 0x10: sprintf(buf, F("ADP ERR (%d,%d)"), a,b); t=String(buf); break;
                 default: sprintf(buf, F("ADP (%d,%d)"), a,b); t=String(buf); break;
              }*/
          
    case 38v=(b-128)*0.001*a;        units=F("Deg k/w"); break;
          case 
    39v=b/256*a;                units=F("mg/h"); break;
          case 
    40v=b*0.1+(25.5*a)-400;     units=F("A"); break;
          case 
    41v=b+a*255;                units=F("Ah"); break;
          case 
    42v=b*0.1+(25.5*a)-400;     units=F("Kw"); break;
          case 
    43v=b*0.1+(25.5*a);         units=F("V"); break;
          case 
    44sprintf(buf"%2d:%2d"a,b); t=String(buf); break;
          case 
    45v=0.1*a*b/100;            units=F(" "); break;
          case 
    46v=(a*b-3200)*0.0027;      units=F("Deg k/w"); break;
          case 
    47v=(b-128)*a;              units=F("ms"); break;
          case 
    48v=b+a*255;                units=F(" "); break;
          case 
    49v=(b/4)*a*0.1;            units=F("mg/h"); break;
          case 
    50v=(b-128)/(0.01*a);       units=F("mbar"); break;
          case 
    51v=((b-128)/255)*a;        units=F("mg/h"); break;
          case 
    52v=b*0.02*a-a;             units=F("Nm"); break;
          case 
    53v=(b-128)*1.4222+0.006*a;  units=F("g/s"); break;
          case 
    54v=a*256+b;                units=F("count"); break;
          case 
    55v=a*b/200;                units=F("s"); break;
          case 
    56v=a*256+b;                units=F("WSC"); break;
          case 
    57v=a*256+b+65536;          units=F("WSC"); break;
          case 
    59v=(a*256+b)/32768;        units=F("g/s"); break;
          case 
    60v=(a*256+b)*0.01;         units=F("sec"); break;
          case 
    62v=0.256*a*b;              units=F("S"); break;
          case 
    64v=float(a+b);             units=F("Ohm"); break;
          case 
    65v=0.01*a*(b-127);         units=F("mm"); break;
          case 
    66v=(a*b)/511.12;          units=F("V"); break;
          case 
    67v=(640*a)+b*2.5;         units=F("Deg"); break;
          case 
    68v=(256*a+b)/7.365;       units=F("deg/s");break;
          case 
    69v=(256*+b)*0.3254;     units=F("Bar");break;
          case 
    70v=(256*+b)*0.192;      units=F("m/s^2");break;
          default: 
    sprintf(buf"%2x, %2x      "ab); break;
        }
        
        switch (
    currAddr){
          case 
    ADR_Engine
            switch(
    group){
              case 
    3
                switch (
    idx){
                  case 
    0engineSpeed v; break;
                  case 
    1supplyVoltage=v; break;
                  case 
    2coolantTemp =v; break;
                  case 
    3intakeAirTemp=v; break;
                }              
                break;
              case 
    11
                switch (
    idx){
                  case 
    1engineLoad=v; break;
                  case 
    2vehicleSpeed =v; break;
                  case 
    3fuelConsumption=v; break;
                }              
                break;
            }
            break;
          case 
    ADR_Dashboard
            switch (
    group){ 
              case 
    1:  
                switch (
    idx){
                  case 
    0vehicleSpeed v; break;
                  case 
    1engineSpeed v; break;
                  case 
    2oilPressure v; break;
                }
                break;
              case 
    2:
                switch (
    idx){
                  case 
    0odometer v; break;
                  case 
    1fuelLevel v; break;         
                }
                break;
              case 
    50:
                switch (
    idx){
                  case 
    1engineSpeed v; break;
                  case 
    2oilTemp v; break;
                  case 
    3coolantTemp v; break;
                }
                break;
            }
            break;
        }
        if (
    units.length() != 0){
          
    dtostrf(v,42buf); 
          
    t=String(buf) + " " units;
        }          
        
    Serial.println(t);
        
        
    //lcd.setCursor(0, idx);      
        //while (t.length() < 20) t += " ";
        //lcd.print(t);      
      
    }
      
    sensorCounter++;
      return 
    true;
    }

    void alarm(){
      if (
    alarmCounter 10) return;
      
    tone(pinBuzzer1200);    
      
    delay(100);
      
    noTone(pinBuzzer);   
      
    alarmCounter++;
    }

    void updateDisplay(){
      if (!
    connected){
        if ( (
    errorTimeout != 0) || (errorData != 0) ){
          
    lcdPrint(0,3F("err to="));      
          
    lcdPrint(7,3String(errorTimeout), 3);
          
    lcdPrint(10,3F(" da="));      
          
    lcdPrint(14,3String(errorData), 6);
        }
      } else {
        switch (
    currPage){
          case 
    1:      
            if (
    coolantTemp 99){
              
    lcdPrint(0,1F("COOL"));          
              
    alarm();          
            } else 
    lcdPrint(0,1F("cool"));
            
    lcdPrint(6,1,String(coolantTemp),3);                
            if ( (
    oilTemp 99) || ((oilPressure != 30) && (oilPressure != 31)) ){          
              
    lcdPrint(10,1,F("OIL "));
              
    alarm();
            } else 
    lcdPrint(10,1,F("oil "));        
            
    lcdPrint(14,1,String(oilPressure),3);        
            
    lcdPrint(0,2F("rpm "));
            
    lcdPrint(4,2String(engineSpeed),4);        
            
    lcdPrint(10,2F("km/h "));
            
    lcdPrint(15,2String(vehicleSpeed3));        
            
    lcdPrint(0,3F("fuel "));
            
    lcdPrint(5,3String(fuelLevel),3);        
            
    lcdPrint(10,3F("odo "));
            
    lcdPrint(14,3String(odometer),6);                        
            break;
          case 
    2:
            if (
    coolantTemp 99){
              
    lcdPrint(0,1F("COOL"));          
              
    alarm();          
            } else 
    lcdPrint(0,1F("cool"));
            
    lcdPrint(6,1,String(coolantTemp),3);                    
            
    lcdPrint(10,1F("air "));          
            
    lcdPrint(14,1String(intakeAirTemp), 3);                  
            
    lcdPrint(0,2F("rpm "));
            
    lcdPrint(4,2String(engineSpeed),4);        
            
    lcdPrint(10,2F("km/h "));
            
    lcdPrint(15,2String(vehicleSpeed3));                
            
    lcdPrint(0,3F("fuel "));
            
    lcdPrint(5,3String(fuelConsumption),3);                
            
    lcdPrint(10,3F("volt "));
            
    lcdPrint(15,3String(supplyVoltage),5);                                        
            break;
        }    
      }
      
    pageUpdateCounter++;
    }

    void setup(){      
      
    lcd.init();  
      
    lcd.backlight();      
      
    lcd.init();  
        
      
    pinMode(pinKLineTXOUTPUT);  
      
    digitalWrite(pinKLineTXHIGH);  
      
      
    pinMode(pinButtonINPUT);  
      
    pinMode(pinButtonINPUT_PULLUP);  
      
      
    pinMode(pinBuzzerOUTPUT);
      
    /*tone(pinBuzzer, 1200);    
      delay(100);
      noTone(pinBuzzer);*/
      
      
    Serial.begin(19200);  
      
    Serial.println(F("SETUP"));            
            
      
    Serial.println(F("START"));       
    }


    void loop(){    
      
      if (
    digitalRead(pinButton) == LOW){    
        
    currPage++;
        if (
    currPage 2currPage 1;
        
    lcd.clear();
        
    lcd.setCursor(0,0);
        
    lcd.print(F("page "));    
        
    lcd.print(currPage);    
        
    errorTimeout 0;
        
    errorData 0;            
        while (
    digitalRead(pinButton) == LOW);        
      }

      switch (
    currPage){
        case 
    1:      
          if (
    currAddr != ADR_Dashboard){        
            
    connect(ADR_Dashboard9600);
          } else  {
            
    readSensors(1);
            
    readSensors(2);
            
    readSensors(50);        
          }      
          break;
        case 
    2:
          if (
    currAddr != ADR_Engine) {
            
    connect(ADR_Engine9600);
          } else {
            
    readSensors(3);
            
    readSensors(11);
          }    
          break;   
      }        
      
      
    updateDisplay();          


  9. #59
    Пользователь Аватар для murano
    Регистрация
    18.01.2008
    Сообщений
    92
    Вес репутации
    242

    По умолчанию Re: OBD-II диагностика на Carduino (Arduino)

    Цитата Сообщение от AviaBy Посмотреть сообщение
    правильно ли я подключаю TX и RX
    Он использует библиотеку NewSoftwareSerial и использует USART через 2 и 3 пины. Еще убедись в правильно выбранном протоколе для твоего авто, в частности инициализации связи (5 baud или fast) для iso 14230 (9141).

  10. #60
    Новичок
    Регистрация
    31.01.2016
    Возраст
    33
    Сообщений
    1
    Вес репутации
    0

    По умолчанию Re: OBD-II диагностика на Carduino (Arduino)

    Сделал конвертер на ардуино. т.е. использую на ардуино два serial порта. к одному подключаю блютуз модуль, к другому переходник usb-uart на ftdi. в библиотеке SoftwareSerial в файле SoftwareSerial.cpp добавлял в трех местах строчки для нестандартной скорости: { 10400, 106, 218, 218, 215, },
    В терминалах обмен происходит. подключаю вместо переходника k-line адаптер, программа дианостики автомобиля его не видет. k-line адаптер работает на скорости 10400. пробовал вместо программы диагностики включать терминал. какие то данные приходят при включении зажигания.почему программа не видет адаптер?
    Пробовал вместо блютуза использовать ардуино как usb-uart переходник, все работает.
    Может влияет скорость указанная в программе? Порт по блютуз открывается 9600, а в программе выбор только 10400. Может нужно делать буфер максимально возможный.
    Вложение 18814
    Код:
    #include <SoftwareSerial.h>
    
    SoftwareSerial mySerial(10, 11); // RX, TX
    
    void setup()
    {
    // Инициализируем последовательный интерфейс и ждем открытия порта:
    Serial.begin(9600);
    while (!Serial)
    
    
    Serial.println("Goodnight moon!");
    
    // устанавливаем скорость передачи данных для последовательного порта, созданного
    // библиотекой SoftwareSerial
    mySerial.begin(10400);
    }
    
    void loop() // выполняется циклически
    {
    if (mySerial.available())
    Serial.write(mySerial.read());
    if (Serial.available())
    mySerial.write(Serial.read());
    }

Страница 6 из 7 ПерваяПервая 1234567 ПоследняяПоследняя

Информация о теме

Пользователи, просматривающие эту тему

Эту тему просматривают: 24 (пользователей: 0 , гостей: 24)

Ваши права

  • Вы не можете создавать новые темы
  • Вы не можете отвечать в темах
  • Вы не можете прикреплять вложения
  • Вы не можете редактировать свои сообщения
  •