Страница 13 из 16 ПерваяПервая ... 378910111213141516 ПоследняяПоследняя
Показано с 121 по 130 из 152
  1. #121
    Новичок
    Регистрация
    22.10.2014
    Сообщений
    19
    Вес репутации
    144

    По умолчанию Re: Кнопка Старт/Стоп на МК Arduino

    Подскажите, куда подключится для считывания оборотов? Я так понимаю на каждую катушки приходят постоянные + и - и третий управляющий, как от него подключится к Arduino?
    Миниатюры Миниатюры Нажмите на изображение для увеличения. 

Название:	123.jpg 
Просмотров:	1209 
Размер:	126.5 Кб 
ID:	19047  

  2. #122
    Новичок
    Регистрация
    22.10.2014
    Сообщений
    19
    Вес репутации
    144

    По умолчанию Re: Кнопка Старт/Стоп на МК Arduino

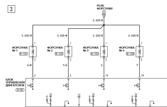
    Или же лучше подключится к форсунке?
    Миниатюры Миниатюры Нажмите на изображение для увеличения. 

Название:	45.jpg 
Просмотров:	1075 
Размер:	43.3 Кб 
ID:	19048  

  3. #123
    Администратор Аватар для Chip
    Регистрация
    08.06.2007
    Возраст
    56
    Сообщений
    13,381
    Вес репутации
    10

    По умолчанию Re: Кнопка Старт/Стоп на МК Arduino

    Можно подключить как к прерывателю. так и к форсунке
    Подключать лучше через оптрон pc817
    Ограничительный резистор Rd 1,2-1,5КомНажмите на изображение для увеличения. 

Название:	sd.PNG 
Просмотров:	1343 
Размер:	6.5 Кб 
ID:	19049
    Нагрузочный резистор Rl 5,1Ком
    Vcc питание ардуины
    Последний раз редактировалось Chip; 05.11.2016 в 21:21.

  4. #124
    Пользователь
    Регистрация
    25.01.2009
    Сообщений
    54
    Вес репутации
    221

    По умолчанию Re: Кнопка Старт/Стоп на МК Arduino

    Подключать к форсунке явно не стоит: во первых форсунка это индуктивность и подключаться к ней однозначно нужно через развязку, во вторых форсунки отключаются в некоторых режимах работы и пуска двигателя, в третьих имеют постоянно меняющийся период сигнала, соответственно определения оборотов по форсункам имеет низкую достоверность. В программе кнопки это можно учесть но вопрос зачем?
    Подключаться нужно к выходу эбу для этого предназначенному, ну а если такого нет то вероятно к импульсам зажигания, они постоянны и присутствуют всегда пока работает/запускается двигатель.

  5. #125
    Новичок
    Регистрация
    22.10.2014
    Сообщений
    19
    Вес репутации
    144

    По умолчанию Re: Кнопка Старт/Стоп на МК Arduino

    Да, к форсунке не стоит, во-первых она управляется минусом, и при заглушенном двигателе там присутствует около 3-ёх вольт, во-вторых при топливной отсечки (торможении двигателем) сигнал будет пропадать, хотя например в инструкции по подключению сигнализации Starline подключается именно к форсунке. К выходу ЭБУ подключить врядли получится, там по идее все по CAN шине, так же как и к приборке. Подключаться буду к катушке, нашел инфу что на импульсном проводе присутствует до +5В, сегодня замерял - 0,3 вольта на холостых, подключил светодиод через сопротивление 1 КОм - мерцает и при увелечении оборотов частота мерцания увеличивается, значит оптопаре самое место. Еще вопрос по поводу номинала подтягивающего резистора. На сайте Arduino.ru вроде как советуют использовать резисторы 10Ком

  6. #126
    Администратор Аватар для Chip
    Регистрация
    08.06.2007
    Возраст
    56
    Сообщений
    13,381
    Вес репутации
    10

    По умолчанию Re: Кнопка Старт/Стоп на МК Arduino

    Подключать к форсунке явно не стоит: во первых форсунка это индуктивность и подключаться к ней однозначно нужно через развязку,
    А катушка зажигания не индуктивность? для светодиода это не критично, так как для него важен ток , а не напряжение. А ЭДС самоиндукции не может выдать болше энергии чем на нее подали.
    В остальном согласен, к форсунке не лучший вариант, но если нет вариантов , то можно , а длительность управляющего форсункой импульса не важна если ловить фронт сигнала
    Последний раз редактировалось Chip; 06.11.2016 в 01:45.

  7. #127
    Пользователь
    Регистрация
    25.01.2009
    Сообщений
    54
    Вес репутации
    221

    По умолчанию Re: Кнопка Старт/Стоп на МК Arduino

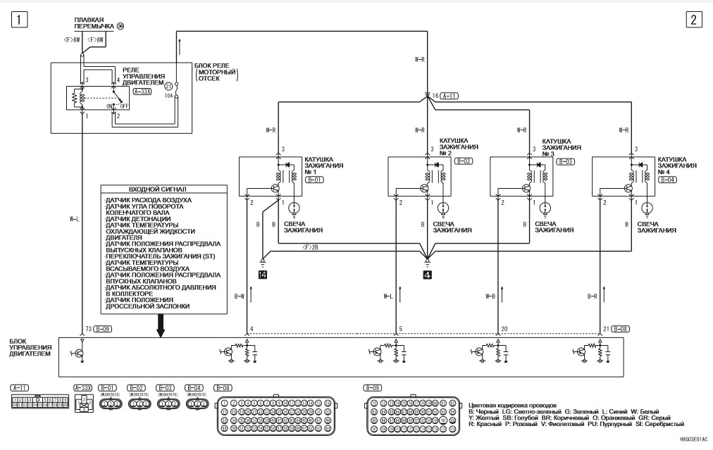
    Катушка зажигания конечно индуктивность, но покажите хотя-бы относительно современную машину на которой первичные обмотки катушки управляются напрямую, а не через встроенные в них ключи?
    Конкретно речь о приведённой выше схеме, где черным по белому нарисованы ключи встроенные в "катушки зажигания" - к чему тут Ваше заявление про индукцию катушек зажигания? Эта схема защищена от индукции, если только не расковырять катушку и не прицепиться напрямую к обмоткам, но кому в здравом уме это придет в голову? При этом управляется катушка вполне безопасным сигналом, опторазвязка на котором практического смысла не имеет, достаточно обыкновенного резисторного делителя. И ля светодиода и для всего остального эта линия совершенна безопасна, это обычное низковольтное управление транзисторным ключом, короче нет там никакой индукции.
    Разве что сдуру нагрузить этот выход чем ни будь так, что тока не хватит для открытия транзистора, но это постараться надо, и в конечном итоге эбу выдаст ошибку пропуска зажигания в этом цилиндре так что дурь должна быстро пройти.
    И там же схема подключения к форсункам с явным рисунком катушки и явным отсутствием защиты этой цепи от индукции этой катушки.
    Про энергию не совсем понятно что вы имеете ввиду - мощность? Судя вашей логике диоды гашения индукции на те же релюшки ставят от нечего делать?
    Вопрос все тот же - зачем предлагать подключение к форсунке - чтобы нагородить лишний огород?

  8. #128
    Ломастер Аватар для basurman971
    Регистрация
    13.02.2011
    Возраст
    54
    Сообщений
    396
    Вес репутации
    340

    По умолчанию Re: Кнопка Старт/Стоп на МК Arduino

    Я что то не пойму к чему столько слов, а что к датчику коленвала подцепиться никак?
    Миниатюры Миниатюры Нажмите на изображение для увеличения. 

Название:	Снимок.JPG 
Просмотров:	1037 
Размер:	53.9 Кб 
ID:	19050  

  9. #129
    Новичок
    Регистрация
    22.10.2014
    Сообщений
    19
    Вес репутации
    144

    По умолчанию Re: Кнопка Старт/Стоп на МК Arduino

    Это типа сюда? Так же через оптопару
    Миниатюры Миниатюры Нажмите на изображение для увеличения. 

Название:	15.jpg 
Просмотров:	1073 
Размер:	50.8 Кб 
ID:	19051  

  10. #130
    Ломастер Аватар для basurman971
    Регистрация
    13.02.2011
    Возраст
    54
    Сообщений
    396
    Вес репутации
    340

    По умолчанию Re: Кнопка Старт/Стоп на МК Arduino

    Цитата Сообщение от Mr.AlVad Посмотреть сообщение
    Это типа сюда?
    По схеме на средний, а что за машина?

Страница 13 из 16 ПерваяПервая ... 378910111213141516 ПоследняяПоследняя

Информация о теме

Пользователи, просматривающие эту тему

Эту тему просматривают: 11 (пользователей: 0 , гостей: 11)

Ваши права

  • Вы не можете создавать новые темы
  • Вы не можете отвечать в темах
  • Вы не можете прикреплять вложения
  • Вы не можете редактировать свои сообщения
  •