Страница 28 из 57 ПерваяПервая ... 182223242526272829303132333438 ... ПоследняяПоследняя
Показано с 271 по 280 из 568
  1. #271
    Администратор Аватар для Chip
    Регистрация
    08.06.2007
    Возраст
    56
    Сообщений
    13,381
    Вес репутации
    10

    По умолчанию Re: Подключение Штатного монитора на любом автомобиле.

    Имел ввиду внешний блок

  2. #272
    Новичок Аватар для megion
    Регистрация
    06.10.2008
    Возраст
    47
    Сообщений
    5
    Вес репутации
    214

    По умолчанию Re: Подключение Штатного монитора на любом автомобиле.

    Кто нибудь юзал данную новинкуhttp://www.prology.ru/asp/newsinside...ktuelwedulepxohttp://www.videovox.ru/asp/showtovar/17142?_sessid=000
    И эту http://www.vega-absolute.ru/producti...log/44/70.html
    Хотелось бы получить видео+радио да еще бы и на руле кнопочки рабочими остались бы...машинка специфическая у меня http://www.pickupclub.ru/forum/showthread.php?t=9918
    Последний раз редактировалось megion; 26.08.2009 в 04:32.
    http://www.pickupclub.ru/forum/showthread.php?t=9918 мы от сюдова будем

  3. #273
    Новичок
    Регистрация
    28.08.2009
    Сообщений
    1
    Вес репутации
    0

    По умолчанию Re: Подключение Штатного монитора на любом автомобиле.

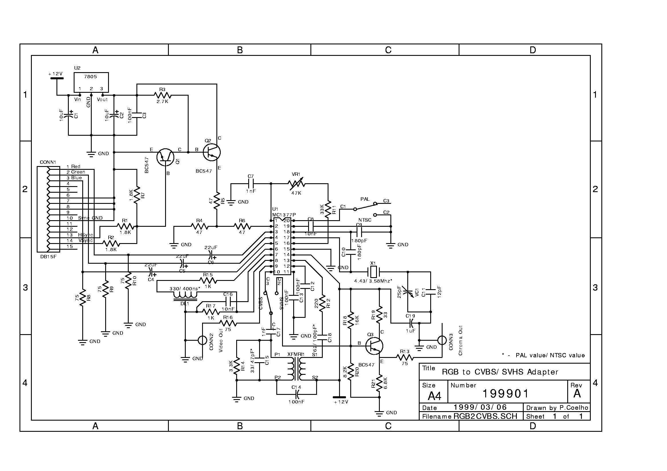
    Спецы, подскажите как можно из RGB сигнала, преобразовать в обычный AV выход..подскажите какая из них рабочая схема..
    Миниатюры Миниатюры Нажмите на изображение для увеличения. 

Название:	full-sch.gif 
Просмотров:	548 
Размер:	58.5 Кб 
ID:	5508   Нажмите на изображение для увеличения. 

Название:	vga2palntsc_hires.gif 
Просмотров:	520 
Размер:	37.7 Кб 
ID:	5509  
    Последний раз редактировалось SergeyIg; 28.08.2009 в 03:13.

  4. #274
    Гуру Аватар для (vS)
    Регистрация
    18.06.2007
    Возраст
    47
    Сообщений
    1,981
    Вес репутации
    706

    По умолчанию Re: Подключение Штатного монитора на любом автомобиле.

    обе
    было
    курить поиск
    автоMOBILEвый моDDEр
    мой карпутер второй очередной

  5. #275
    Администратор Аватар для Chip
    Регистрация
    08.06.2007
    Возраст
    56
    Сообщений
    13,381
    Вес репутации
    10

    По умолчанию Re: Подключение Штатного монитора на любом автомобиле.

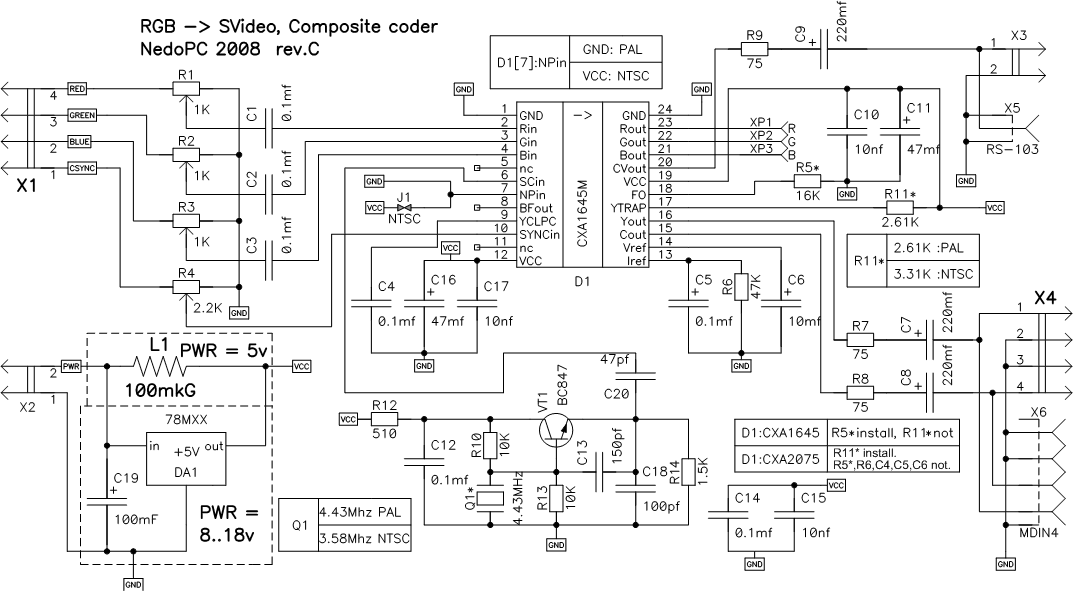
    Вот провереная схема
    Нажмите на изображение для увеличения. 

Название:	coderCsch.png 
Просмотров:	1437 
Размер:	36.5 Кб 
ID:	5515

  6. #276
    Местный
    Регистрация
    20.07.2009
    Сообщений
    158
    Вес репутации
    235

    По умолчанию Re: Подключение Штатного монитора на любом автомобиле.

    делал на ad724 - рабочая (http://www.datasheetcatalog.org/data...s/AD724-EB.pdf страница 10), тока нужна видеокарта с интерлейсом или пропатченные дрова на GMA.
    Испытано на dell studio 1535 - ok
    на eeepc 701 на стандартных дровах не пошла.

    монитор - 480x234 зеркало заднего вида 6 дюймов.

  7. #277
    Новичок
    Регистрация
    26.09.2009
    Возраст
    54
    Сообщений
    14
    Вес репутации
    204

    По умолчанию Re: Подключение Штатного монитора на любом автомобиле.

    Цитата Сообщение от Chip Посмотреть сообщение
    Композитная синхра как раз не проблема, ее проще всего получить на любой видеокарте, достаточно смешать Hsync и Vsync при помощи двух резисторов по 570 ом

    Вот наличие черезтрочной развертки и формирование нужного разрешения не на всех видио можно сделать. Проверить наличие опций просто установив программу PowerStrip
    Можно уточнить?
    Резисторы нужны по 570 или как на рисунке по150.
    На audi a4 не могу добиться нормального разрешения.Картинка качественная но почти половина рабочего стола не отображается.Какие разрешения только не пробовал.Сигнал идёт с ноута на видеоинтерфейс дальше на штатный монитор 6.5.
    Последний раз редактировалось wasp; 26.09.2009 в 15:44.

  8. #278
    Администратор Аватар для Chip
    Регистрация
    08.06.2007
    Возраст
    56
    Сообщений
    13,381
    Вес репутации
    10

    По умолчанию Re: Подключение Штатного монитора на любом автомобиле.

    Резисторы по 150 ом.
    А по настройкам не подскажу так как я даже не знаю что за графический адаптер у тебя и скриншот бы глянуть.

  9. #279
    Гуру Аватар для (vS)
    Регистрация
    18.06.2007
    Возраст
    47
    Сообщений
    1,981
    Вес репутации
    706

    По умолчанию Re: Подключение Штатного монитора на любом автомобиле.

    Цитата Сообщение от s.m. Посмотреть сообщение
    делал на ad724 - рабочая (http://www.datasheetcatalog.org/data...s/AD724-EB.pdf страница 10), на eeepc 701 на стандартных дровах не пошла.

    монитор - 480x234 зеркало заднего вида 6 дюймов.
    а на нестандартных?
    автоMOBILEвый моDDEр
    мой карпутер второй очередной

  10. #280
    Новичок
    Регистрация
    26.09.2009
    Возраст
    54
    Сообщений
    14
    Вес репутации
    204

    По умолчанию Re: Подключение Штатного монитора на любом автомобиле.

    Цитата Сообщение от Chip Посмотреть сообщение
    Резисторы по 150 ом.
    А по настройкам не подскажу так как я даже не знаю что за графический адаптер у тебя и скриншот бы глянуть.
    Графика Nvidia 8600
    Миниатюры Миниатюры Нажмите на изображение для увеличения. 

Название:	ps.jpg 
Просмотров:	648 
Размер:	64.9 Кб 
ID:	5882  

Страница 28 из 57 ПерваяПервая ... 182223242526272829303132333438 ... ПоследняяПоследняя

Информация о теме

Пользователи, просматривающие эту тему

Эту тему просматривают: 2 (пользователей: 0 , гостей: 2)

Ваши права

  • Вы не можете создавать новые темы
  • Вы не можете отвечать в темах
  • Вы не можете прикреплять вложения
  • Вы не можете редактировать свои сообщения
  •