Страница 1 из 2 12 ПоследняяПоследняя
Показано с 1 по 10 из 16

Тема: Arduino mini

  1. #1
    Новичок
    Регистрация
    28.01.2012
    Возраст
    39
    Сообщений
    13
    Вес репутации
    178

    По умолчанию Arduino mini

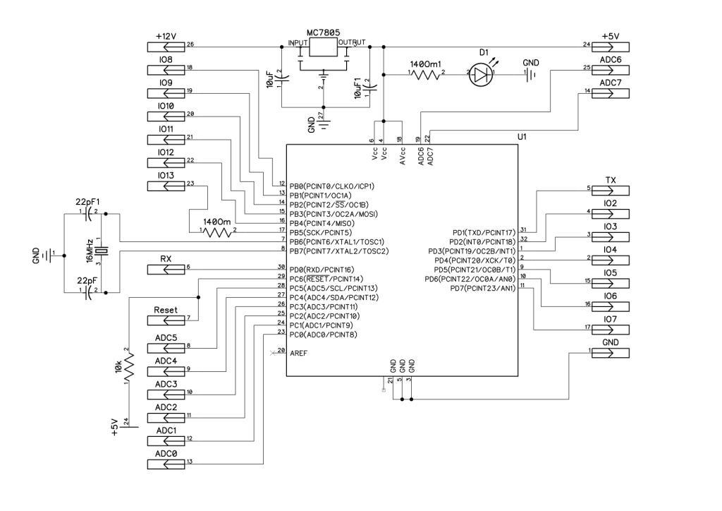
    Всем привет. Я новичок. Пытаюсь реализовать http://forum.easyelectronics.ru/view...hp?f=17&t=9224. На очередном этапе мне понадобилось сделать аналог Arduino mini. На основе http://arduino.cc/en/uploads/Main/ar...chematic04.pdf и http://www.theparsley.com/arduino/diy/ я сделал свою схему и трасировку (прикладываю к сообщению). Плату развёл, вытравил, пролудил в ваночке со сплавом Розе (всё не без проблем но получилось в конечном итоге). Припаял всё на сплав Розе. Фото в приложении.

    Но вот проблема. После подключения к питанию +12 В, 7805 разогрелся высше 100 и Розе поплыл. Atmega 328 разогрелась до 60 градусов. Отключил. Подключил напрямую +5 В. 7805 перестал грется (ну это и не удивительно), Atmega так и греется. Попробовал залить Blink так как написанно тут http://www.compcar.ru/forum/showthread.php?t=8627. Ничего не получилось, светодиод на 13 выводе не загорелся.

    Кто что подскажет ???? Как искать ошибки ??? Как проверить???

    P.S. ( на трасировке, неправильно выставлены площадки под кварц, увидел когда уже паял, но кварц при пайке я правильно развернул его)

    Осцилограффа нет. Заказал в китае дешевенький осцилоскоп, еще не дождался.....

    Помогите пожалуйста.
    Миниатюры Миниатюры Нажмите на изображение для увеличения. 

Название:	Трасировка.JPG 
Просмотров:	458 
Размер:	142.2 Кб 
ID:	14013   Нажмите на изображение для увеличения. 

Название:	Схема.JPG 
Просмотров:	308 
Размер:	76.6 Кб 
ID:	14014   Нажмите на изображение для увеличения. 

Название:	IMG_0541.jpg 
Просмотров:	443 
Размер:	235.0 Кб 
ID:	14015  

  2. #2
    Администратор Аватар для Chip
    Регистрация
    08.06.2007
    Возраст
    56
    Сообщений
    13,381
    Вес репутации
    10

    По умолчанию Re: Arduino mini

    Прозвони с GND выделенную мной дорожку
    Миниатюры Миниатюры Нажмите на изображение для увеличения. 

Название:	IMG_0541.jpg 
Просмотров:	582 
Размер:	58.0 Кб 
ID:	14016  

  3. #3
    Новичок
    Регистрация
    28.01.2012
    Возраст
    39
    Сообщений
    13
    Вес репутации
    178

    По умолчанию Re: Arduino mini

    Цитата Сообщение от Chip Посмотреть сообщение
    Прозвони с GND выделенную мной дорожку
    615 Ом

  4. #4
    Администратор Аватар для Chip
    Регистрация
    08.06.2007
    Возраст
    56
    Сообщений
    13,381
    Вес репутации
    10

    По умолчанию Re: Arduino mini

    Бывает что при монтаже от перегрева керамические кондеры подкорачивают

  5. #5
    Администратор Аватар для Chip
    Регистрация
    08.06.2007
    Возраст
    56
    Сообщений
    13,381
    Вес репутации
    10

    По умолчанию Re: Arduino mini

    Цитата Сообщение от Wixa Посмотреть сообщение
    615 Ом
    Ты уверен что эта дорожка не подкорачивает на вывод 2 стабилизатора?

  6. #6
    Новичок
    Регистрация
    28.01.2012
    Возраст
    39
    Сообщений
    13
    Вес репутации
    178

    По умолчанию Re: Arduino mini

    Паял мини станцией, температура 150 градусов... а как определить подкорачивают они или нет??? 615 Ом это так должно быть, или не должно???

  7. #7
    Новичок
    Регистрация
    28.01.2012
    Возраст
    39
    Сообщений
    13
    Вес репутации
    178

    По умолчанию Re: Arduino mini

    Цитата Сообщение от Chip Посмотреть сообщение
    Ты уверен что эта дорожка не подкорачивает на вывод 2 стабилизатора?
    615 Ом , это подкорачивает или нет.... извините новичок

  8. #8
    Администратор Аватар для Chip
    Регистрация
    08.06.2007
    Возраст
    56
    Сообщений
    13,381
    Вес репутации
    10

    По умолчанию Re: Arduino mini

    при смени полярности при измерении, сопротивление меняется?

  9. #9
    Администратор Аватар для Chip
    Регистрация
    08.06.2007
    Возраст
    56
    Сообщений
    13,381
    Вес репутации
    10

    По умолчанию Re: Arduino mini

    После выхода стабилизатора нужно ставить электролит параллельно с керамикой. Хотя таких последствий без него быть не должно
    Последний раз редактировалось Chip; 25.02.2012 в 17:59.

  10. #10
    Новичок
    Регистрация
    28.01.2012
    Возраст
    39
    Сообщений
    13
    Вес репутации
    178

    По умолчанию Re: Arduino mini

    Цитата Сообщение от Chip Посмотреть сообщение
    при смени полярности при измерении, сопротивление меняется?
    Ошибся... это между нижней дорожкой и землёй..... наверно буду переделовать всё, буду убирать дорожки под МК и Стабилизатором...

    Лишь бы схема рабочая была, и мк еще не здох

    Я убрал стабилизатор,под ним всё нормально.... думаю это где то под мк коротит, сопротивление между ногами МК + и земля, 273 Om
    Последний раз редактировалось Wixa; 25.02.2012 в 23:23.

Страница 1 из 2 12 ПоследняяПоследняя

Информация о теме

Пользователи, просматривающие эту тему

Эту тему просматривают: 1 (пользователей: 0 , гостей: 1)

Ваши права

  • Вы не можете создавать новые темы
  • Вы не можете отвечать в темах
  • Вы не можете прикреплять вложения
  • Вы не можете редактировать свои сообщения
  •