Страница 2 из 3 ПерваяПервая 123 ПоследняяПоследняя
Показано с 11 по 20 из 23
  1. #11
    Администратор Аватар для Chip
    Регистрация
    08.06.2007
    Возраст
    56
    Сообщений
    13,381
    Вес репутации
    10

    По умолчанию Re: Помогите разобраться с дисплеем.

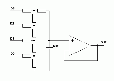
    Сняли осцилограму вроде сигналы такие:

    S_frame -Vs кадровые синхроимпульсы, период 16 mS длительность 80 mkS

    S_line -Hs строчная синхронизация , фактически - разрешение импульсов стробирования данных, период 40 mkS длительность 30 mkS

    Strobe -Clk- стробирование данных - пачки импульсов соответственно S_line, период 0,2 mkS длительность 0,1 mkS
    Кадровый и Строчный импульсы подходят для VGA режима

    Нужно теперь преобразовать цифру в анаог
    примерно вот таким способом или с использованием однокристального ЦАП
    Миниатюры Миниатюры Нажмите на изображение для увеличения. 

Название:	adp.GIF 
Просмотров:	205 
Размер:	3.4 Кб 
ID:	6833  
    Последний раз редактировалось Chip; 09.12.2009 в 15:33.

  2. #12
    Гуру Аватар для (vS)
    Регистрация
    18.06.2007
    Возраст
    48
    Сообщений
    1,981
    Вес репутации
    709

    По умолчанию Re: Помогите разобраться с дисплеем.

    Сергей, а откуда снят дисплей, там можно посмотреть какие сигналы выходят?
    автоMOBILEвый моDDEр
    мой карпутер второй очередной

  3. #13
    Администратор Аватар для Chip
    Регистрация
    08.06.2007
    Возраст
    56
    Сообщений
    13,381
    Вес репутации
    10

    По умолчанию Re: Помогите разобраться с дисплеем.

    Судя по постам автора:
    Дисплей снят с промышленного оборудования.
    монохромный с 16-ю полутонами
    разрешение 640х480
    Частота кадров 60Гц
    Частота строчной 25000Гц

    Отсюда следует , что можно подключить к любому VGA монитору предварительно преобразовав цифру в аналог и подключить на любой из цветов VGA или еще можно обьедениеть все три цвета , но потребуется эмиттерный повторитель.

  4. #14
    Новичок
    Регистрация
    04.12.2009
    Сообщений
    11
    Вес репутации
    204

    По умолчанию Re: Помогите разобраться с дисплеем.

    Выходящие сигналы снять можно, разъём на IDC на 20контактов, основные это D0~D3,Vs,Hs,вроде бы - Clk,+5, +5, остальные GND.

  5. #15
    Новичок
    Регистрация
    04.12.2009
    Сообщений
    11
    Вес репутации
    204

    По умолчанию Re: Помогите разобраться с дисплеем.

    Т.е. можно купить адаптер VGA -> RGB, подключить и все должно работать?

  6. #16
    Администратор Аватар для Chip
    Регистрация
    08.06.2007
    Возраст
    56
    Сообщений
    13,381
    Вес репутации
    10

    По умолчанию Re: Помогите разобраться с дисплеем.

    Зачем тебе адаптер, если у тебя синхра уже VGA частоты выдает.
    Я же написал что нужно вешать ЦАП и подключать к монитору VGA
    Внимательней ответы читать нужно.
    Последний раз редактировалось Chip; 09.12.2009 в 23:35.

  7. #17
    Гуру Аватар для (vS)
    Регистрация
    18.06.2007
    Возраст
    48
    Сообщений
    1,981
    Вес репутации
    709

    По умолчанию Re: Помогите разобраться с дисплеем.

    написал, что нужен АЦП, а сам ЦАП нарисовал

  8. #18
    Администратор Аватар для Chip
    Регистрация
    08.06.2007
    Возраст
    56
    Сообщений
    13,381
    Вес репутации
    10

    По умолчанию Re: Помогите разобраться с дисплеем.

    Это ты не правильно прочитал , я ЦАП написал
    В другом сообщении была ошибочка , но там где схема написано все правильно
    Последний раз редактировалось Chip; 09.12.2009 в 23:34.

  9. #19
    Новичок
    Регистрация
    04.12.2009
    Сообщений
    11
    Вес репутации
    204

    По умолчанию Re: Помогите разобраться с дисплеем.

    Сам без помощи не разберусь, т.е. берём AD420 http://www.terraelectronica.ru/pdf/AD/AD420ANZ-32.pdf
    и подсоединяем, у меня на выходе девять проводов D0-D3,Hs,Vs,GLK,+5,GND.
    Что, куда? Распиновка во вложении.
    Миниатюры Миниатюры Нажмите на изображение для увеличения. 

Название:	AD420.jpg 
Просмотров:	193 
Размер:	43.9 Кб 
ID:	6836  

  10. #20
    Администратор Аватар для Chip
    Регистрация
    08.06.2007
    Возраст
    56
    Сообщений
    13,381
    Вес репутации
    10

    По умолчанию Re: Помогите разобраться с дисплеем.

    Тебе нужен параллельный ЦАП, в соответствующей частотой
    Последний раз редактировалось Chip; 09.12.2009 в 23:36.

Страница 2 из 3 ПерваяПервая 123 ПоследняяПоследняя

Информация о теме

Пользователи, просматривающие эту тему

Эту тему просматривают: 1 (пользователей: 0 , гостей: 1)

Ваши права

  • Вы не можете создавать новые темы
  • Вы не можете отвечать в темах
  • Вы не можете прикреплять вложения
  • Вы не можете редактировать свои сообщения
  •