Re: Управление нагрузкой с помощью Arduino
Искрение на контактах реле, а они в свою очередь дают наводки на МК. По моим наблюдением AVR куда более склонен к перезагрузам, чем PIC при тех же самых условиях. Это подтверждают и многие другие. По этому нужно правильно разводить плату и питание МК или отвязать коммутацию нагрузки(реле) через оптрон.
Re: Управление нагрузкой с помощью Arduino
Вложений: 1
Re: Управление нагрузкой с помощью Arduino
Скажите пожалуйста, можно ли с помощью вот этого:
http://easyelectronics.ru/img/smarth...ac-moc3041.GIF
включать вот такой пускатель?
http://kontaktor32.ascont.ru/users/3...or/kme0910.jpg
http://kontaktor32.ru/kme1810
И зачем нужен конденсатор С1 и резистор R3 ?
Просто на других схемах этого нет.
Вложение 16866
Вложений: 1
Re: Управление нагрузкой с помощью Arduino
МастерКит предлогает вот такую схему:
Вложение 16867
Re: Управление нагрузкой с помощью Arduino
Подниму тему. :-)
Вместо IRLR2905 "попались в руки" IRLR3636. Смущает большая входная емкость для подключения к ардуинке.
Нужен ли ему "напарник" типа 2N7002, в т.ч. чтобы успевал полностью открыться ?
Планируется применение как для "только вкл./выкл. нагрузку", так и в схеме с ШИМ (с частотой не более килогерца).
Re: Управление нагрузкой с помощью Arduino
Если только вкл/выкл то можно использовать
Если использовать ШИМ то потребуется раскачка
Вложений: 1
Re: Управление нагрузкой с помощью Arduino
А, к примеру, для использования IRLR3636 в схеме амбилайта (http://compcar.ru/forum/showthread.php?t=5869) вместо IRLR2905 такого драйвера хватит:
Вложение 17564
?
Или лучше драйвер позаимствовать из http://compcar.ru/forum/showthread.php?t=10266 ?
Re: Управление нагрузкой с помощью Arduino
Re: Управление нагрузкой с помощью Arduino
Re: Управление нагрузкой с помощью Arduino
Подскажите, если я хочу с помощью Ардуино управлять двухкиловатным обогревателем, то мне какой модуль для управления нагрузкой купить? И главное, как подключить?
Re: Управление нагрузкой с помощью Arduino
Если 220 или 380в то твердотельное реле
Re: Управление нагрузкой с помощью Arduino
Цитата:
Сообщение от
Artemiy
Подскажите, если я хочу с помощью Ардуино управлять двухкиловатным обогревателем, то мне какой модуль для управления нагрузкой купить? И главное, как подключить?
Можно и пускатель запускать, как было написано выше - http://compcar.ru/forum/showthread.p...l=1#post104549
Re: Управление нагрузкой с помощью Arduino
спасибо за помощь.
К нему не надо никаких дополнительных сопротивлений подключать?
Остальные ответы нашел в инете.
Вложений: 1
Re: Управление нагрузкой с помощью Arduino
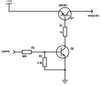
Всем привет. Транзисторы у мну совсем больная тема посему все таки обращусь за помощью.
В общем, как с порта дуины включить реле через транзистор - проблем нет, все понятно. Но в этом случае мы управляем землей.
Как при помощи реле и дуины управлять нагрузками в автомобиле тоже понятно, с реле пофиг что коммутировать - минус или плюс.
А вот как сделать управление нагрузками в авто при помощи транзисторов, если вспомнить, что в авто все управляется плюсом, а минус сидит на массе?
Для биполярных транзисторов у мну получилось как-то так, но не уверен, что номиналы резисторов посчитал правильно. Если что, просьба поправить меня.
Вложение 18475
А ко всему еще и хочется понять как все это соорудить с использованием полевого транзистора (на месте Q1). Если не сложно, со схемой, номиналами и объяснением.
Или есть более рациональные схемы без использования реле?
Re: Управление нагрузкой с помощью Arduino
Цитата:
Сообщение от
boomych
Всем привет. Транзисторы у мну совсем больная тема посему все таки обращусь за помощью.
В общем, как с порта дуины включить реле через транзистор - проблем нет, все понятно. Но в этом случае мы управляем землей.
Как при помощи реле и дуины управлять нагрузками в автомобиле тоже понятно, с реле пофиг что коммутировать - минус или плюс.
А вот как сделать управление нагрузками в авто при помощи транзисторов, если вспомнить, что в авто все управляется плюсом, а минус сидит на массе?
Для биполярных транзисторов у мну получилось как-то так, но не уверен, что номиналы резисторов посчитал правильно. Если что, просьба поправить меня.
Вложение 18475
А ко всему еще и хочется понять как все это соорудить с использованием полевого транзистора (на месте Q1). Если не сложно, со схемой, номиналами и объяснением.
Или есть более рациональные схемы без использования реле?
Я в машине подогрев сидений сделал без реле, через симистор и обязательно использую ещё оптопару для развязки между контроллером и симистором. Транзисторы не использовал вообще.
Вложений: 1
Re: Управление нагрузкой с помощью Arduino
Chip, подскажите, пожалуйста.
Есть схема управления эл. магнитным пускателем, как в 83-посте, но у меня ещё варистор задействован:
Вложение 18640
Несколько таких устройств успешно работает, но на одном время от времени появляется какой-то глюк - пускатель начинает втягиваться и отпускаться несколько раз в секунду.
Никак не могу понять причину такого явления. Может кто подскажет?
Спасибо.
Re: Управление нагрузкой с помощью Arduino