Страница 10 из 10 ПерваяПервая ... 45678910
Показано с 91 по 97 из 97
  1. #91
    Администратор Аватар для Chip
    Регистрация
    08.06.2007
    Возраст
    56
    Сообщений
    13,381
    Вес репутации
    10

    По умолчанию Re: Управление нагрузкой с помощью Arduino

    Если 220 или 380в то твердотельное реле

  2. #92
    Местный Аватар для Murkur
    Регистрация
    31.01.2012
    Возраст
    46
    Сообщений
    157
    Вес репутации
    249

    По умолчанию Re: Управление нагрузкой с помощью Arduino

    Цитата Сообщение от Artemiy Посмотреть сообщение
    Подскажите, если я хочу с помощью Ардуино управлять двухкиловатным обогревателем, то мне какой модуль для управления нагрузкой купить? И главное, как подключить?

    Можно и пускатель запускать, как было написано выше - http://compcar.ru/forum/showthread.p...l=1#post104549
    MSI E350IA-E45, AMD Zacate E-350, RAM - 4 Gb, HDD - 120 Gb, M2-ITX, GPS - RoyalTek RGM-3600, 8" TFT, Win 7

  3. #93
    Пользователь
    Регистрация
    29.03.2010
    Возраст
    44
    Сообщений
    63
    Вес репутации
    210

    По умолчанию Re: Управление нагрузкой с помощью Arduino

    спасибо за помощь.
    К нему не надо никаких дополнительных сопротивлений подключать?
    Остальные ответы нашел в инете.
    Последний раз редактировалось Artemiy; 19.10.2014 в 22:55.

  4. #94
    Новичок
    Регистрация
    05.02.2014
    Сообщений
    13
    Вес репутации
    153

    По умолчанию Re: Управление нагрузкой с помощью Arduino

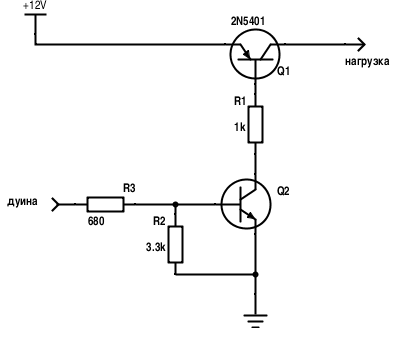
    Всем привет. Транзисторы у мну совсем больная тема посему все таки обращусь за помощью.
    В общем, как с порта дуины включить реле через транзистор - проблем нет, все понятно. Но в этом случае мы управляем землей.
    Как при помощи реле и дуины управлять нагрузками в автомобиле тоже понятно, с реле пофиг что коммутировать - минус или плюс.

    А вот как сделать управление нагрузками в авто при помощи транзисторов, если вспомнить, что в авто все управляется плюсом, а минус сидит на массе?
    Для биполярных транзисторов у мну получилось как-то так, но не уверен, что номиналы резисторов посчитал правильно. Если что, просьба поправить меня.
    Нажмите на изображение для увеличения. 

Название:	schemeit-project (4).png 
Просмотров:	3225 
Размер:	11.1 Кб 
ID:	18475

    А ко всему еще и хочется понять как все это соорудить с использованием полевого транзистора (на месте Q1). Если не сложно, со схемой, номиналами и объяснением.

    Или есть более рациональные схемы без использования реле?
    Последний раз редактировалось boomych; 25.03.2015 в 23:41.

  5. #95
    Местный Аватар для Murkur
    Регистрация
    31.01.2012
    Возраст
    46
    Сообщений
    157
    Вес репутации
    249

    По умолчанию Re: Управление нагрузкой с помощью Arduino

    Цитата Сообщение от boomych Посмотреть сообщение
    Всем привет. Транзисторы у мну совсем больная тема посему все таки обращусь за помощью.
    В общем, как с порта дуины включить реле через транзистор - проблем нет, все понятно. Но в этом случае мы управляем землей.
    Как при помощи реле и дуины управлять нагрузками в автомобиле тоже понятно, с реле пофиг что коммутировать - минус или плюс.

    А вот как сделать управление нагрузками в авто при помощи транзисторов, если вспомнить, что в авто все управляется плюсом, а минус сидит на массе?
    Для биполярных транзисторов у мну получилось как-то так, но не уверен, что номиналы резисторов посчитал правильно. Если что, просьба поправить меня.
    Нажмите на изображение для увеличения. 

Название:	schemeit-project (4).png 
Просмотров:	3225 
Размер:	11.1 Кб 
ID:	18475

    А ко всему еще и хочется понять как все это соорудить с использованием полевого транзистора (на месте Q1). Если не сложно, со схемой, номиналами и объяснением.

    Или есть более рациональные схемы без использования реле?
    Я в машине подогрев сидений сделал без реле, через симистор и обязательно использую ещё оптопару для развязки между контроллером и симистором. Транзисторы не использовал вообще.
    MSI E350IA-E45, AMD Zacate E-350, RAM - 4 Gb, HDD - 120 Gb, M2-ITX, GPS - RoyalTek RGM-3600, 8" TFT, Win 7

  6. #96
    Местный Аватар для Murkur
    Регистрация
    31.01.2012
    Возраст
    46
    Сообщений
    157
    Вес репутации
    249

    По умолчанию Re: Управление нагрузкой с помощью Arduino

    Chip, подскажите, пожалуйста.
    Есть схема управления эл. магнитным пускателем, как в 83-посте, но у меня ещё варистор задействован:
    Нажмите на изображение для увеличения. 

Название:	Untitled-1_03.jpg 
Просмотров:	2513 
Размер:	32.6 Кб 
ID:	18640
    Несколько таких устройств успешно работает, но на одном время от времени появляется какой-то глюк - пускатель начинает втягиваться и отпускаться несколько раз в секунду.
    Никак не могу понять причину такого явления. Может кто подскажет?
    Спасибо.
    MSI E350IA-E45, AMD Zacate E-350, RAM - 4 Gb, HDD - 120 Gb, M2-ITX, GPS - RoyalTek RGM-3600, 8" TFT, Win 7

  7. #97
    Гуру Аватар для (vS)
    Регистрация
    18.06.2007
    Возраст
    48
    Сообщений
    1,981
    Вес репутации
    709

    По умолчанию Re: Управление нагрузкой с помощью Arduino

    осцыллограф подскажет
    автоMOBILEвый моDDEр
    мой карпутер второй очередной

Страница 10 из 10 ПерваяПервая ... 45678910

Информация о теме

Пользователи, просматривающие эту тему

Эту тему просматривают: 4 (пользователей: 0 , гостей: 4)

Ваши права

  • Вы не можете создавать новые темы
  • Вы не можете отвечать в темах
  • Вы не можете прикреплять вложения
  • Вы не можете редактировать свои сообщения
  •