Страница 4 из 70 ПерваяПервая 123456789101454 ... ПоследняяПоследняя
Показано с 31 по 40 из 697
  1. #31
    Местный Аватар для [IVI]
    Регистрация
    25.10.2009
    Возраст
    51
    Сообщений
    112
    Вес репутации
    0

    По умолчанию Re: Адаптер рулевых кнопок.

    Если сравнивать данный адаптер с этим , какие отличия у них?

  2. #32
    Пользователь
    Регистрация
    09.02.2009
    Сообщений
    21
    Вес репутации
    216

    По умолчанию Re: Адаптер рулевых кнопок.

    Цитата Сообщение от Игорек Посмотреть сообщение
    Речь шла о резистивных кнопках. А подрулевые кнопки которые передают сигнал по CAN-шине как то можно прикрутить к КарПК?
    +1, как насчет кнопок работающих по шине кан?

  3. #33
    Толстый котяра Аватар для Камиль
    Регистрация
    08.07.2008
    Сообщений
    139
    Вес репутации
    247

    По умолчанию Re: Адаптер рулевых кнопок.

    Цитата Сообщение от [IVI] Посмотреть сообщение
    Если сравнивать данный адаптер с этим , какие отличия у них?
    24 вольта питание
    Лучше молчать и слыть дураком, чем заговорить и сразу развеять все сомнения в этом....

  4. #34
    Местный Аватар для [IVI]
    Регистрация
    25.10.2009
    Возраст
    51
    Сообщений
    112
    Вес репутации
    0

    По умолчанию Re: Адаптер рулевых кнопок.

    Цитата Сообщение от Камиль Посмотреть сообщение
    24 вольта питание
    по моему тут написано питание до 24V: 24V tolerant 4 channel resistance input.

  5. #35
    Новичок
    Регистрация
    06.06.2010
    Сообщений
    7
    Вес репутации
    197

    По умолчанию Re: Адаптер рулевых кнопок.

    Всем привет!
    Приобрёл дивайс второпях, желая побыстрее всё уже собрать наконец.
    Но к своему стыду не знаю куда его подключать.
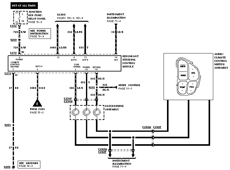
    На схеме видно, что 3 провода (№ 3, 8 , 16) идут от рулевых кнопок на разъём штатной магнитолы. Может кто подскажет что и куда?

    PS Машина Lincoln Navigator 98 года.
    Изображения Изображения

  6. #36
    Администратор Аватар для Chip
    Регистрация
    08.06.2007
    Возраст
    56
    Сообщений
    13,381
    Вес репутации
    10

    По умолчанию Re: Адаптер рулевых кнопок.

    сом - это похоже общий
    power - наверно питание , тебе оно не потребуется
    return - это видимо сигнальный

    на Joystik
    черный это общий
    красно черный сигнальный

    Прежде чем подключать нужно убедится что return это сигнальный, для этого нужно подключить с сигнальному и общему проводу тестер и измерить изменение сопротивления при нажатии кнопок

  7. #37
    Новичок
    Регистрация
    06.06.2010
    Сообщений
    7
    Вес репутации
    197

    По умолчанию Re: Адаптер рулевых кнопок.

    Цитата Сообщение от Chip Посмотреть сообщение
    сом - это похоже общий
    power - наверно питание , тебе оно не потребуется
    return - это видимо сигнальный

    на Joystik
    черный это общий
    красно черный сигнальный

    Прежде чем подключать нужно убедится что return это сигнальный, для этого нужно подключить с сигнальному и общему проводу тестер и измерить изменение сопротивления при нажатии кнопок
    Получается мне до блока надо к ним подрубаться? Попрбую измерить сопротивления, и отпишусь здесь для статистики и будующих пользователей.

  8. #38
    Администратор Аватар для Chip
    Регистрация
    08.06.2007
    Возраст
    56
    Сообщений
    13,381
    Вес репутации
    10

    По умолчанию Re: Адаптер рулевых кнопок.

    Нужно разьем отключить от магнитолы и проверять или подключать

  9. #39
    Новичок
    Регистрация
    06.06.2010
    Сообщений
    7
    Вес репутации
    197

    По умолчанию Re: Адаптер рулевых кнопок.

    Цитата Сообщение от Chip Посмотреть сообщение
    Нужно разьем отключить от магнитолы и проверять или подключать
    Короче на самом разъёме я получаю вот что:
    лень переводить, но тоже самое.
    Беру вольтметер и мерю напряжение между землёй и контактом номер 16 на колодке, получаю при отпущенной кнопке 2.15 вольта, а при нажатой напряжение падает до 1.5 вольт.

    По ходу придётся подключатся до входа 3х этих проводов в блок "REdundant Steereng" который на схеме

    Тут у меня вариант A получается
    Последний раз редактировалось Dr.Sqaer; 19.06.2010 в 22:59.

  10. #40
    Гуру Аватар для (vS)
    Регистрация
    18.06.2007
    Возраст
    48
    Сообщений
    1,981
    Вес репутации
    710

    По умолчанию Re: Адаптер рулевых кнопок.

    пиз... а зачем ты на колодке мафона то меряешь?
    это явно какая-то шина данных.
    так что по схеме еще с самого начала было понятно, что брать сигнал нужно ДО блочка, померь сколько у него вольтей на входе, может и не придется от блока отрезать, а то там и 12 может оказаться
    автоMOBILEвый моDDEр
    мой карпутер второй очередной

Страница 4 из 70 ПерваяПервая 123456789101454 ... ПоследняяПоследняя

Информация о теме

Пользователи, просматривающие эту тему

Эту тему просматривают: 1 (пользователей: 0 , гостей: 1)

Ваши права

  • Вы не можете создавать новые темы
  • Вы не можете отвечать в темах
  • Вы не можете прикреплять вложения
  • Вы не можете редактировать свои сообщения
  •