Страница 2 из 3 ПерваяПервая 123 ПоследняяПоследняя
Показано с 11 по 20 из 25
  1. #11
    Администратор Аватар для Chip
    Регистрация
    08.06.2007
    Возраст
    56
    Сообщений
    13,381
    Вес репутации
    10

    По умолчанию Re: усреднить сигнал с ШИМа

    Формула: F=160000/(R*C), где F - частота в Гц, R - сопротивление в Ом, C - емкость в мкФ
    Думаю что тебе пойдут такие номиналя 1мкФ, 3кОм-5кОм, потому как формула не учитывает входное сопротивление ардуино.
    Последний раз редактировалось Chip; 15.11.2011 в 20:15.

  2. #12
    Местный
    Регистрация
    11.11.2009
    Возраст
    37
    Сообщений
    114
    Вес репутации
    222

    По умолчанию Re: усреднить сигнал с ШИМа

    Поправочка у меня после делителя там выходит максимум 2,5В. Или при
    1мкФ, 3кОм-5кОм,
    мне делитель не понадобится?
    И что за значение 160000?
    Миниатюры Миниатюры Нажмите на изображение для увеличения. 

Название:	Безымянный.png 
Просмотров:	582 
Размер:	10.8 Кб 
ID:	13407  
    Последний раз редактировалось SiMuS; 15.11.2011 в 21:11.

  3. #13
    Администратор Аватар для Chip
    Регистрация
    08.06.2007
    Возраст
    56
    Сообщений
    13,381
    Вес репутации
    10

    По умолчанию Re: усреднить сигнал с ШИМа

    Сначала рисуешь делитель потом RC цепочку

  4. #14
    Местный
    Регистрация
    11.11.2009
    Возраст
    37
    Сообщений
    114
    Вес репутации
    222

    По умолчанию Re: усреднить сигнал с ШИМа

    после делителя максимум 2,5 в тогда каике номиналы нужны? И что такое 160000 в формуле?

  5. #15
    Администратор Аватар для Chip
    Регистрация
    08.06.2007
    Возраст
    56
    Сообщений
    13,381
    Вес репутации
    10

    По умолчанию Re: усреднить сигнал с ШИМа

    Цитата Сообщение от SiMuS Посмотреть сообщение
    И что такое 160000 в формуле?
    Тебе теорию расчета фильтра здесь всю выложить?

  6. #16
    Местный
    Регистрация
    11.11.2009
    Возраст
    37
    Сообщений
    114
    Вес репутации
    222

    По умолчанию Re: усреднить сигнал с ШИМа

    Нет достаточно посоветовать номиналы для 2,5В после делителя... Или они от вольтажа не зависят?

  7. #17
    Администратор Аватар для Chip
    Регистрация
    08.06.2007
    Возраст
    56
    Сообщений
    13,381
    Вес репутации
    10

    По умолчанию Re: усреднить сигнал с ШИМа

    От вольтажа не зависит.

  8. #18
    Местный
    Регистрация
    11.11.2009
    Возраст
    37
    Сообщений
    114
    Вес репутации
    222

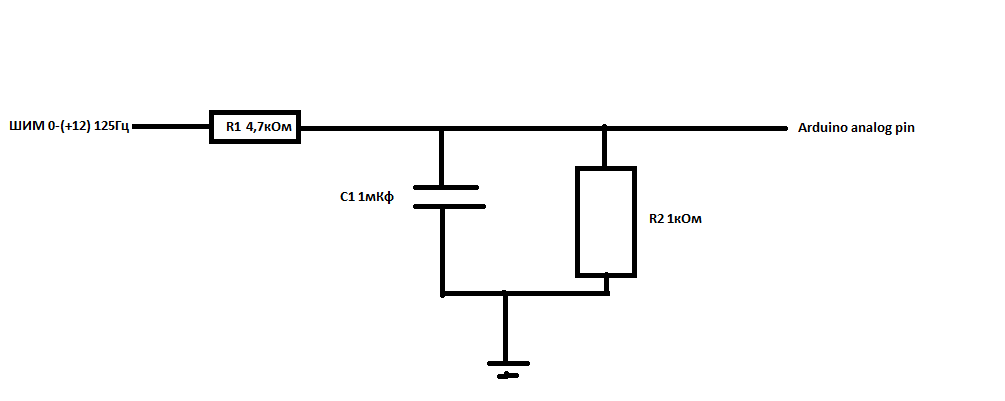
    По умолчанию Re: усреднить сигнал с ШИМа

    Такая схема верна ?
    Миниатюры Миниатюры Нажмите на изображение для увеличения. 

Название:	Безымянный.png 
Просмотров:	939 
Размер:	22.9 Кб 
ID:	13431  

  9. #19
    Администратор Аватар для Chip
    Регистрация
    08.06.2007
    Возраст
    56
    Сообщений
    13,381
    Вес репутации
    10

    По умолчанию Re: усреднить сигнал с ШИМа

    Все верно

  10. #20
    Продвинутый
    Регистрация
    28.11.2010
    Возраст
    61
    Сообщений
    241
    Вес репутации
    236

    По умолчанию Re: усреднить сигнал с ШИМа

    Цитата Сообщение от SiMuS Посмотреть сообщение
    Такая схема верна ?
    Можно и так, но если вместо 1 ком сопротивления поставить стабилитрон на 5 вольт, получится круче и будет работать в очень большом диапазоне напряжений, а главное, шим от 0-100% будет соответствовать примерно 0-5 вольт.
    Последний раз редактировалось Mastar; 17.11.2011 в 20:25.

Страница 2 из 3 ПерваяПервая 123 ПоследняяПоследняя

Информация о теме

Пользователи, просматривающие эту тему

Эту тему просматривают: 2 (пользователей: 0 , гостей: 2)

Ваши права

  • Вы не можете создавать новые темы
  • Вы не можете отвечать в темах
  • Вы не можете прикреплять вложения
  • Вы не можете редактировать свои сообщения
  •