Страница 10 из 10 ПерваяПервая ... 45678910
Показано с 91 по 100 из 101

Комбинированный просмотр

Предыдущее сообщение Предыдущее сообщение   Следующее сообщение Следующее сообщение
  1. #1
    Администратор Аватар для Chip
    Регистрация
    08.06.2007
    Возраст
    55
    Сообщений
    13,381
    Вес репутации
    10

    По умолчанию Re: Автоматическое переключение на камеру заднего хода.

    А разве на схеме есть другие транзисторы?

  2. #2
    Продвинутый
    Регистрация
    20.12.2011
    Сообщений
    336
    Вес репутации
    238

    По умолчанию Re: Автоматическое переключение на камеру заднего хода.

    Ну я думал об транзисторах ардуино.
    Спасибо за науку.
    Установил 5-5,1К.

    Осталась пара вопросов:
    1. Еще раз про внутреннюю подтяжку, если я ее оставлю это не помешает или наоборот навредит?
    2. Тут http://compcar.ru/forum/showthread.php?t=10663 я спрашивал, про подключение через оптрон светодиода, там не нужно внешних резисторов для подтяжки?
    Последний раз редактировалось kadushkin; 07.01.2016 в 20:38.

  3. #3
    Администратор Аватар для Chip
    Регистрация
    08.06.2007
    Возраст
    55
    Сообщений
    13,381
    Вес репутации
    10

    По умолчанию Re: Автоматическое переключение на камеру заднего хода.

    1-Я думаю что сильно не навредит
    2-резистор нужен

  4. #4
    Продвинутый
    Регистрация
    20.12.2011
    Сообщений
    336
    Вес репутации
    238

    По умолчанию Re: Автоматическое переключение на камеру заднего хода.

    На какой вывод посадить резистор?

    R1 у меня 300ом. R2 отсутсвует.
    Последний раз редактировалось kadushkin; 08.01.2016 в 14:00.

  5. #5
    Администратор Аватар для Chip
    Регистрация
    08.06.2007
    Возраст
    55
    Сообщений
    13,381
    Вес репутации
    10

    По умолчанию Re: Автоматическое переключение на камеру заднего хода.

    Я же писал что это кривая схема
    Используй следующую схему
    Нажмите на изображение для увеличения. 

Название:	sd.PNG 
Просмотров:	3193 
Размер:	6.5 Кб 
ID:	18782
    Последний раз редактировалось Chip; 08.01.2016 в 17:55.

  6. #6
    Продвинутый
    Регистрация
    20.12.2011
    Сообщений
    336
    Вес репутации
    238

    По умолчанию Re: Автоматическое переключение на камеру заднего хода.

    Напишу-ка я в другой теме, а то я тебя наверное запутал.
    http://compcar.ru/forum/showthread.p...l=1#post109982
    Последний раз редактировалось kadushkin; 08.01.2016 в 18:20.

  7. #7
    Новичок
    Регистрация
    22.08.2016
    Возраст
    52
    Сообщений
    2
    Вес репутации
    0

    По умолчанию Re: Автоматическое переключение на камеру заднего хода.

    Добрый день
    Хочу реализовать на Ардуино управление переключением камерами перед/зад.
    Логика такая: при появлении сигнала лампочки заднего хода на вход магнитолы подаются сигналы от камеры заднего вида + подается сигнал на провод заднего хода магнитолы
    При пропадании сигнала лампочки заднего хода на вход магнитолы подаются в течение 10 сек сигналы от камеры переднего вида + подается сигнал на провод заднего хода магнитолы.

    Вопросы: от лампочки заднего хода приходит +12, его же нельзя сразу на пин контролера подавать? как решаете?
    Чтобы переключать камеры нужно двухканальное трех позиционное реле? Или есть более правильные решения? Если можно дайте ссылку на конкретный модуль плиз. лучше на Ebay.
    Кстати может есть контролеры, работающие с 12В чтоб преобразователи питания не городить?

  8. #8
    Администратор Аватар для Chip
    Регистрация
    08.06.2007
    Возраст
    55
    Сообщений
    13,381
    Вес репутации
    10

    По умолчанию Re: Автоматическое переключение на камеру заднего хода.

    Вопросы: от лампочки заднего хода приходит +12, его же нельзя сразу на пин контролера подавать? как решаете?
    Самый надежный способ, развязать оптроном
    Последний раз редактировалось Chip; 23.08.2016 в 00:14.

  9. #9
    Новичок
    Регистрация
    22.08.2016
    Возраст
    52
    Сообщений
    2
    Вес репутации
    0

    По умолчанию Re: Автоматическое переключение на камеру заднего хода.

    Спасибо.

    А видео входы чем переключать правильнее?

  10. #10
    Администратор Аватар для Chip
    Регистрация
    08.06.2007
    Возраст
    55
    Сообщений
    13,381
    Вес репутации
    10

    По умолчанию Re: Автоматическое переключение на камеру заднего хода.

    Цитата Сообщение от nobody Посмотреть сообщение
    Спасибо.

    А видео входы чем переключать правильнее?
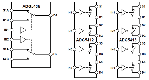
    Для этого есть микросхемы специализированные http://www.chipdip.ru/catalog/ic-analog-switch/

    Пример:

    Нажмите на изображение для увеличения. 

Название:	img1.gif 
Просмотров:	887 
Размер:	18.5 Кб 
ID:	19026
    Миниатюры Миниатюры Нажмите на изображение для увеличения. 

Название:	320_p.gif 
Просмотров:	677 
Размер:	6.5 Кб 
ID:	19025  
    Последний раз редактировалось Chip; 23.08.2016 в 12:34.

Страница 10 из 10 ПерваяПервая ... 45678910

Информация о теме

Пользователи, просматривающие эту тему

Эту тему просматривают: 3 (пользователей: 0 , гостей: 3)

Ваши права

  • Вы не можете создавать новые темы
  • Вы не можете отвечать в темах
  • Вы не можете прикреплять вложения
  • Вы не можете редактировать свои сообщения
  •