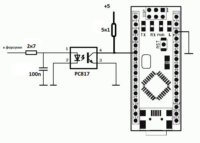
Судя по схеме автор с электроникой не дружит
Судя по схеме автор с электроникой не дружит
А в той схеме которую вы давали ранее,тоже с оптопарой,
номинал номиналы конденсатора и сопротивления какие? На датчик скорости можно использовать такую же схему? Оптопара написанная в схеме автора подойдет? А что у автора неправильно, перестраховался?
Я не говорю что работать не будет, но для чего автор прилепил резистор 4 ом ? Возможно в цепи из-за него будет протекать большой ток, или он может привести к неисправности ЭБУ
То что он не дружит с электроникой понятно по делителю перед светодиодом.
Последний раз редактировалось Chip; 13.02.2013 в 14:10.
Вложение 15960
Так будет работать ?
Ссылка битая
Немножко параметры подправил
Можно к любым бортовым, дикретным датчикам цеплять и к датчику скорости в том числе
С конденсатором я промахнулся, нужен 10n он же 0,01мкф
Для датчика скорости возможно 0,01мкф будет многовато, нужно рассчитывать или пробовать
Последний раз редактировалось Chip; 14.02.2013 в 20:14.
Эту тему просматривают: 1 (пользователей: 0 , гостей: 1)